EasyManua.ls Logo

Panasonic TX Series - Block Diagram (2;2); P-Board, GK-Board, K-Board Block Diagram (2;2)

Panasonic TX Series
87 pages
Print Icon
To Next Page IconTo Next Page
To Next Page IconTo Next Page
To Previous Page IconTo Previous Page
To Previous Page IconTo Previous Page
Loading...
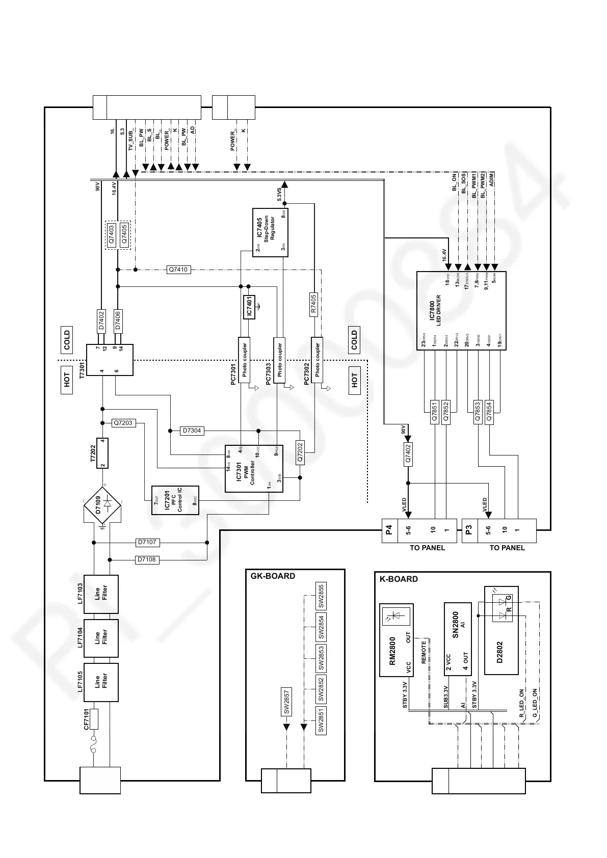
Block Diagram (2/2)
JK7101
MAIN INPUT
P-BOARD
F7101
Line
Filter
LF7105
Line
Filter
LF7104
Line
Filter
LF7103
CF7101
~
~
+
-
D7109
HOT
COLD
HOT
COLD
6
4
9
7
T7301
IC7301
8VW
PWM
Controller
D7304
10VCC
PC7302
Photo coupler
Q7202
D7108
1VH
PC7301
Photo coupler
4FB
IC7401
T7202
R7405
IC7405
Step-Down
Regulator
D7406
D7402
P2
TO A02
3
7
BL_ON
BL_SOS
BL_PWM1
8
TV_SUB_ON
POWER_ON
10
13-16
9
1
5
KEY
BL_PWM2
ADIM
BL_SOS
KEY
POWER_ON
16.4V
16.4V
2
5.3VS
P5
TO GK4
2
3
5.3VS
VLED
VLED
90V
IC7800
LED DRIVER
Q7853
Q7854
Q7851
Q7852
16.4V
BL_ON
BL_PWM1
BL_PWM2
ADIM
P4
TO PANEL
10
1
P3
TO PANEL
10
1
8SW
2VIN
3EN
18VCC
13BLON
5ADIM
7,8PWM
9,11PWM
17STATUS
1ISEN4
2ISEN3
3ISEN2
4ISEN1
D7107
PC7303
Photo coupler
9PGS
4
3STB
14VS
K-BOARD
K10
7
3
4
5
6
1
SUB3.3V
STBY3.3V
RM2800
VCC
OUT
SN2800
AI
2
4
VCC
OUT
D2802
R
G
TO A02
REMOTE
AI
G_LED_ON
R_LED_ON
SUB3.3V
AI
STBY 3.3V
STBY 3.3V
R_LED_ON
G_LED_ON
REMOTE
GK-BOARD
GK4
2
3
TO P5
SW2854SW2853
SW2857
SW2855
POWER_ON
KEY1
SW2852SW2851
2
4
Q7203
IC7201
PFC
Control IC
7OUT
8VCC
12
14
Q7410
Q7403
Q7405
5-6
5-6
Q7402
23DRV4
22DRV3
20DRV2
19DRV1
90V
24

Other manuals for Panasonic TX Series

Related product manuals