EasyManua.ls Logo

Panasonic TX Series - Block Diagram (1;2); A-Board Block Diagram (1;2) - ICs and Connections

Panasonic TX Series
87 pages
Print Icon
To Next Page IconTo Next Page
To Next Page IconTo Next Page
To Previous Page IconTo Previous Page
To Previous Page IconTo Previous Page
Loading...
SP_L
SP_R
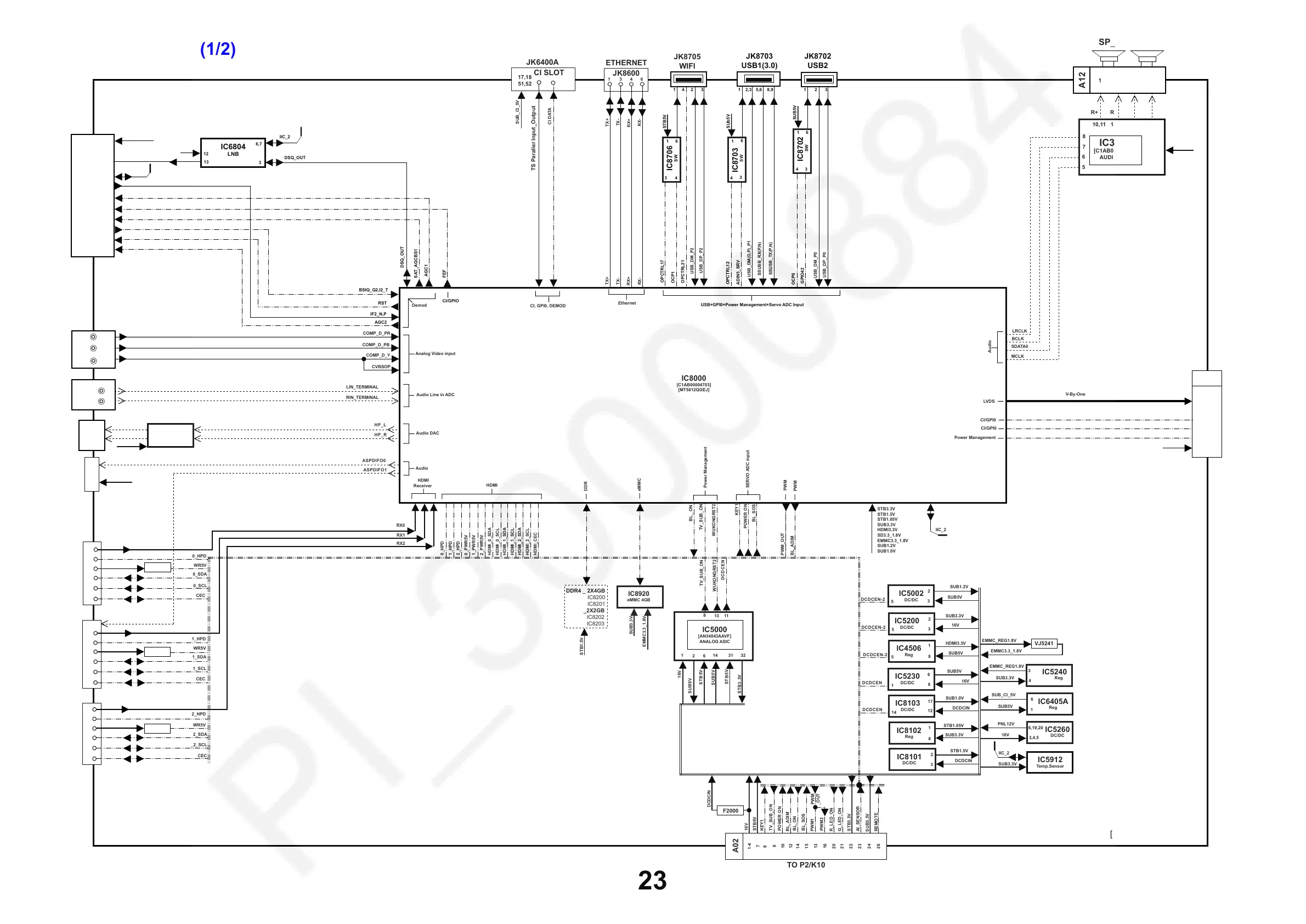
Block Diagram (1/2)
IC8000
[C1AB00004703]
[MT5812QGEJ]
Digital
Audio Out
D3200
ASPDIFO0
SUB3.3V
ASPDIFO0
ASPDIFO1
Audio
JK4701
HDMI1
5VDET0
DDCSDA0
CEC
RX0
JK4702
HDMI2
JK4703
HDMI3
R4545
R4515
R4521
DDCSCL0
HPD1
5VDET1
DDCSDA1
CEC
DDCSCL1
HPD2
5VDET2
DDCSDA2
CEC
DDCSCL2
ASPDIFO1
RX1
RX2
HDMI_0_SDA
HDMI_0_SCL
HDMI_1_SDA
HDMI_1_SCL
0_PWR5V
1_PWR5V
HDMI_2_SDA
2_PWR5V
HDMI_2_SCL
0_HPD
0_PWR5V
HDMI_0_SDA
HDMI_0_SCL
HDMI_CEC
1_HPD
1_PWR5V
HDMI_1_SDA
HDMI_1_SCL
2_HPD
2_PWR5V
HDMI_2_SDA
HDMI_2_SCL
HDMI
HDMI
Receiver
DDR4 _ 2X4GB
IC8200
IC8201
_2X2GB
IC8202
IC8203
DDR
STB1.5V
IC8920
eMMC 4GB
SUB3.3V
eMMC
ETHERNET
JK8600
TX+
TX-
RX+
RX-
1
3
4
6
TX+
TX-
RX+
RX-
Ethernet
CEC
9
2,3,5,6
8,9,11,12
14,15,17,18
20,21,23,24
TO CN1
A16
V-By-One
26
27
29
LOCK
CI/GPI0
HTPD
44-51
PNL12V
LVDS
A12
IC3800
[C1AB00003984]
AUDIO AMP
7
8
6
5
1
2 3
4
9,16
25,32
10,11
14,15 26,27
30,31
L- L+
R+
R-
16V
IIC_2
IC5000
[AN34043AAVF]
ANALOG ASIC
1
6 2
14
31
STB5V
STB5V
SUB5V
SUB9V
13
WUKONGRST2
16V
8
TV_SUB_ON
DCDCEN
11
KEY1
POWER ON
SERVO ADC input
BL_SOS
PWM
A-BOARD
[EXCHANGE UNIT]
Power Management
IC5240
Reg
IC4506
Reg
8
1
HDMI3.3V
3,4,5
6,19,20
16V
PNL12V
DCDCEN-2
5
SUB5V
IC5200
DC/DC
3
2
16V
SUB3.3V
IC5260
DC/DC
STB3.3V
STB1.5V
STB1.05V
SUB3.3V
HDMI3.3V
SD3.3_1.8V
EMMC3.3_1.8V
SUB1.2V
SUB1.0V
PANEL_TEST_ON
Audio
MCLK
BCLK
LRCLK
SDATA0
0_HPD
1_HPD
2_HPD
CEC
CEC
CEC
TV_SUB_ON
Power Management
DCDCEN-2
5
1
6
SUB5V
IC6405A
Reg
SUB_CI_5V
Analog Video input
LIN_TERMINAL
RIN_TERMINAL
AUDIO IN
L
R
L38
Audio Line in ADC
LIN_TERMINAL
RIN_TERMINAL
Audio DAC
HP_L
JK3104A
HP_R
HP-OUT
IC3201
Stereo HP
Driver
9
11
13
15
SUB3.3V
HP_L
HP_R
PWM_OUT
EMMC3.3_1.8V
RX0
RX1
RX2
0_HPD
IC8103
DC/DC
12
17
SUB1.0V
DCDCEN
14
JK8703
USB1(3.0)
1
2,3 5,6
IC8703
SW
6
1
3
4
SUb5V
ADIN5_SRV
USB_DM(D,P)_P1
8,9
SSUSB_RX(P,N)
SSUSB_TX(P,N)
1
2
3
IC8702
SW
6
1
3
4
SUB5V
OCP0
JK8702
USB2
GPIO42
1
2
3
IC8706
SW
6
1
3
4
STB5V
JK8705
WIFI
USB_DM_P2
OCP1
USB_DP_P2
4
OPCTRL21
USB+GPI0+Power Management+Servo ADC Input
OPCTRL17
PWM
BL_ADIM
VJ5241
EMMC_REG1.8V
EMMC3.3_1.8V
IC8102
Reg
8
1
STB1.05V
SUB3.3V
Demod
CI SLOT
JK6400A
17,18
51,52
SUB_CI_5V
CI DATA
TS Paraller Input_Output
CI, GPI0, DEMOD
JK3103
WUKONGRST2
BL_ ON
CI/GPI0
IC8101
DC/DC
2
3
STB1.5V
DCDCIN
IC5912
Temp.Sensor
SUB3.3V
IIC_2
TO P2/K10
STB5V
BL_ON
STB3.3V
TV_SUB_ON
16V
BL_SOS
KEY1
F2000
DCDCIN
POWER ON
PWM1
3
7
9-10
12
A02
9
10
1-4
7
14
15
8
13
20
21
23
22
26
SUB3.3V
24
R_LED_ON
G_LED_ON
AI_SENSOR
REMOTE
BL_ADIM
12
PWM2
16
PWM
_OUT
DCDCIN
32
STB3.3V
SUB1.2V
IC5002
DC/DC
4
3
SUB3.3V
IC5230
DC/DC
8
6
SUB5V
DCDCEN
1
16V
EMMC_REG1.8V
3
2
SUB5V
DCDCEN-2
5
OPCTRL12
USB_DM_P0
USB_DP_P0
AGC2
IF2_N,P
TUNER A/DVB-/T2/C/S/S2
TU6702
SUB3.3V
3,4
1,32
IC6804
LNB
13
12
16V
33
LNB PWR
6,7
IIC_2
3
DSQ_OUT
AGC1
AGC1
5
FEF
12
27
SAT_AGCBS1
30,31
BSIQ_Q2,I2_T
IF2_N,P
AGC2
8,9
10
FEF
IIC_2
RST
11
RST
CI/GPIO
BSIQ_Q2,I2_T
SAT_AGCBS1
DSQ_OUT
COMP_D_PR
COMP_D_PB
COMP_D_Y
JK3102
COMP_D_Y
COMP_D_PR
COMP_D_PB
CVBSOP
Y/Vin PB PR
23

Other manuals for Panasonic TX Series

Related product manuals