EasyManua.ls Logo

Paradigm T561 - Electronic Overview - T561(110 V) Block Diagram

Paradigm T561
107 pages
Print Icon
To Next Page IconTo Next Page
To Next Page IconTo Next Page
To Previous Page IconTo Previous Page
To Previous Page IconTo Previous Page
Loading...
HS Consumer Treadmill
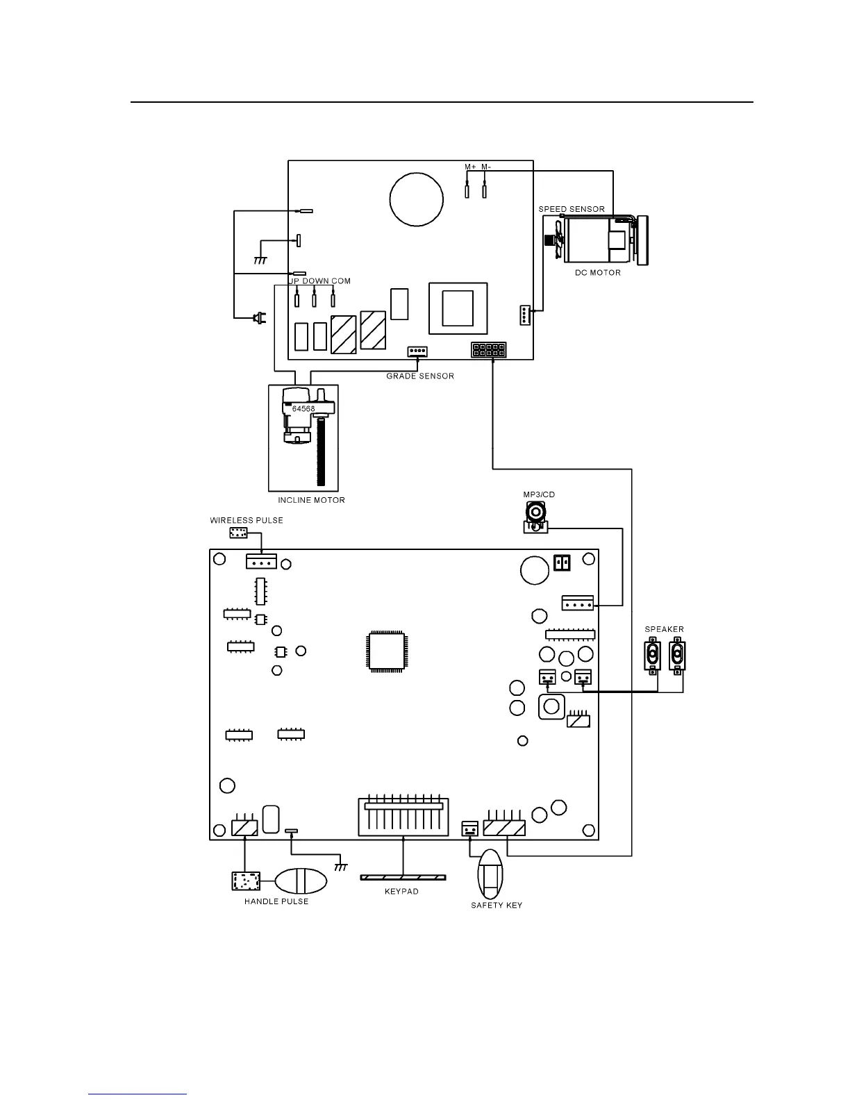
ELECTRONIC OVERVIEW – T561(110V) BLOCK DIAGRAM
Section 4
16

Table of Contents

Related product manuals