EasyManua.ls Logo

Parker Hyperchill-Plus ICEP007 - Installation Diagram

Parker Hyperchill-Plus ICEP007
98 pages
Print Icon
To Next Page IconTo Next Page
To Next Page IconTo Next Page
To Previous Page IconTo Previous Page
To Previous Page IconTo Previous Page
Loading...
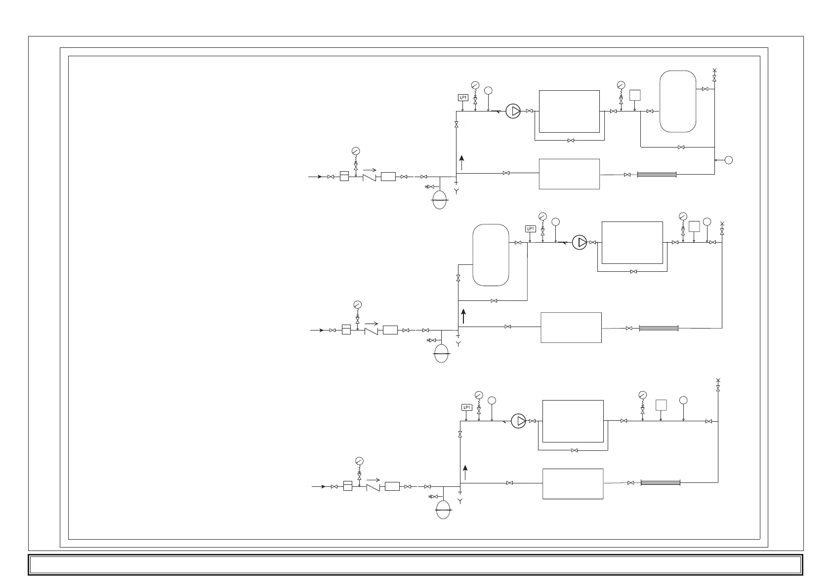
7.2 Installation diagram
7
ICEP007-024 (60Hz)
Pos. DESCRIPTION DENOMINAZIONE
1 Ball valves Valvole di intercettazione
2 Pump Pompa
3 Gauges Manometri
4 Thermometers Termometri
5 Flow switch Flussostato
6 Water Pressure switch Pressostato acqua
7 Water lter Filtro a rete
8 Air bleed valve Sato
9 Water drain valve Valvola di scarico acqua
10 Charge group Gruppo di carica
10.1 Water meter contatore acqua
10.2 Gauge manometro
10.3 Non return valve valvola di non ritorno
10.4 Air separator separatore d’aria
10.5 Water ll hose tubo di alimentazione scollegabile
11 Antifreeze heater Resistenza antighiaccio
12 Tank Serbatoio
13 Expansion Tank Vaso espansione
T
CHILLER
F
TANK
USER
T
TANK
USER
T
CHILLER
F
USER
T
CHILLER
F
T
T
1
1
11
11
11
10.1
10.2
10.1
10.1
10.2
10.2
10.3
10.3
10.3
10.4
10.4
10.4
10.5
10.5
10.5
12
12
6
6
6
7
7
7
8
8
8
9
9
9
10
10
10
2
2
2
33
33
3
3
4
4
44
4
4
5
5
5
1
1
1
1
1
1
1
1
1
1
1
1
1
1
1
1
1
1
1
1
1
1
1
1
1
11
1
1
13
13
13

Table of Contents