EasyManua.ls Logo

Parker Hyperchill-Plus ICEP007 - Circuit Diagram ICEP007-014 (Oil)

Parker Hyperchill-Plus ICEP007
98 pages
Print Icon
To Next Page IconTo Next Page
To Next Page IconTo Next Page
To Previous Page IconTo Previous Page
To Previous Page IconTo Previous Page
Loading...
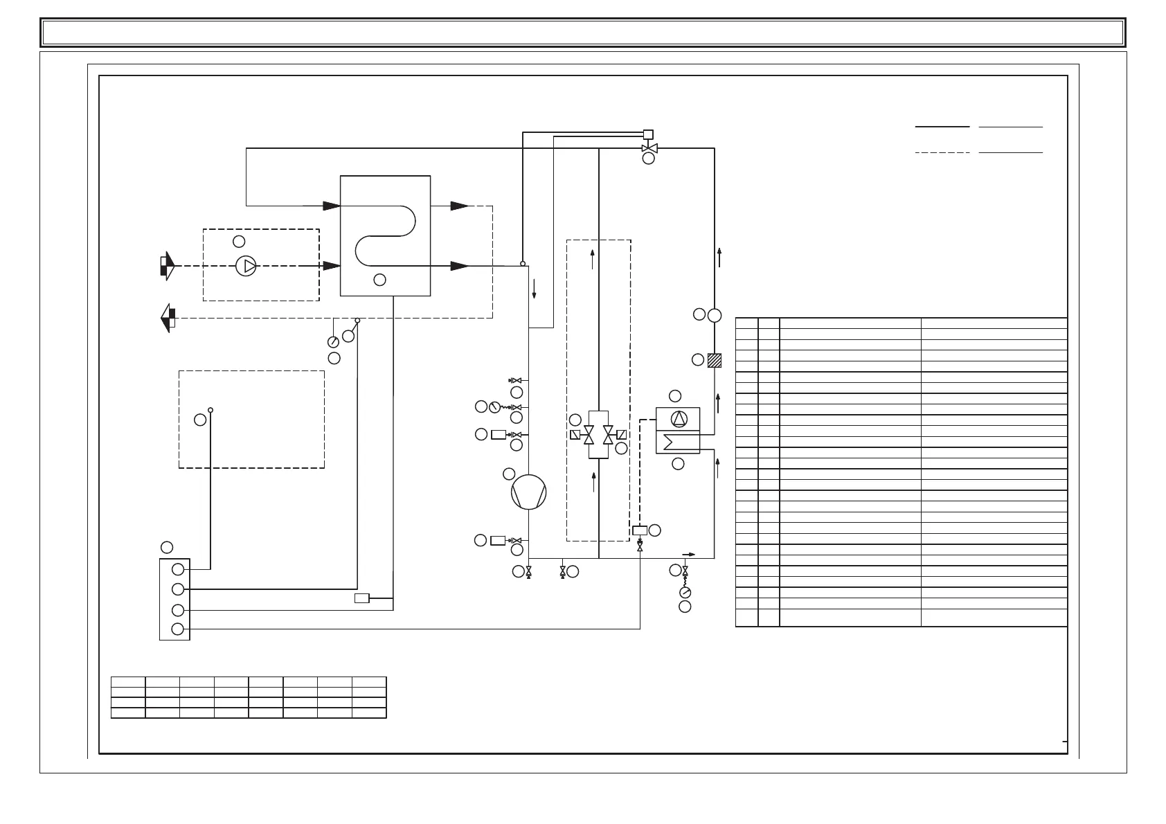
Circuit Diagram ICEP007-014 (oil)
22
ICEP007-024 (60Hz)
14
HP1
ØE
10
16
16
1
15
LP1
16
FG
ØD
9
16
4
5
6
ØC
POMPA
CONDENSATORE REFRIGERANTE
FILTRO REFRIGERANTE
MANOMETRO ACQUA
COMPRESSORE
MANOMETRO ASPIRAZIONE REFRIGERANTE
MANOMETRO MANDATA REFRIGERANTE
VALVOLA ESPANSIONE
SPIA DI FLUSSO
Ref.Pos.
1
2
MC1
3
4
6
5
7
10
8
9
11
12
M8-P
15
13
14
16
17
REFRIGERANT CONDENSER
DESCRIPTION
COMPRESSOR
REFRIGERANT FILTER
SIGHT GLASS
REFRIGERANT SUCTION MANOMETER
REFRIGERANT DISCHARGE MANOMETER
EXPANSION VALVE
PUMP
WATER MANOMETER
DENOMINAZIONE
VALVOLA SCHRADER
CONTROLLO ELETTRONICO
SONDA TEMPERATURA OLIO IN USCITA
PRESSOSTATO ALTA PRESSIONE
PIPING DIAMETERS (mm)
DIAMETRO TUBAZIONI (mm)
ØA
PRESSOSTATO BASSA PRESSIONE
20
18
19
B2
B1
21
22
A1
25
24
23
LP1
HP1
26
27
OIL OUTLET TEMPERATURE SENSOR
HIGH PRESSURE SWITCH
LOW PRESSURE SWITCH
ELECTRONIC CONTROL
SCHRADER VALVE
MODEL ØB ØC
ØA
16
2
3
ØA
EV1-3
FAN MOTOR
VENTILATORE
010 12 12 6
007 12 10 6
ELECTRONIC CONTROL
CONTROLLO ELETTRONICO
13
21
11
12
8
B1
B2
17
SCAMBIATORE APIASTRE
EXCHANGER
3/4
3/4
ØG
ØG
ØG
ØB
16
ØE
P1
16
12
ØD
2261212014
ØE
12
12
16
3/4
OIL CIRCUIT
CIRCUITO OLIO
CIRCUITO FREON
REFRIGERANT CIRCUIT
*
18
P1
HIGH PRESSURE TRANSMITTER
TRASMETTITORE DI ALTA PRESSIONE
18
OIL INLET
INGRESSO OLIO
OIL OUTLET
USCITA OLIO
TEMPERATURE SENSOR TANK
SONDA TEMPERATURA SERBATOIO
16
19
YV1
HOT GAS SOLENOID VALVE 1
ELETTROVALVOLA GAS CALDO 1
20
YV2
HOT GAS SOLENOID VALVE 2
ELETTROVALVOLA GAS CALDO 2
ST1
ST1
SAFETY THERMOSTAT
TERMOSTATO DI SICUREZZA
INSTALLAZIONE A CURA CLIENTE
INSTALLATION BY CUSTOMER
OPZIONE A RICHIESTA
OPTION ON REQUEST
10
10
12
ØF
ØE
ØF
ØF
7
OPZIONE A RICHIESTA
OPTION ON REQUEST

Table of Contents