EasyManua.ls Logo

Parker Hyperchill-Plus ICEP007 - Page 66

Parker Hyperchill-Plus ICEP007
98 pages
Print Icon
To Next Page IconTo Next Page
To Next Page IconTo Next Page
To Previous Page IconTo Previous Page
To Previous Page IconTo Previous Page
Loading...
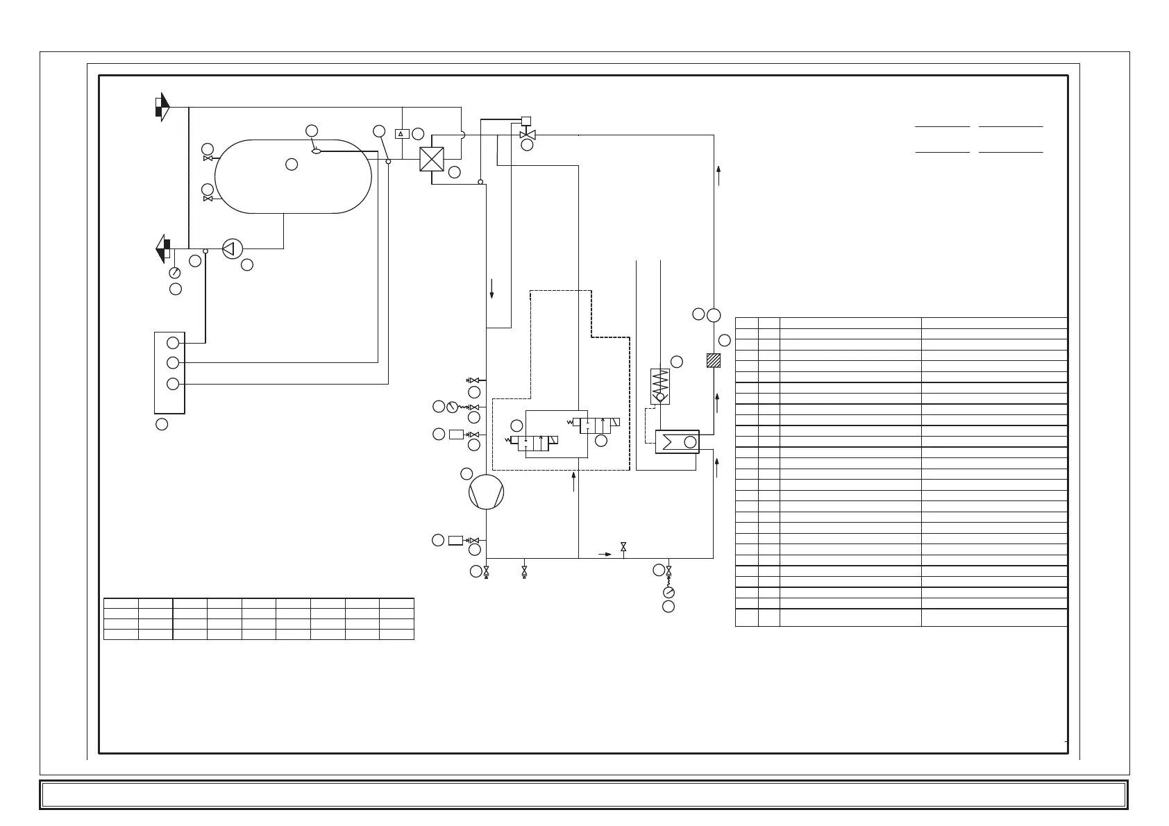
Circuit Diagram ICEP007-014 (water) (Cond. W)
21
ICEP007-024 (60Hz)
17
HP1
ØE
12
19
19
1
18
LP1
19
FG
ØD
11
19
4
5
6
ØC
VALVOLA DI SCARICO ACQUA
SFIATO
POMPA
CONDENSATORE REFRIGERANTE
FILTRO REFRIGERANTE
MANOMETRO ACQUA
COMPRESSORE
MANOMETRO ASPIRAZIONE REFRIGERANTE
MANOMETRO MANDATA REFRIGERANTE
VALVOLA ESPANSIONE
SPIA DI FLUSSO
Ref.Pos.
1
2
MC1
3
4
6
5
7
10
8
9
11
12
M8-P
15
13
14
16
17
REFRIGERANT CONDENSER
DESCRIPTION
COMPRESSOR
REFRIGERANT FILTER
SIGHT GLASS
REFRIGERANT SUCTION MANOMETER
REFRIGERANT DISCHARGE MANOMETER
EXPANSION VALVE
PUMP
WATER DRAIN VALVE
WATER MANOMETER
AIR-HOLE
DENOMINAZIONE
VALVOLA SCHRADER
CONTROLLO ELETTRONICO
SERBATOIO ACQUA
SONDA TEMPERATURA ACQUA IN USCITA
PRESSOSTATO ALTA PRESSIONE
PIPING DIAMETERS (mm)
DIAMETRO TUBAZIONI (mm)
PRESSOSTATO BASSA PRESSIONE
SENSORE LIVELLO ACQUAL1
20
18
19
B1
B2
21
22
A1
25
24
23
LP1
HP1
26
27
WATER OUTLET TEMPERATURE SENSOR
HIGH PRESSURE SWITCH
LOW PRESSURE SWITCH
ELECTRONIC CONTROL
WATER LEVEL SENSOR
SCHRADER VALVE
WATER TANK
ØA
19
2
ØA
WATER INLET
INGRESSO ACQUA
WATER OUTLET
USCITA ACQUA
ELECTRONIC CONTROL
CONTROLLO ELETTRONICO
16
14
15
13
10
B1
7
9
8
20
B2
L1
22
P
21
DP1
SCAMBIATORE APIASTRE
EXCHANGER
WATER DIFF. PRESSURE SWITCH
PRESSOSTATO DIFFERENZIALE ACQUA
ØG
ØG
ØB
19
ØE
TEMPERATURE SENSOR ANTI-FREEZE
SONDA TEMPERATURA ANTIGELO
WATER CIRCUIT
CIRCUITO ACQUA
CIRCUITO FREON
REFRIGERANT CIRCUIT
*
ØE
ØF
OPTION ON REQUEST
OPZIONE A RICHIESTA
ØF
25
24
YV2
YV1
HOT GAS SOLENOID VALVE 1
HOT GAS SOLENOID VALVE 2
ELETTROVALVOLA GAS CALDO 2
ELETTROVALVOLA GAS CALDO 1
007
014
010
MODEL ØE
12
12
12
ØA
10
12
12
ØB
22
ØD
12
16
6
6
6
ØC
12
16
12
10
12
10
ØF
3/4
3/4
3/4
ØG
USCITA ACQUA
WATER OUTLET
INGRESSO ACQUA
WATER INLET
B
A
X
BA
BA
27
WATER PRESSOSTATIC VALVE
VALVOLA PRESSOSTATICA ACQUA
ØH
6
6
6
ØH

Table of Contents