EasyManua.ls Logo

Parker Hyperchill-Plus ICEP007 - Page 82

Parker Hyperchill-Plus ICEP007
98 pages
Print Icon
To Next Page IconTo Next Page
To Next Page IconTo Next Page
To Previous Page IconTo Previous Page
To Previous Page IconTo Previous Page
Loading...
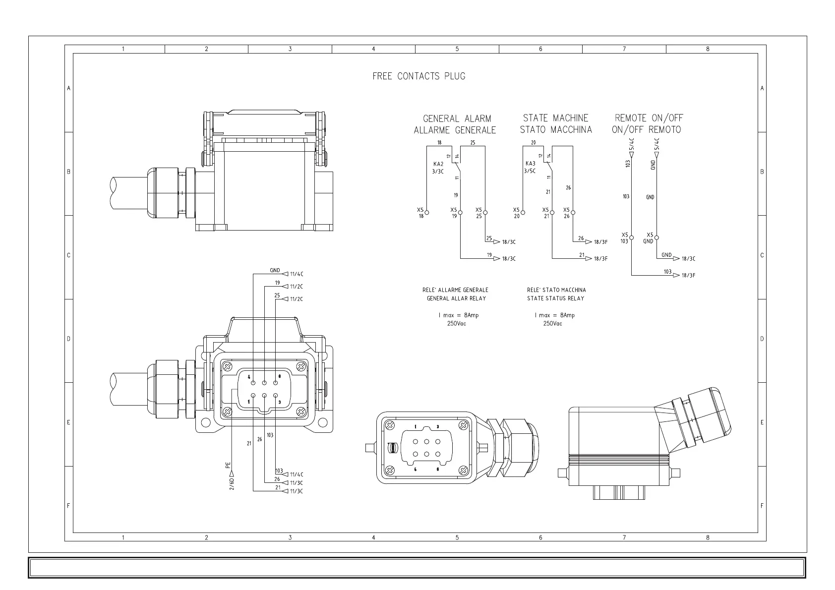
7.7 Wiring diagram ICEP007-014
37
ICEP007-024 (60Hz)
Sheet 12/12
Option
Opzione

Table of Contents