EasyManua.ls Logo

Parker Hyperchill-Plus ICEP007 - Page 87

Parker Hyperchill-Plus ICEP007
98 pages
Print Icon
To Next Page IconTo Next Page
To Next Page IconTo Next Page
To Previous Page IconTo Previous Page
To Previous Page IconTo Previous Page
Loading...
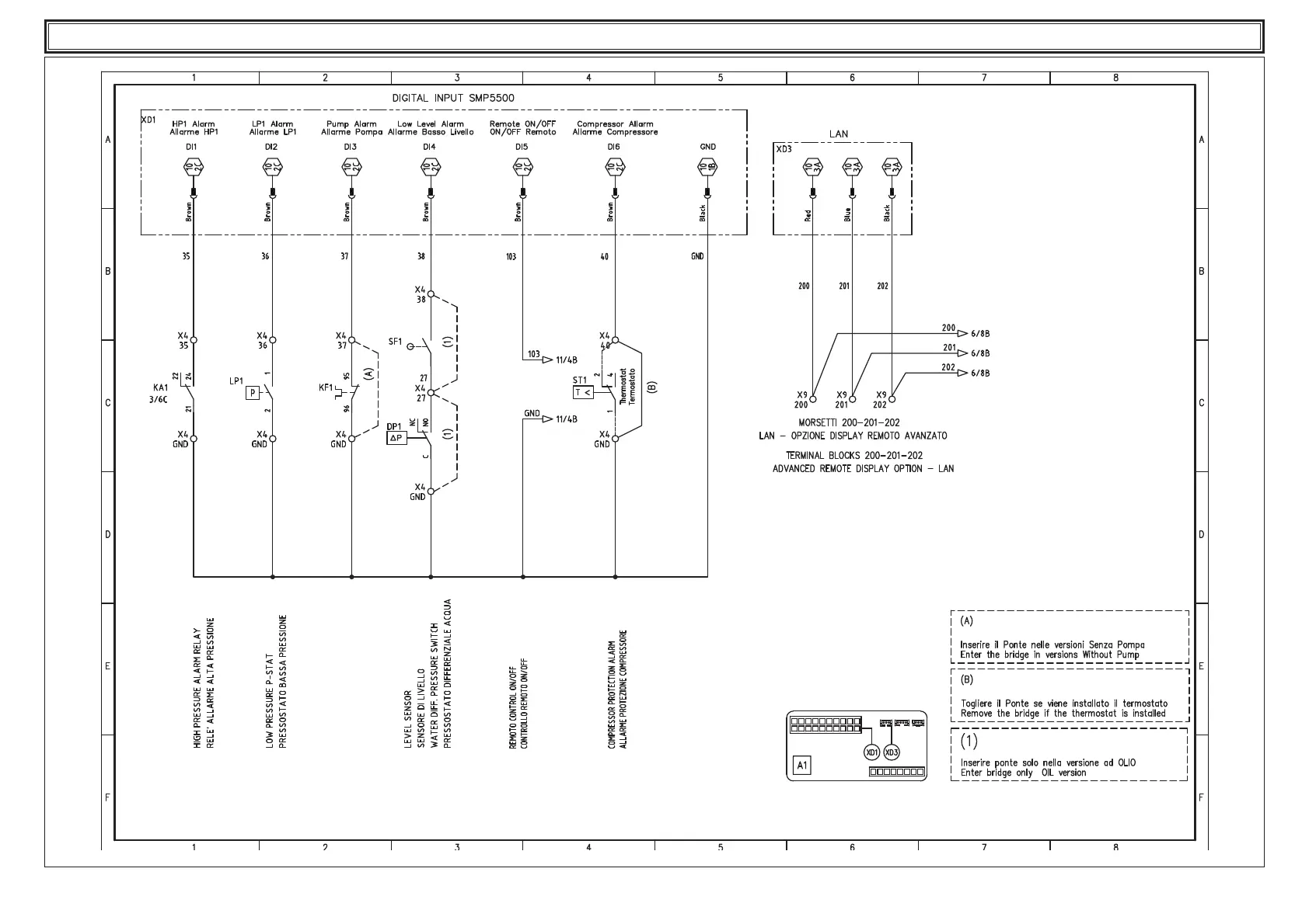
Wiring diagram ICEP020-024
42
ICEP007-024 (60Hz)
Sheet 5/12

Table of Contents