EasyManua.ls Logo

Parker SLVD2N - Page 113

Parker SLVD2N
181 pages
To Next Page IconTo Next Page
To Next Page IconTo Next Page
To Previous Page IconTo Previous Page
To Previous Page IconTo Previous Page
Loading...
Parker Hannifin S.p.A S.B.C. Division SLVDN User’s Manual
Page 113 of 181
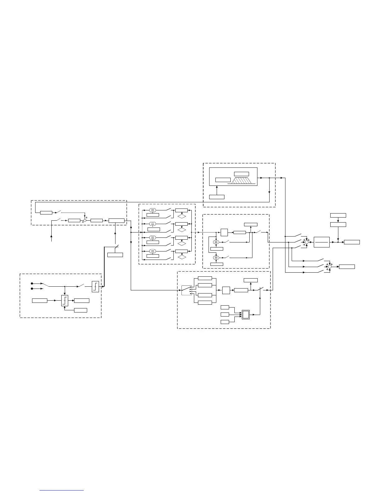
Pr121:120
Pr111:110
Pr113:112
Pr123:122
Pr117:116
TAB3
TAB2
TAB1
TAB0
b180.10
Disengage
Pr185:184
Pr187:186
Pr169:168
TAB0
Pr127:126
Pr129:128
Pr115:114
Pr135:134
Pr119:118
Pr109
Pr108
Target position
Pr101:100
Pr115:114
Pr182
Pr183
Pr61:60
Pr131:130
Acceleration
Speed
Slave position
from cam
Slave axe
module
Engage phase
Disengage phase
Cam data
TAB1
TAB2
TAB3
Pr171:170
Pr173:172
Pr175:174
b180.11
b180.13
Engage
Single shot
Modulo asse
slave
Position value
Cam data
Master axe
position
Master axe
module
Master position
Master axe
position offset
b150.3
b150.6
b150.12
b150.13
b180.9
b180.0
b180.4
b180.1
b180.5
b180.2
b180.6
b180.3
b180.7
b181.0
b181.1
b181.2
b181.3
b181.15
b181.14
b181.13
b181.11
b181.9
b181.10
Multiplicative factor
of reference
Reference
module position
Slave axis module
Regulation
reference position
Auxiliary
incremental counter
Divisor factorof
reference
Master axe
phase
Positioning
CAM1
CAM1 selection
table
CAM2
Master reference
Master position
Din 0
Zero
encoder
Pr125:124
b70.14
Master axe phase
caught
Positive edge
detector
Positive edge
detector
Master quota caught
b70.0 b150.8
Master quota and
master rephasing
Master axe position
Pr113:112
OPM11

Table of Contents

Related product manuals