EasyManua.ls Logo

Parker SLVD2N - Page 81

Parker SLVD2N
181 pages
Print Icon
To Next Page IconTo Next Page
To Next Page IconTo Next Page
To Previous Page IconTo Previous Page
To Previous Page IconTo Previous Page
Loading...
Parker Hannifin S.p.A S.B.C. Division SLVDN User’s Manual
Page 81 of 181
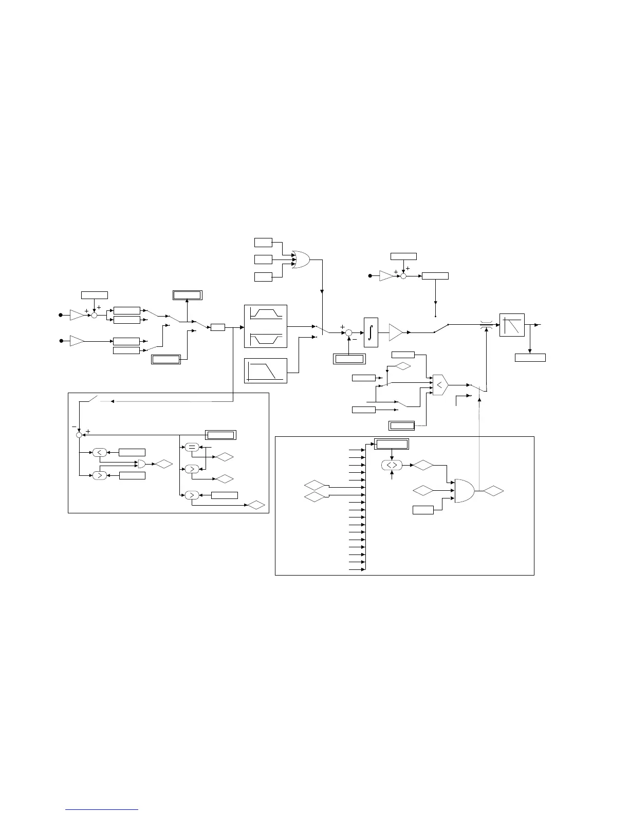
Pr16
Pr10
Pr17
Pr9
Pr11
Pr8
Pr12
Pr19
41.11
Pr33
40.3
Pr7
Pr6
Pr22
Pr21
No
torque
Pr18
Pr35
Pr1
Pr5
Pr4
Pr3
Pr2
A/D
A/F
Accel and decel
ramp
acc dec
max
Band limiter
Torque monitor
Torque limit
Analogue auxiliary input
Motor
Nominal current
I
2
t active
Peak current
Integer gain
dampening
Pr0
Motor speed
Stop ramp
Reference hold
Main reference
Reserved reference
Internal reference
Frequency reference
Reference offset
Full scale ref 1
st
Full scale ref. 2
nd
b40.0
b40.12
b40.2
b40.13
b40.8
Pr0
41.2
41.3
41.0
41.1
Pr13
Pr14
Pr15
Motor speed
Zero speed
forward
Overspeed limit
High speed limit
Loww speed limit
Over
speed
In speed
b40.7
Pr23
41.4
41.5
41.7
41.8
40.9
41.12
“0”
Drive enable
Software enable
Hardware enable
Drive ok
overvoltage
undervoltage
External alarm
Auxiliary alarm
PTC alarm active
40.4
40.5
40.6
Left limit
Right limit
Stop
Current
limit
Stop
control
Speed window
Alarm
management
overcurrent
Speed loop FBK error
Converter
overtemperature
Default
parameter
Check Sum parameter
Ambient overtemperature
Braking resistance protection
Speed FBK initializing error
Brake overcurrent
Check Sum PLC
0
Pr1
Pr45
Analogue
reference
input
Analogue reference offset
Main analogue input
A/D
b42.2
Analog input
Frequency
input
“0”
Brake overload
Calibra error

Table of Contents

Related product manuals