EasyManua.ls Logo

Parker SLVD2N - Page 83

Parker SLVD2N
181 pages
Print Icon
To Next Page IconTo Next Page
To Next Page IconTo Next Page
To Previous Page IconTo Previous Page
To Previous Page IconTo Previous Page
Loading...
Parker Hannifin S.p.A S.B.C. Division SLVDN User’s Manual
Page 83 of 181
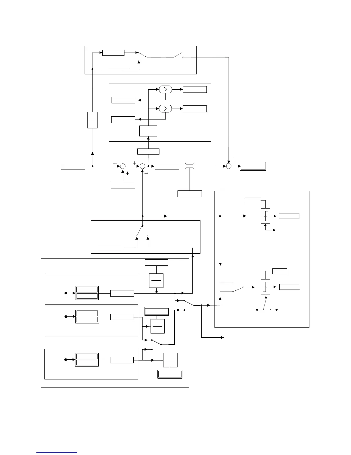
b70.9
abs()
d
dt
Pr63:62
Pr69:68
Pr65:64
Pr50
Pr57
Pr61:60
Pr6
Pr106
b70.4
Pr55
Pr56
b70.5
Pr51
b70.15
b70.1
b70.7 b70.6
X4 -12
Digital input 1
Servo error
Servo error
Servo window 2
Servo window 1
Window of position error
Reference speed
feedforward
Feedforward
scale
Position error
Reference position
Position offset
Max speed
Proportional gain for
the positioner
regulator
Speed reference
Motor quota caugth
Quota caugth
Motor position
Caugth position
Pr59:58
b70.14
b70.0
b180.14
Zero
encoder
X4 - 13
Digital input 0
Quota caugth
Master quota caugth
Master
speed
Master reference
(operative mode)
Feedback
Motor feedback
encoder
d
dt
Pr159
Pr157:156
Pr67:66
Pr154
Pr155
Pr53
Pr52
X2
X1
Reference multiplier
encoder IN
Counter encoder
IN
Counter CAN
input
Master speed
Reference divider encoder IN
Reference CAN
divider
Master reference
reference CAN multiplier
Encoder
input
b42.5
encoder
Encoder
CAN input
d
dt
Pr54
Pr216
Pr215:214
Pr212
Pr213
IN2/IN3
counter Fre/dir
Master speed
Reference Fre/dir
divider
Freq/Dir
Quadra.
b42.4
Freq/dir – Quadrature
Reference Fre/dir multiplier
b70.13
d
dt

Table of Contents

Related product manuals