EasyManua.ls Logo

PAT Hirschmann DS85 - Length;Angle Sensor Wiring Diagram

PAT Hirschmann DS85
61 pages
Print Icon
To Next Page IconTo Next Page
To Next Page IconTo Next Page
To Previous Page IconTo Previous Page
To Previous Page IconTo Previous Page
Loading...
© Hirschmann Rev. G 10/05/15 190166_G.DOCXG
33
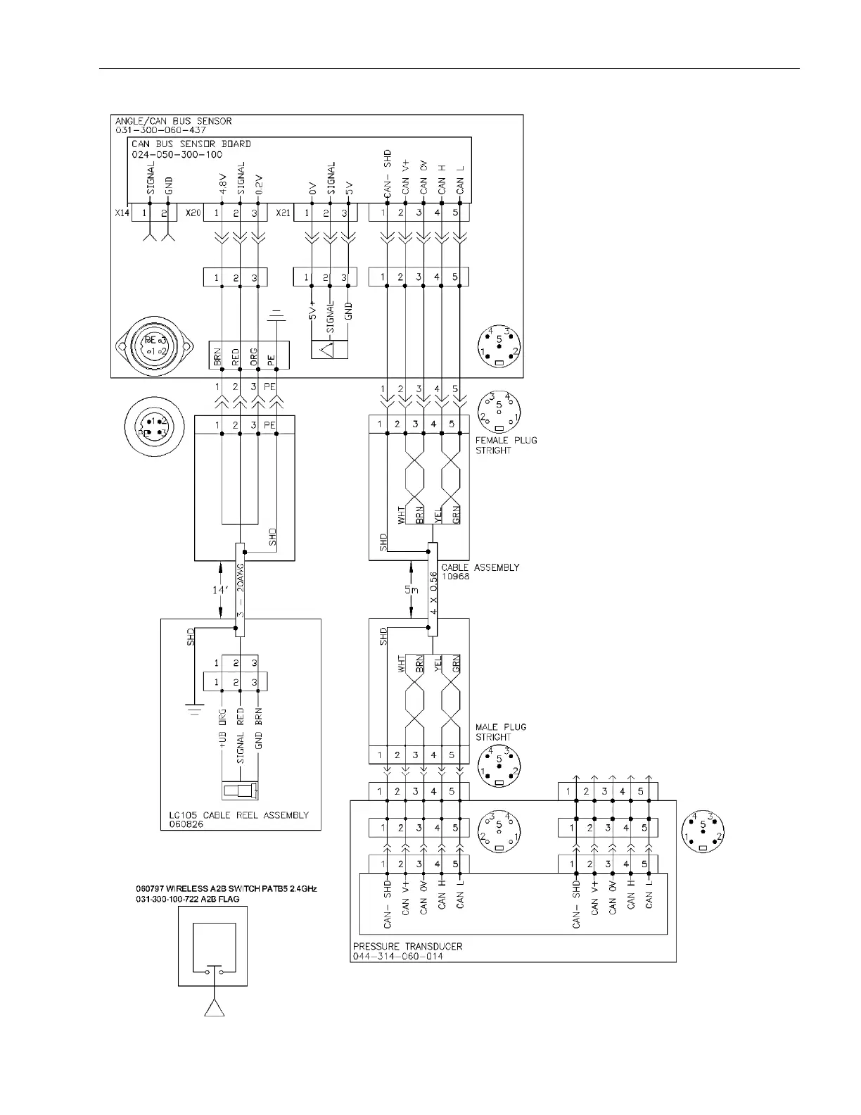
15.2 LENGTH/ANGLE SENSOR WIRING DIAGRAM

Related product manuals