EasyManua.ls Logo

PCS 4LHD - Page 40

PCS 4LHD
80 pages
Print Icon
To Next Page IconTo Next Page
To Next Page IconTo Next Page
To Previous Page IconTo Previous Page
To Previous Page IconTo Previous Page
Loading...
Page 34
Ph: 804.227.3023
10511 Old Ridge Rd. Ashland, VA 23005
4LHD/4LHDX Application Manual
Powertrain Control Solutions
REV 1.1
GM 4WD Extension Housing
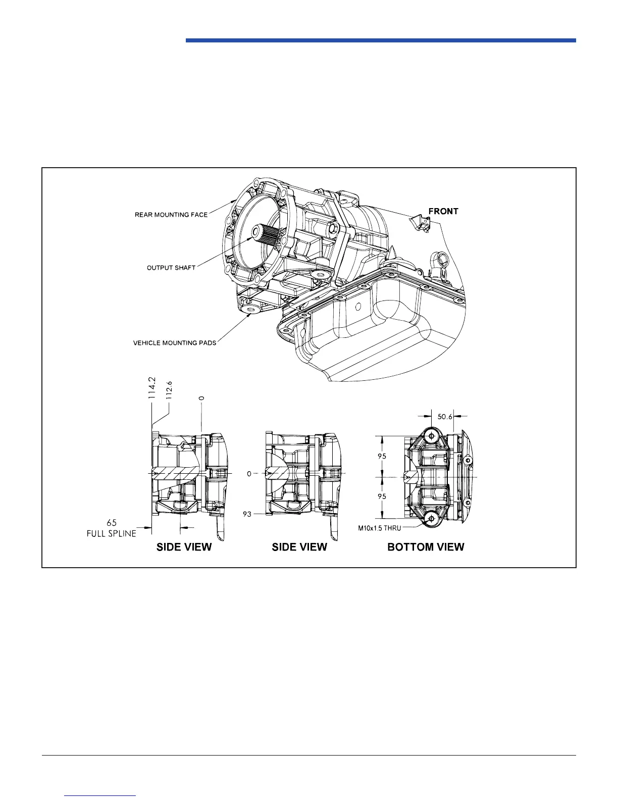
Shown in Figures 2.2.3-2 and 2.2.3-3 is the PCS approved two speed electronic shifting transfer case. 2Hi, 4Hi, Neutral,
and 4Lo are controlled via an external PCS Transfer Case Module. The rear output shaft takes a GM 32 tooth female yoke,
while the front output shaft takes a GM 32 tooth make yoke. Reference the PCS OEM Parts Catalog for part numbers.
Figure 2.2.3-2: GM 4WD Extension Housing

Table of Contents