EasyManua.ls Logo

Peavey CD Mix 9072A

Peavey CD Mix 9072A
16 pages
To Next Page IconTo Next Page
To Next Page IconTo Next Page
To Previous Page IconTo Previous Page
To Previous Page IconTo Previous Page
Loading...
_
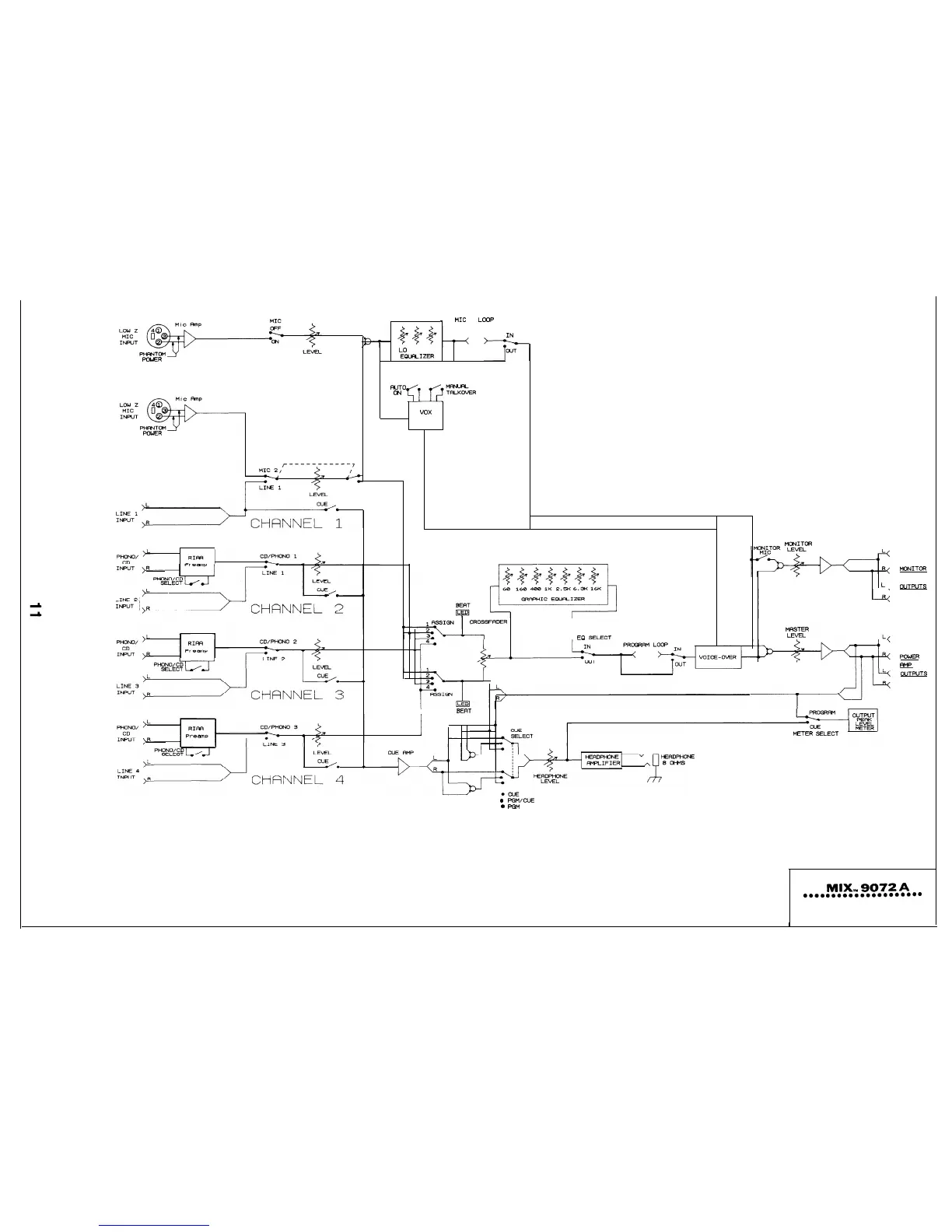
MIC
LOOP
IN
POWER
LO MID HI
EOtJ%IZER
MIC 1
RUT0
ON
VOX
POWER
MIC 2
MONITOR
MONITOR
L
OUTPUTS
CROSSFADER
MRSTER
EP SELECT
POWER
AMP
OUTPUTS
BEAT
METER SELECT
.
PGM/CUE
0 PGM
CD MlXn.
9072A
•m~m~~em~~me~*om~mee*
Professional DJ Mixer
I

Related product manuals