EasyManua.ls Logo

peerless-AV SA752PU - Page 27

peerless-AV SA752PU
58 pages
Print Icon
To Next Page IconTo Next Page
To Next Page IconTo Next Page
To Previous Page IconTo Previous Page
To Previous Page IconTo Previous Page
Loading...
27 de 58
PUBLICADO: 10-30-09 HOJA #: 095-9297-7 07-11-11
Español
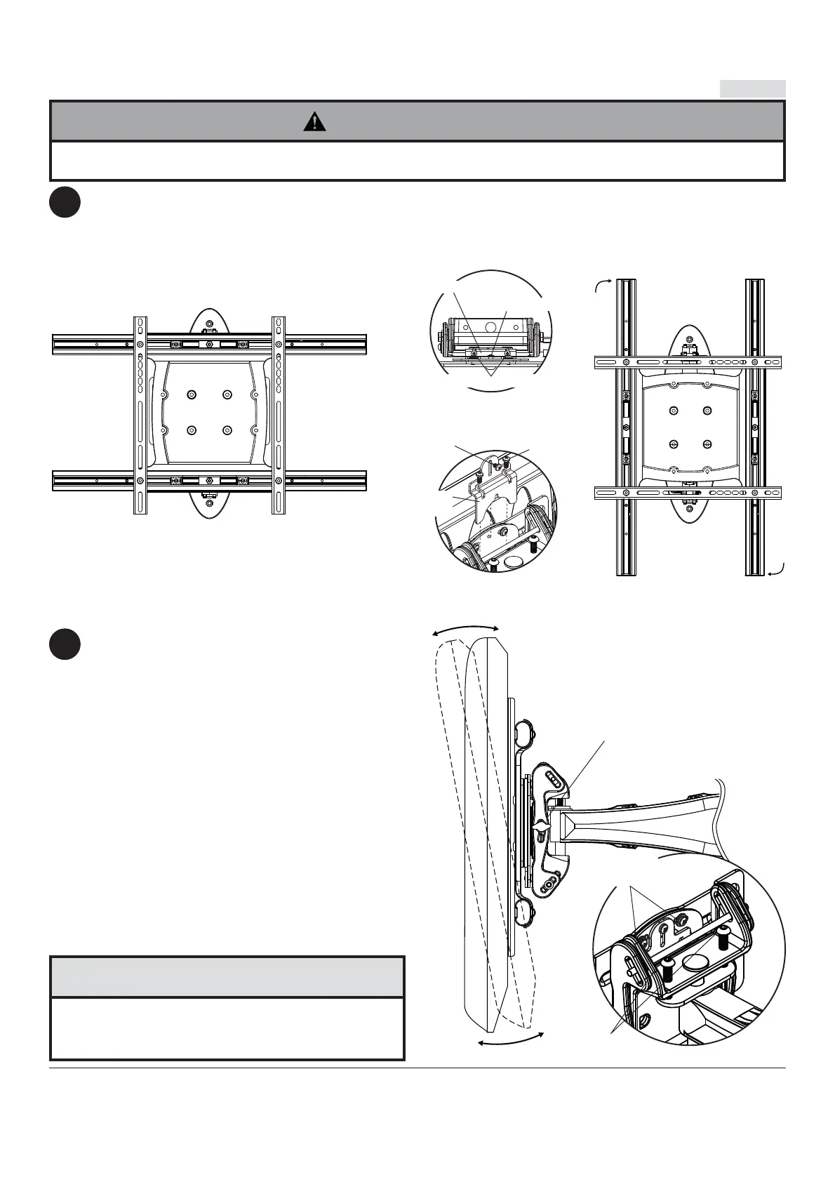
PARA COLOCAR LA PANTALLA VERTICAL U HORIZONTALMENTE: Quite los dos tornillos de M5 x 12mm, una
tornillos de M5 x 6mm y el bloque rotatorio de la parte superior del cabezal inclinable, como se muestra en la vista
superior y en la vista trasera. Sujete, suavemente, los lados de la pantalla y gire la pantalla hasta una posición
vertical u horizontal, como se muestra en la fi gura 5.1, y reinstale el bloque rotatorio con los dos tornillos de
M5 x 12mm y una tornillos de M5 x 6mm. NOTA: tornillo M5 x 6mm requerido en orientación horizontal solamente.
Ajuste de la INCLINACIÓN: Ajuste la perrilla de tensión
que se encuentra en el lado del soporte al grado de tensión
deseado para poder ajustar la inclinación y balancear el
tamaño y el peso de la pantalla. Mueva la parte superior
o la parte inferior de la pantalla tirando de la misma o
empujándola para ajustar la inclinación, como se muestra.
La inclinación se puede ajustar hasta un máximo de 10°
hacia delante o de 5° hacia atrás. Vuelva a apretar la perilla
de tensión. NOTA: Para pantallas más grandes, tornillo de
tensión en el lado opuesto de montaje puede ser necesario
apretarse con 5/32" llave allen (M).
Ajuste de la ROTACIÓN: Rote la pantalla, 5° en el sentido
de las manecillas del reloj o en el sentido contrario, nivele
la pantalla y luego apriete los tornillos de M5 x 10mm
utilizando una llave allen de 5mm (I), como se muestra en el
detalle 1.
AJUSTE VERTICAL DE LA ALTURA: Apriete o afl oje los
dos tornillos de M8 x 40mm el mismo número de veces
hasta llegar a ± 1" de ajuste vertical de la altura, como se
muestra en el detalle 1.
Ajuste de la Pantalla Plana
5
6
PERILLA DE TENSIÓN
No apriete los tornillos con fuerza excesiva.
Tenga cuidado de no pincharse los dedos cuando ex-
tienda y recoja el soporte contra la pared.
PRECAUCIÓN
VISTA SUPERIOR
VISTA TRASERA
DETALLE 1
M5 X 10MM
TORNILLOS
M8 X 40MM
TORNILLOS
Trabar la placa de pared montaje (A) con los tornillos M10 x 15mm (E) antes de cambiar la orientación. Puede
causar que la pantalla se desprenda de la unidad de soporte si le dan un golpe accidentalmente.
ADVERTENCIA
g. 5.1
BLOQUE ROTATORIO
BLOQUE
ROTATORIO
M5 X 12MM TORNILLOS
M5 X 6MM TORNILLOS
M5 X 12MM
TORNILLOS
M5 X 12MM
TORNILLOS

Related product manuals