EasyManua.ls Logo

PeerlessBoilers Peerless PureFire PFC-460 - Page 36

PeerlessBoilers Peerless PureFire PFC-460
90 pages
Print Icon
To Next Page IconTo Next Page
To Next Page IconTo Next Page
To Previous Page IconTo Previous Page
To Previous Page IconTo Previous Page
Loading...
34
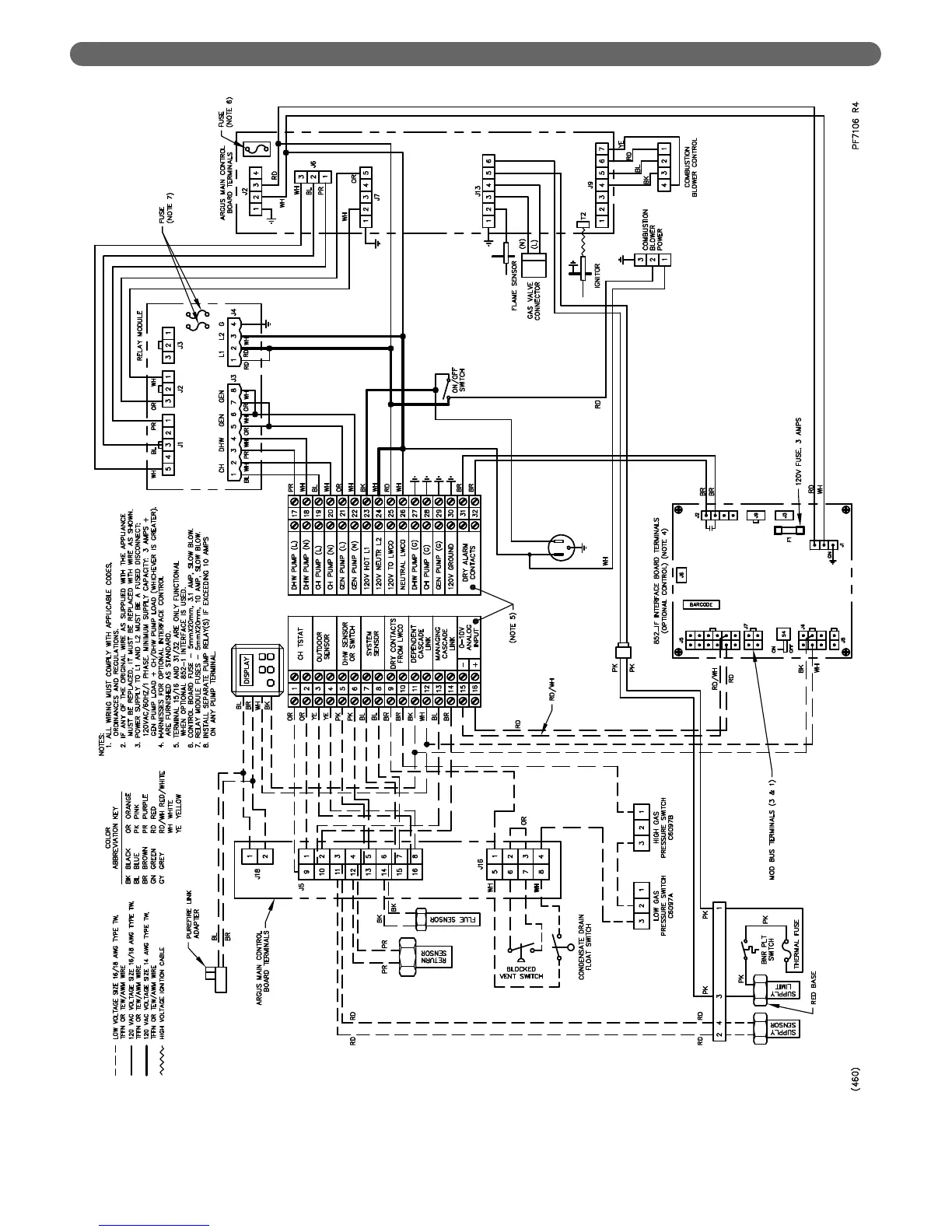
Figure 7.4: Internal Wiring Schematic for PFC-460.
ELECTRICAL CONNECTIONS

Table of Contents

Related product manuals