EasyManua.ls Logo

Perkins 103-07 - Page 97

Perkins 103-07
144 pages
Print Icon
To Next Page IconTo Next Page
To Next Page IconTo Next Page
To Previous Page IconTo Previous Page
To Previous Page IconTo Previous Page
Loading...
8
Workshop Manual, TPD 1377E, issue 4 87
100 Series
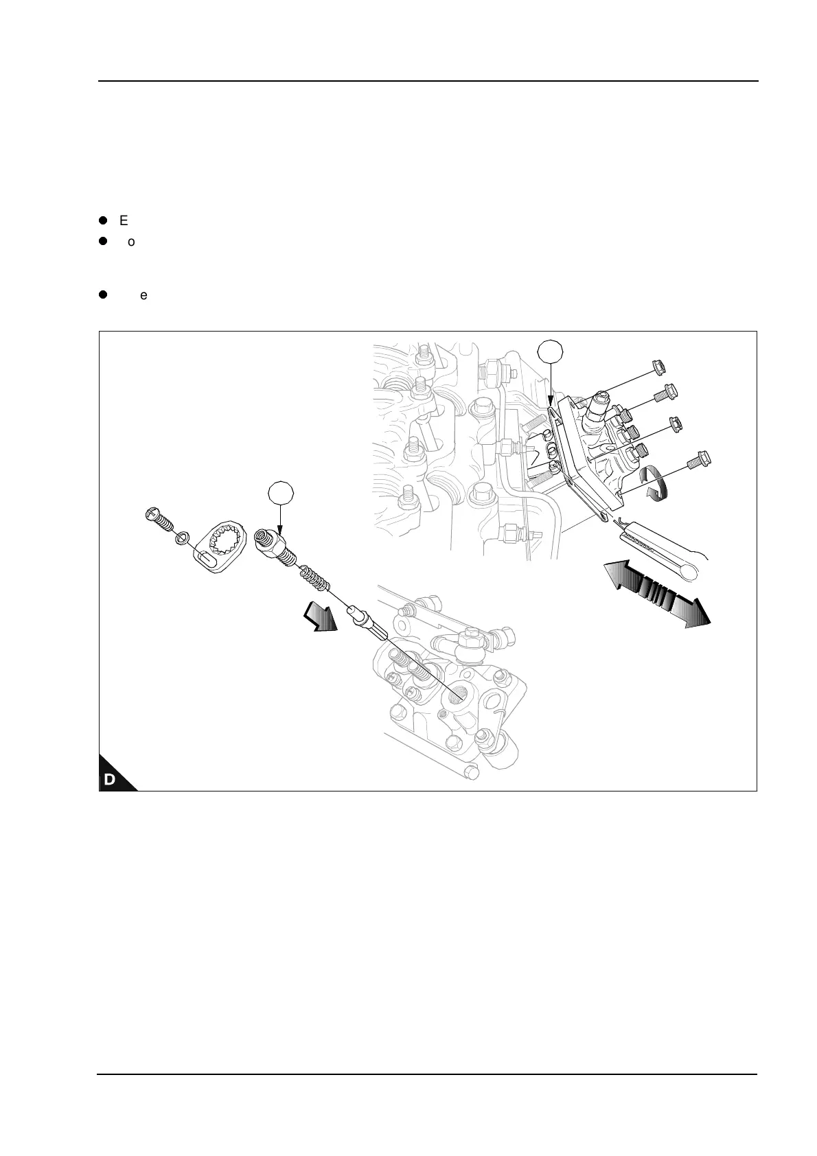
9 If engine timing is incorrect adjust the thickness of shim (D2) to correct.
Note: If the shim thickness is adjusted by 0,1 mm, the timing will alter by approximately one degree. An
increase in the number of shims will retard the timing, but if the number of shims are decreased this will
advance the timing.
10 Fit the delivery valve.
Notes:
Ensure that the delivery valve holder (D1) is tightened to the specified torque.
For emissions approved engines. If it is necessary to change the fuel injection pump, the fuel delivery must
be reset on a suitable test dynamometer with the new pump. The procedure above, on injection pump
timing explains how to change the timing.
When changing the timing, it is important that this procedure is done before the engine is tested on a
suitable dynamometer.
1
2
This document has been printed from SPI². Not for Resale

Table of Contents

Related product manuals