EasyManua.ls Logo

Pfannenberg DTT 6201 - Electrical Circuit Diagram - Multi-Controller (MC)

Pfannenberg DTT 6201
79 pages
Print Icon
To Next Page IconTo Next Page
To Next Page IconTo Next Page
To Previous Page IconTo Previous Page
To Previous Page IconTo Previous Page
Loading...
ENG
Operating Manual | Roof-mounted Cooling Unit | Multi Controller (MC) 230 V | 086100023d 43/80
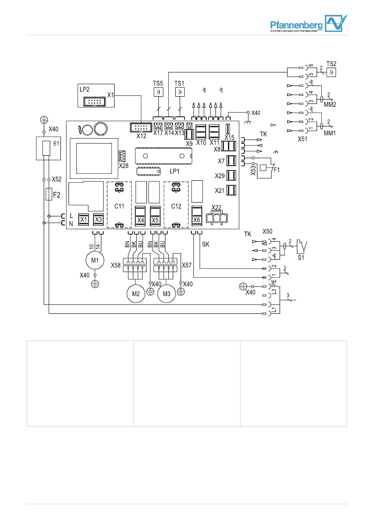
4.6.2 Electrical circuit diagram – Multi-Controller (MC)
Fig. 22: Circuit diagram
C11 Capacitor condenser fan
C12 Capacitor evaporator fan
E1 Condensate evaporation
F1 High-pressure pressostat
F2 Fuse
LP1 Controller
LP2 Display control unit (MC)
M1 Compressor
M2 Condenser fan (external)
M3 Evaporator fan (internal)
MM1 Multimaster input
MM2 Multimaster output
S1 Door contact
SK Fault signal contact (1,2)
TK Door contact (3,4)
TS1 Temperature sensor (internal)
TS2 Temperature sensor (external)
TS5 Temperature sensor (internal)
X40 Ground terminal contact
X50 Mains terminal contact + door
contact + fault indication
X51 Multimaster terminal contact +
temperature sensor (external)
X52 Heater condensate contact
X53 High-pressure pressostat contact
085 000 438 11189-827b
N
L
3,4 - Türkontakt/ door contact/ contact de porte
1,2 - Störmeldung/ failure indication/ contact sec de défaut
max. 2,5mm²/
AWG 14
Tür geschlossen/door closed/porte fermé
Tür offen / door open / porte ouvert
câble de secteur
Netzkabel/ power cable/
2
1
2
3
1
2
3
1
2
3
1
3
2
1
1
3
11
12
1 2
1
2
33
2
2
2
2
2
1
P>
X50.9 "4"
X50.8 "3"
X50.7
2
1
3
WH
BN
2
2
X51.5 "4"
X51.4 "3"
X51.6
X51.2 "2"
X51.1 "1"
X51.3
1
2
3
1
2
3
1
3
3
2
X10.1
X10.2
X10.3
X11.2
X11.1
X11.3
X8.2
X8.1
X8.3
1
2
3
1
2
3
2
3
1
2
1
2
3
4
5
6
7
8
9
1
2
3
4
5
6
7
8
max. 2,5mm²/
AWG 14
3
4
2
1
3
4
1
2
BK
BU
BN
GNYE
2
1
3
GNYE
3
4
2
1
3
4
1
2
BK
BU
BN
GNYE
2
1
3
GNYE
C11/1
C11/2
C11/3
C12/3
C12/2
C12/1
L2
N
3
2
2

Table of Contents

Related product manuals