EasyManua.ls Logo

Philips 231E1HSB/00 - Page 27

Philips 231E1HSB/00
69 pages
Print Icon
To Next Page IconTo Next Page
To Next Page IconTo Next Page
To Previous Page IconTo Previous Page
To Previous Page IconTo Previous Page
Loading...
231E
LCD
27
22
0EW9 LCD
27
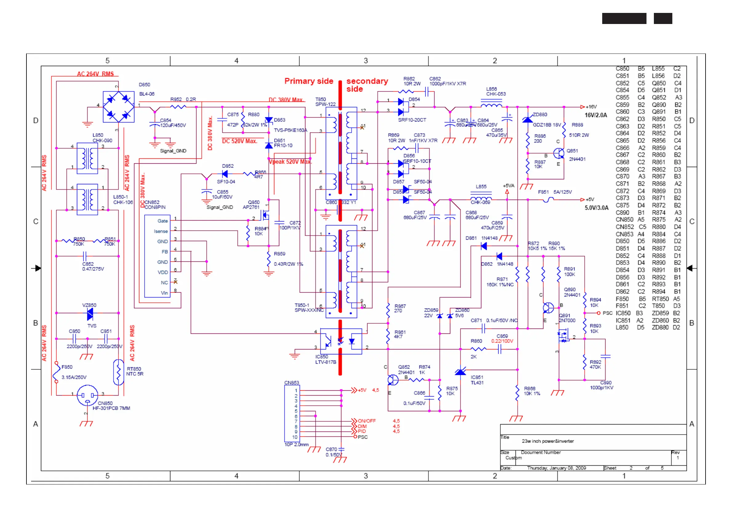
Schematic Diagram(Power Board)

Related product manuals