EasyManua.ls Logo

Philips 32PFL3409/98 - RT9199, TDA9885 Data Sheets

Philips 32PFL3409/98
72 pages
Print Icon
To Next Page IconTo Next Page
To Next Page IconTo Next Page
To Previous Page IconTo Previous Page
To Previous Page IconTo Previous Page
Loading...
IC Data Sheets
EN 31TCM3.1A LA 8.
2010-Jun-25
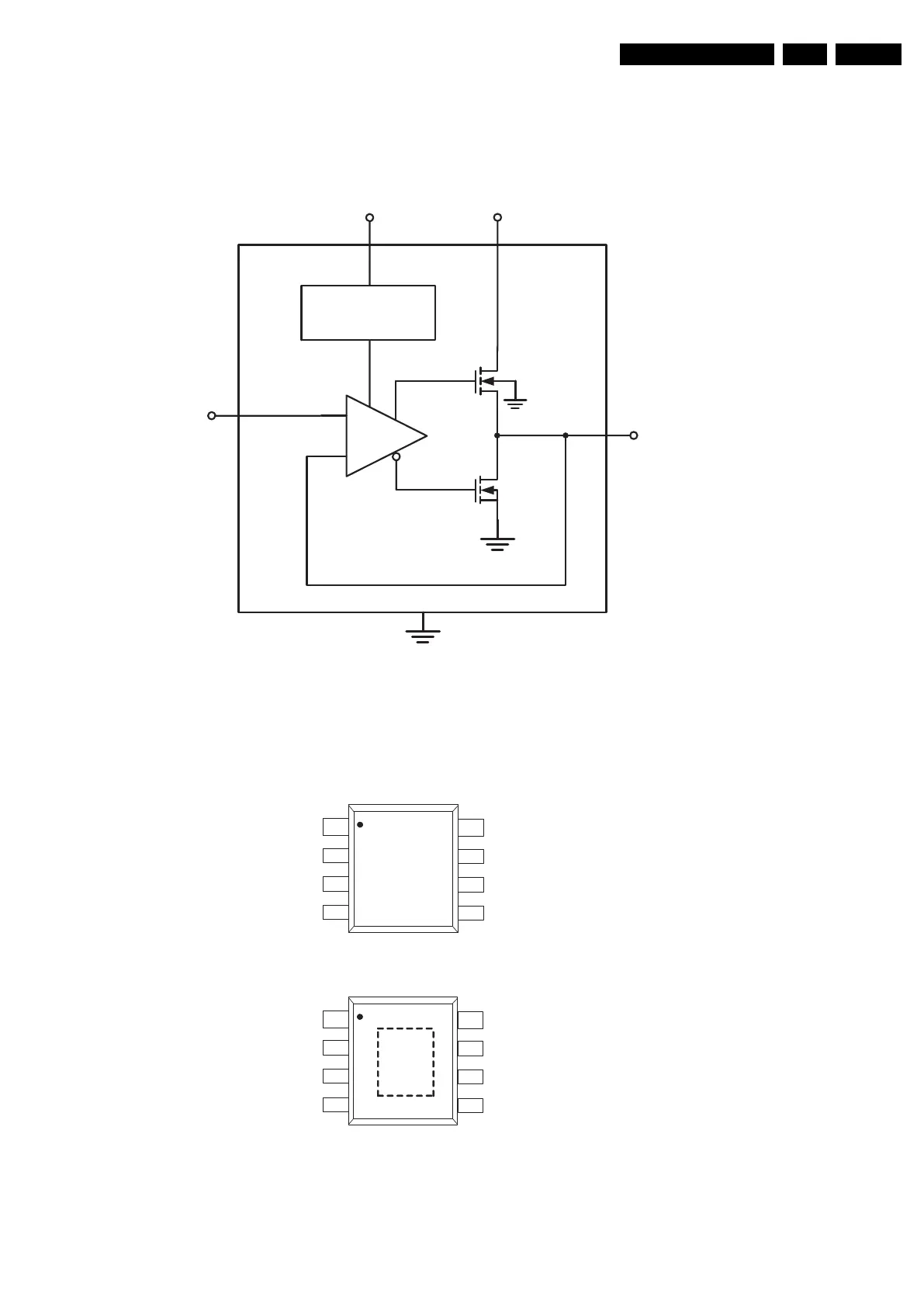
8.7 Diagram B03, RT9199 (IC U1)
Figure 8-7 Internal block diagram and pin configuration
Block Diagram
Pin Configuration
18520_314_090327.eps
090327
GND
VCNTL
REFEN
Current Limit
Thermal Protection
VOUT
EA
+
-
VIN
(TOP VIEW)
SOP-8
VIN
GND
REFEN
VOUT
VCNTL
2
3
4
5
6
7
8
VCNTL
VCNTL
VCNTL
SOP-8 (Exposed Pad)
VIN
GND
REFEN
VOUT
NC
NC
NC
VCNTL
GND
2
3
4
5
6
7
8