EasyManua.ls Logo

Philips 32PFL3409/98 - PSU: Power Supply Unit (47) (A2)

Philips 32PFL3409/98
72 pages
Print Icon
To Next Page IconTo Next Page
To Next Page IconTo Next Page
To Previous Page IconTo Previous Page
To Previous Page IconTo Previous Page
Loading...
Circuit Diagrams and PWB Layouts
EN 49TCM3.1A LA 10.
2010-Jun-25
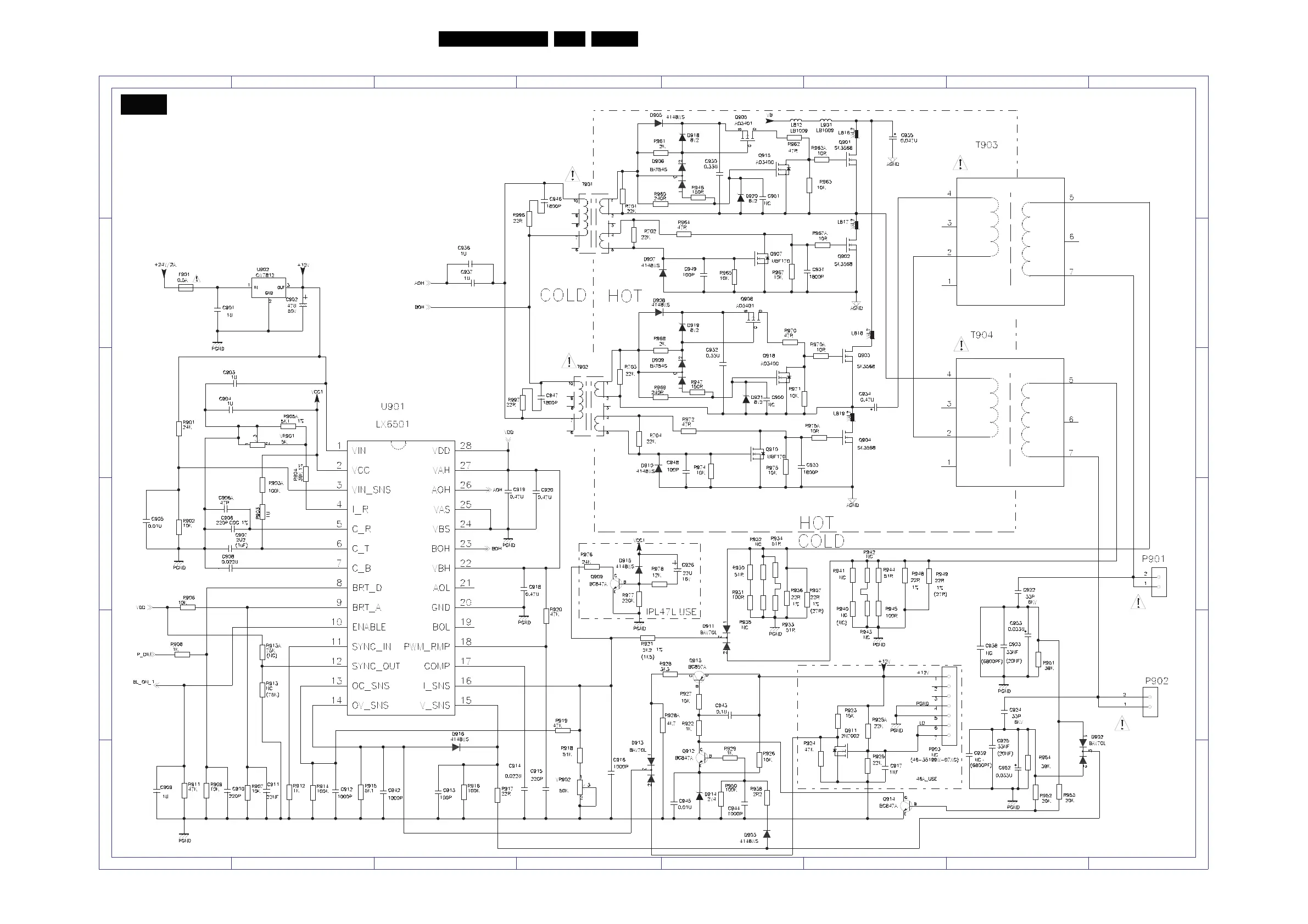
PSU: Power Supply Unit (47")
A
3 21
F
E
D
C
B
8 765
5
4 3 21
F
E
D
C
B
A
4678
A2
Power Supply Unit (47")
18520_545_090313.eps
090313