EasyManua.ls Logo

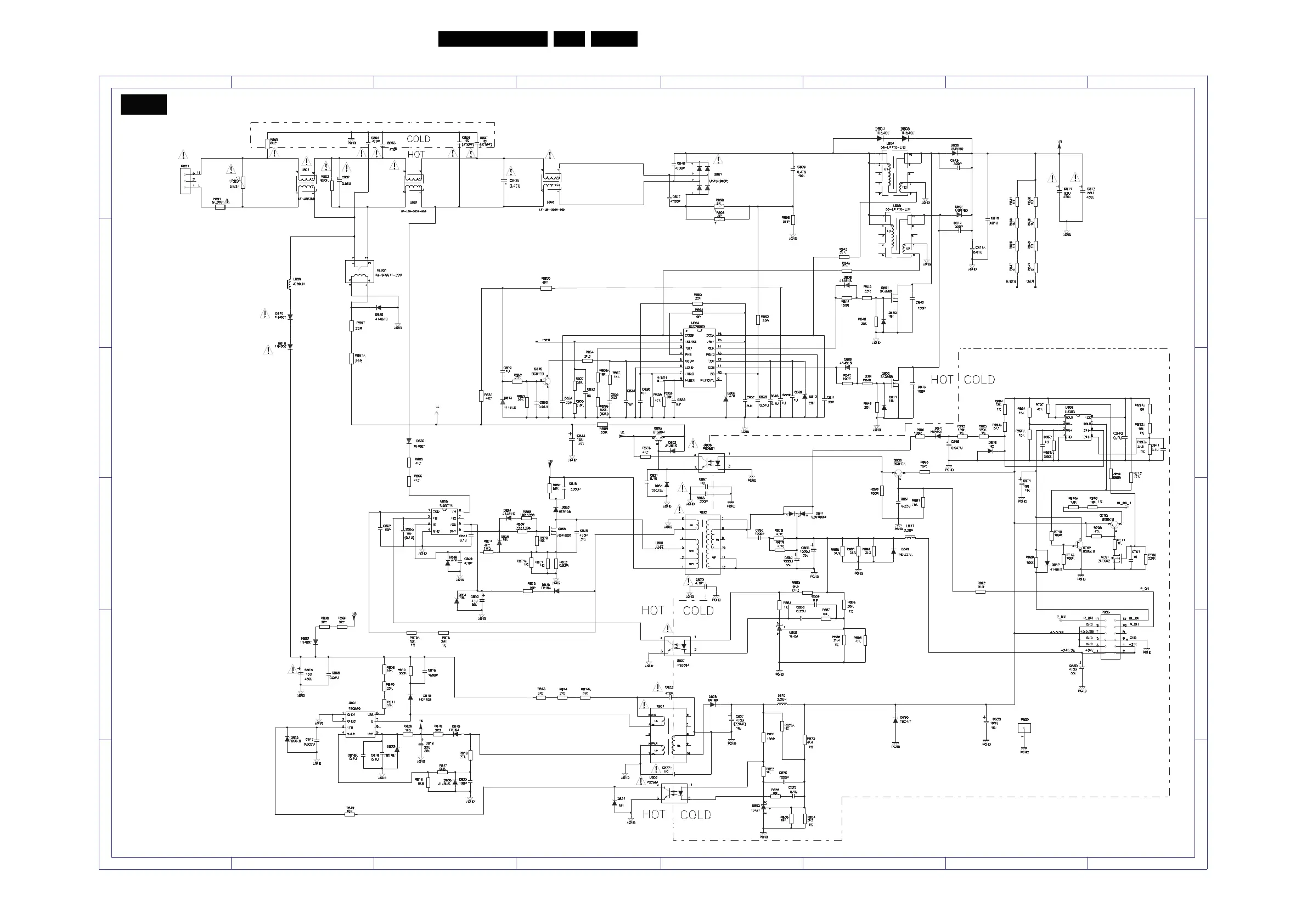
Philips 32PFL3409/98 - PSU: Power Supply Unit (47) (A1)

Philips 32PFL3409/98
72 pages
Print Icon
To Next Page IconTo Next Page
To Next Page IconTo Next Page
To Previous Page IconTo Previous Page
To Previous Page IconTo Previous Page
Loading...
EN 48TCM3.1A LA 10.
Circuit Diagrams and PWB Layouts
2010-Jun-25
PSU: Power Supply Unit (47")
A
3 21
F
E
D
C
B
8 765
5
4 3 21
F
E
D
C
B
A
4678
A1
Power Supply Unit (47")
18520_544_090313.eps
090313