EasyManua.ls Logo

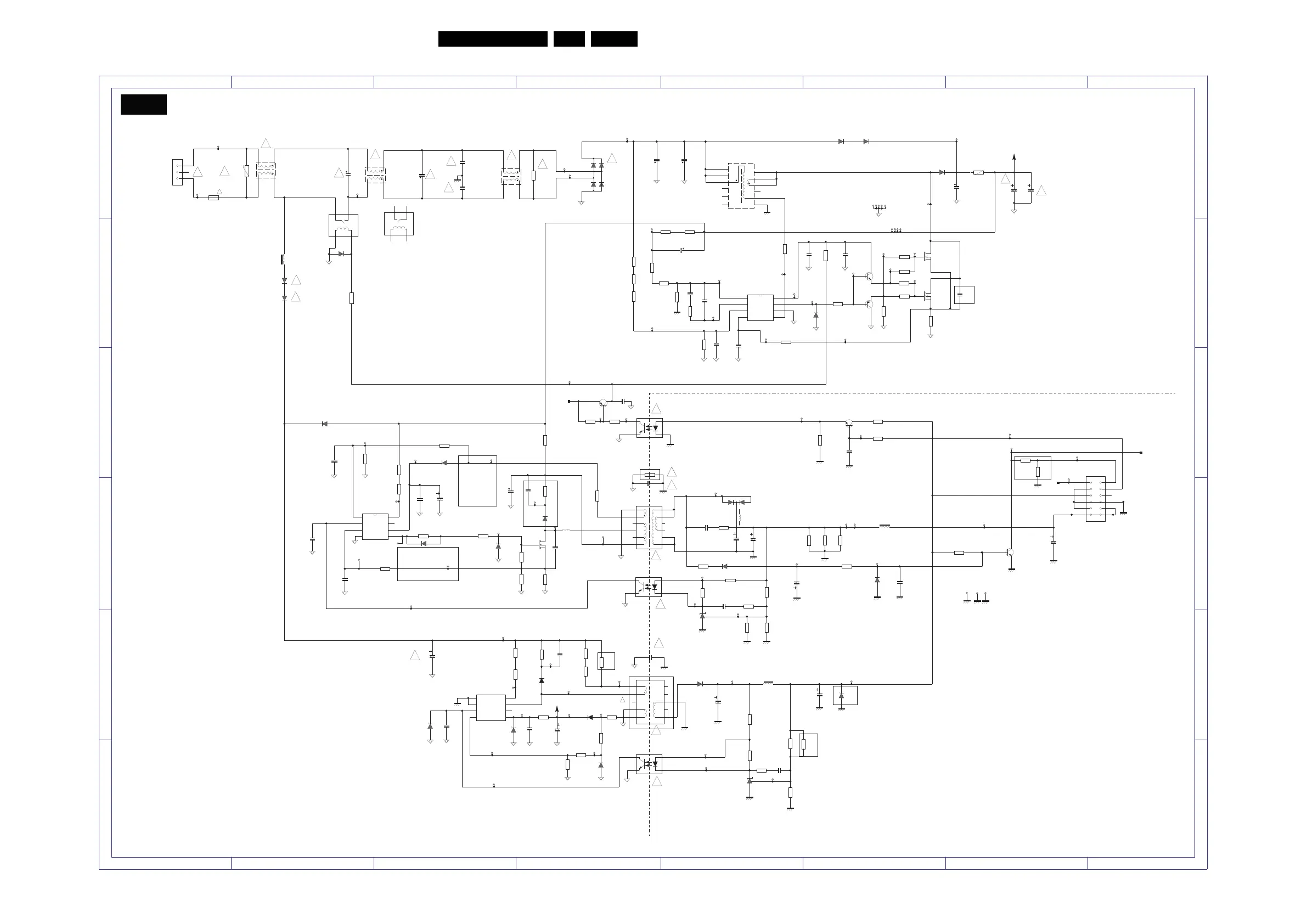
Philips 32PFL3409/98 - PSU: Power Supply Unit (42) (A1)

Philips 32PFL3409/98
72 pages
Print Icon
To Next Page IconTo Next Page
To Next Page IconTo Next Page
To Previous Page IconTo Previous Page
To Previous Page IconTo Previous Page
Loading...
EN 44TCM3.1A LA 10.
Circuit Diagrams and PWB Layouts
2010-Jun-25
PSU: Power Supply Unit (42")
A
3 21
F
E
D
C
B
8 765
5
4 3 21
F
E
D
C
B
A
4678
A1
Power Supply Unit (42")
I
I
I
I
I
I
I
I
I II
I II
I
I
I
I
I
I I
I
I
I
I
I
I
I
I
I
I
I
I
I
I
I
I
I
I
I
I
I
I
I
I
I
I
I
I
I
I
I
I
I
I
I
I
I
I
I
I
I
I
I
I I
I
!
!
!
!
!
!
PGND
PGND
NP1
NP2
ND
NS'
NS
!
+
~~ -
VAL?
!
!
!
!
!
V
!
OUT
VCC
NC
VH
GND
IS
FB
ZCD
!
VCC
D
VSS
SYNC
VFB
GND2
GND1
N2
N1
PGND
!
!
2
3
4
1
2
3
4
1
VOL?
!
!
!
!
!
!
!
T
!
!
!
I
I
I
VC+
DRAIN
16V
GND
NP
ND
NS
II
I
I
I
I
I
I
I
INV
ZCD
MULT GND
CS
GDCOMP
VCC
I
N
L
3V
HOT
COLD
C826
0.022U
Z130
RL255
D810
D811
RL255
3A/600V
47K
R858
1
5
3 6
4
72
8
U806
L6562A
Z122
68R
R871
Z67
Z109
4K7
R875
Z117
R835
10M
Z5
VBUS
Z41
Z7
Z22 Z21
10
3
6
7
8
9
1
2
4
5
T802
PGND
Z42
Z32
R841
39K
R886
1K
R803
22K
Z1
R853A
240K
4V7
D807
D801
5V6
R874
47K
1
10
11 12
2
3 4
56
7 8
9
P802
27K
R887
FR104
D829
220P
C833
C807
330P
R809
10R
R859
0.33R
5R
R860
C839
NC
NC
L805
C815
680P
R807
47R
47R
R806
0.1U
C813
1
2
3
D806
YG902C
C842
220P
5K1
R
853
C820
0.15U
R838
1K2
470R
R881
1
2
3
4
K801A
C812
1U
R804
10R
10R
R805
R829
100R
27K
R866
10R
R849
R888
39K
47P
C801
4R7
R865
R870
1K
6K8
R864
R880
6K8
4K7
R885
10K
R868
0.1U
C835
1000P
C824
470P
C832
0.01U
C837
R844
20K
R846
4K74K7
R846A
0.1U
C821
R877
1K
R867
1K
1
4
3
2
K801
F801
5.0A
250VAC
20V
D803
4148WS
D820
PGND
10K
R842
R843
4K7
D814
FR104
AGND
47R
R873
3K
R852
C811
1U
18V
D802
D805
18V
VBUS
12
4
1
8
10
7
6
3
2
5
9
11
L801
D815
1N4007
4R7
R822
PGND
C803
22U
50V
PGND PGND
25V
10U
C802
PGND
4148WS
D828
PGND
C836
0.47U
160V
C822
0.1U
C808
0.47U
10K
R876
R802
220K
35V
1000U
C805
5
7
8
4
3
2
1
6
U801
FSQ510
C827
1000P
D824
FR104
L803
C847
NC
C806
4U7
450V
PGND
PGND
R836
NC
D818
BYV29-600
L807
4700UH
1
3
4
2
L809
LIF-JLB1359
4148WS
D822
PGND
AGND
5
6
7
8
4
3
2
1
U805
FA5571N
R820
75R
4148WS
D819
R854
10K
1
2
3
U807
TL431_1V25
4
3
2
1
L804
AGND
R830
560V
1N4007
D816
4
3
2
1
L808
L806
2.2UH
1
2
3
4
U804
PS2561
4
3
2
1
U802
PS2561
C844
1000P
PGND
AGND
AGND
PGND
PGND
AGND
AGND
AGND
AGND
AGND
AGND
AGND
PGND
PGND
AGND
AGND
AGNDAGND
PGND
PGND
PGND
PGND
PGNDPGND
PGND
PGNDPGND
PGND
PGND
PGND
PGND
PGND
R808
100R
NC
R856
D813
HER108
0.047U
C830
C823
0.47U
C809
0.47U
C841
1500P
B
C
E
BC847A
Q808
1
2
3
TL431
U808
B
C
E
BC847A
Q807
R863
0R
L802
Q803
P7NK80
1K
R845
200R
R850
R862
390K
R839
27K
B
C
E
Q805
2222AL
R861
470K
1
2
3
P801
R819
22K
R826
4K7
R827
4K7
B
E
C
Q811
2907AL
D809
SR160
D804
US10KB80R
510K
R815
22K
R840
C814
0.1U
12K
R848
1U
C816
12K7
R847
C817
0.01U
50V
R872
100R
R817
4R7
B
E
C
Q809
2907AL
510K
R813
400V
0.1U
C825
R814
510K
R855
27K
0.022U
C818
0.1U
C819
3K3
R823
R821
3K3
1M
R810
1M
R811
1M
R812
D812
RL255
3A/600V
C840
120U
450V
12
2
3
5
7
10
6
4
1
9
11
8
T801
C840A
120U
450V
1
2
3
4
PS2561
U803
C828
0.22U
470P
C843
C845
470P
2R7
R825
D808
1N4007
C829
470U
35V
C804
1000U
35V
R837
0.15R
12A/500V
SK3568
Q802
Q801
SK3568
12A/500V
C838
470U
16V
3K3
R824
R801
2R7
VC
PGND
PGND
PGND
PGND
PGND
PGND
PGND
PGND
AGND
AGND
AGND
AGND
AGND
AGND
PGND
PGND
PGND
PGND
PGND
AGND
PGND
VC
AGND
Z25
Z105Z106
Z107
Z108
Z110
Z111
Z112
Z113
Z114
Z115
Z116
Z118
Z119
Z120
Z121
Z123
Z124
Z125
Z26
Z27
Z28
Z29
Z30
Z31
Z33
Z34
Z35
Z36
Z37
Z38
Z39
Z40
Z43
Z44
Z45
Z46
Z47
Z48
Z49
Z50
Z51
Z52
Z53
Z126
Z127
AGNDAGND
Z19Z20
P_ON
Z18
BL_ON
Z16
DIM
Z17
Z14
+24V/2A
+3.3VSB/0.2A
Z15
Z8 Z10Z9
Z11 Z12Z6
PGND
Z2
Z128
Z4
Z3
AGND
Z13
Z73
Z129
Z131
18520_542_090313.eps
090313

Other manuals for Philips 32PFL3409/98

Related product manuals