EasyManua.ls Logo

Philips 32PFL3409/98 - Circuit Diagrams and PWB Layouts; Power Supply Unit (PSU) Diagrams

Philips 32PFL3409/98
72 pages
Print Icon
To Next Page IconTo Next Page
To Next Page IconTo Next Page
To Previous Page IconTo Previous Page
To Previous Page IconTo Previous Page
Loading...
Circuit Diagrams and PWB Layouts
EN 41TCM3.1A LA 10.
2010-Jun-25
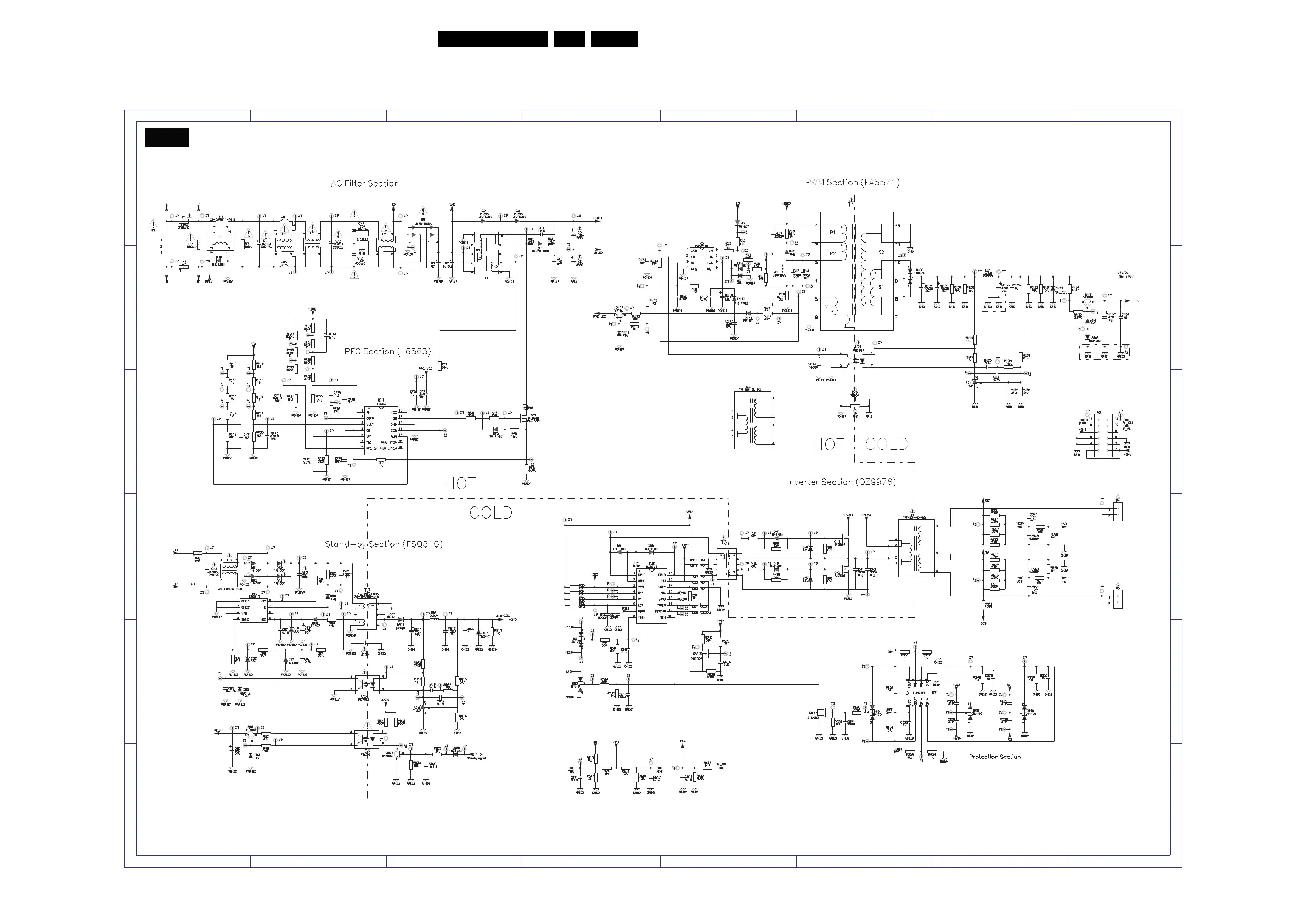
10. Circuit Diagrams and PWB Layouts
PSU: Power Supply Unit (32")
A
3 21
F
E
D
C
B
8 765
5
4 3 21
F
E
D
C
B
A
4678
A1
Power Supply Unit (32" Full HD)
18520_541_090313.eps
090313

Other manuals for Philips 32PFL3409/98

Related product manuals