EasyManua.ls Logo

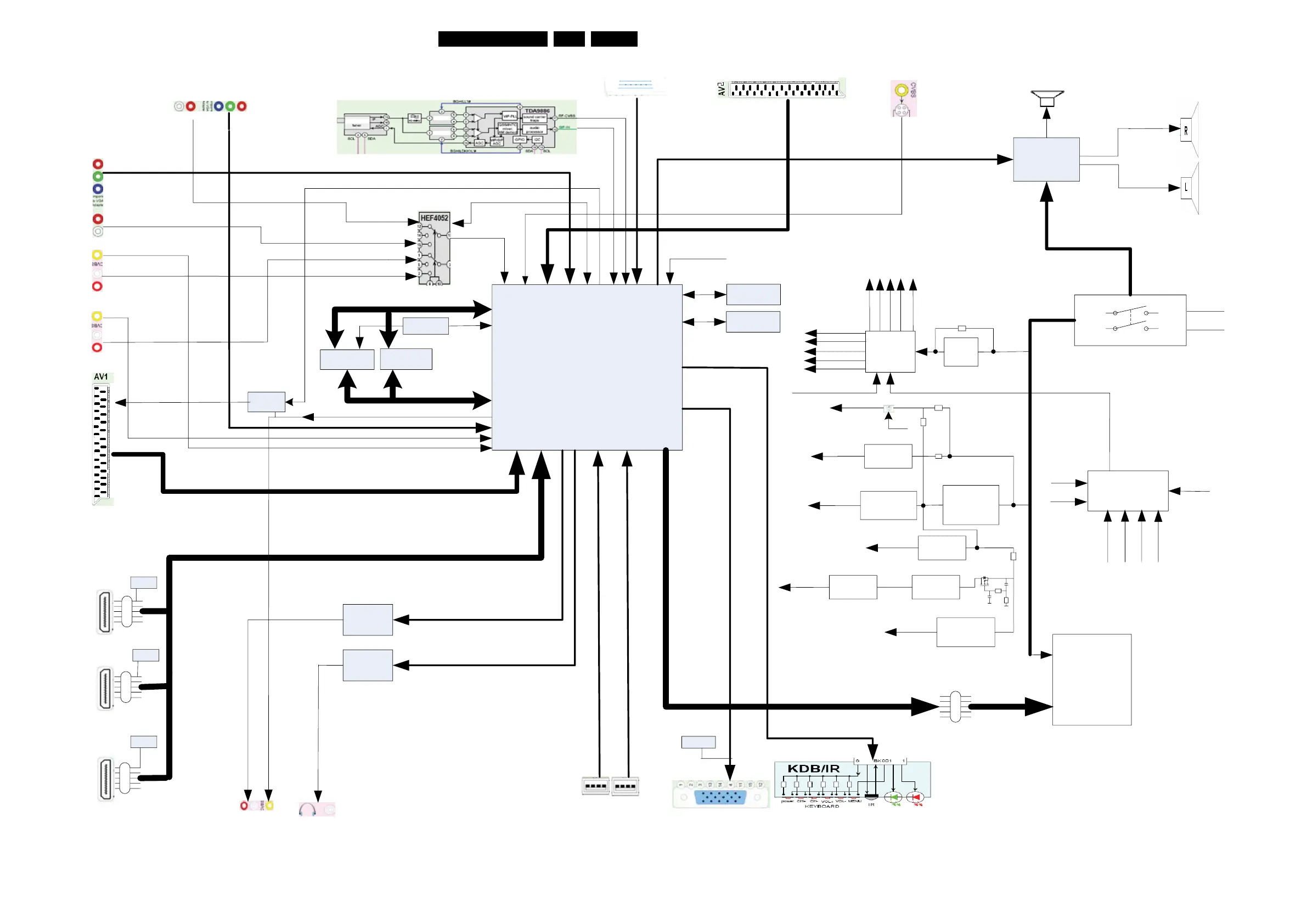
Philips 32PFL3409/98 - General Block Diagram

Philips 32PFL3409/98
72 pages
Print Icon
To Next Page IconTo Next Page
To Next Page IconTo Next Page
To Previous Page IconTo Previous Page
To Previous Page IconTo Previous Page
Loading...
EN 40TCM3.1A LA 9.
Block Diagrams
2010-Jun-25
Block Diagram
MT8222/21
STA335BW
RC4558
DDR
EN25B32
12V-
52"6A
SDRAM
ADDRESS
DATA
I2S
inductance
edid
edid
edid
YPBPR1
YPBPR2
HDMI1
HDMI2
HDMI3
USB1
USB2
RC4558
ESD
I2C
EDID
GAME PORT
CVBSOUT
24C32
RESET
RT9199
SCART2-OPTION
Y/C
BASS
SPEAKER
12V/5VPANEL-
1~2A
switch
HEADPHONE
AVOUT
RT916
6
AV3
CPU
AC~220V
AV4
VGA
RF IN
SCART1
DC-DC
RT8110+
MOS
5.2VM- 4A
LD1117
5VRF-200mA
CONFINE
5VUSB-2A
LD1117
LD1117
PQ1CX41
1.1V-500mA
LD1117
1.2V-200mA
3.3V-
500mA
2.6VDDR-500mA
DELAY
SHORT_PROTECK
5VRF
12VM
2.6VDDR
1.2V
1.1V
3.3V
5.2VM
LCD PANEL
12V
R8C/11
CEC
RESET
MUTE
POWER/ON
SERVICE
LED
VGA H/V
KEY
IR
MODE
SHORT_PROTECK
POWER_PROTECK
HV AC2KV
3.3VSB
18520_403_090313.eps
090324

Other manuals for Philips 32PFL3409/98

Related product manuals