EasyManua.ls Logo

Philips 55PFL4909 - Page 20

Philips 55PFL4909
81 pages
Print Icon
To Next Page IconTo Next Page
To Next Page IconTo Next Page
To Previous Page IconTo Previous Page
To Previous Page IconTo Previous Page
Loading...
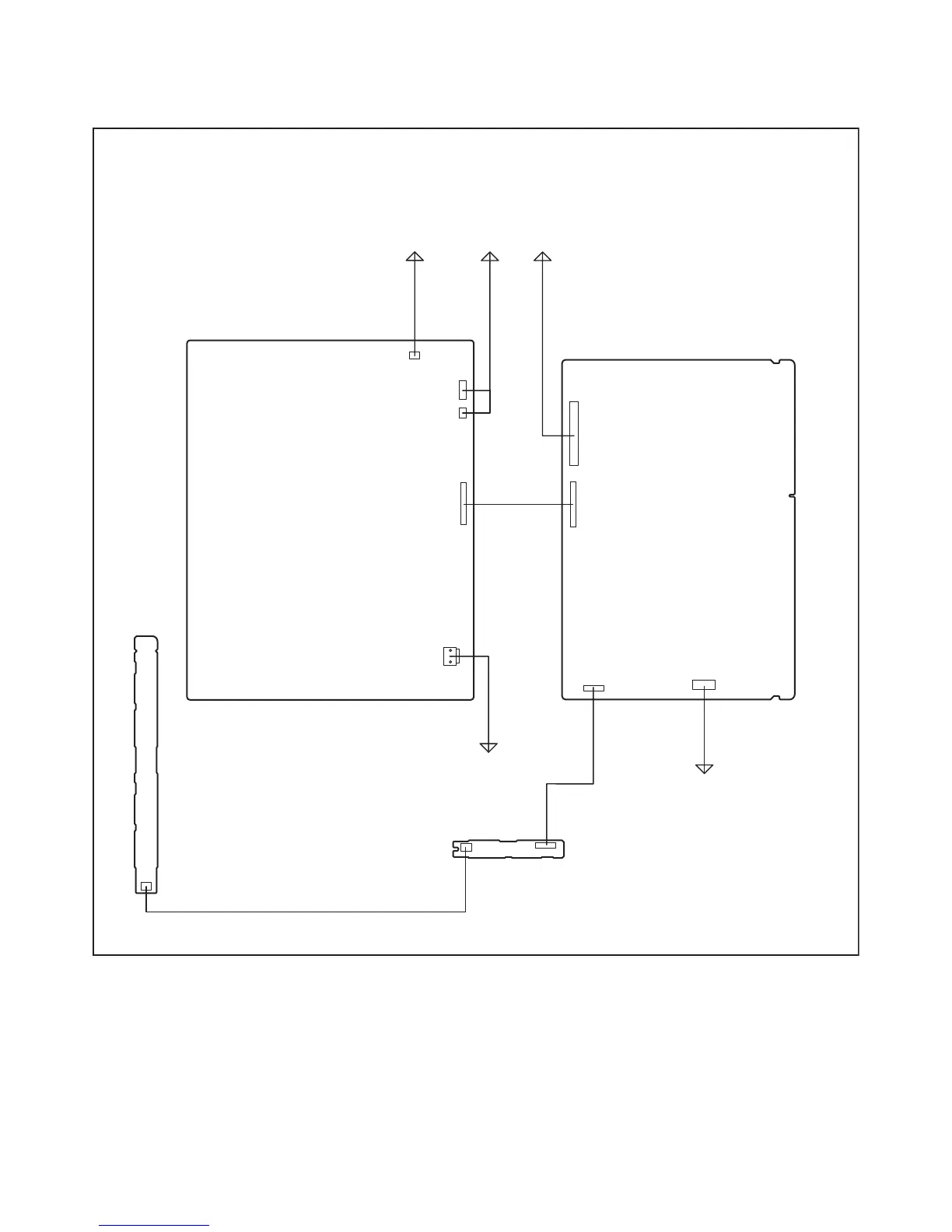
4-8 PL14.26-A_DC
[TYPE B]
CN3801
CN4052
CN4051
CN4001
CN1101
CN601
To AC Cord
To Speaker
CN3013
CN3101
CN3602
To LCD Panel Assembly
Digital Main CBA Unit
Function
CBA Unit
IR Sensor CBA Unit
Power Supply CBA
CN1201
CN1401
CN501
Fig. D5

Table of Contents

Related product manuals