EasyManua.ls Logo

Philips 55PFL4909 - LED Backlight Drive Block Diagram

Philips 55PFL4909
81 pages
Print Icon
To Next Page IconTo Next Page
To Next Page IconTo Next Page
To Previous Page IconTo Previous Page
To Previous Page IconTo Previous Page
Loading...
9-4
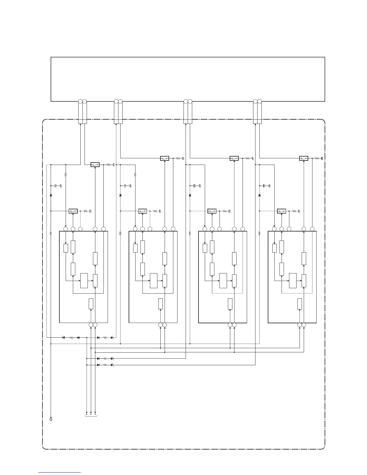
4. LED Backlight Drive Block Diagram
IC1101
(LED BACKLIGHT DRIVER)
OVP
DRIVE
LOGIC
ISW
Q1101
3
2
6
LOGIC
14
DRIVE
LDO
FAIL
DETECT
13
15
11
VLED11
ILED12
VLED21
ILED22
Q1103
LCD PANEL
ASSEMBLY
PROTECT3
BACKLIGHT-ADJ
BACKLIGHT-SW
TO
SYSTEM CONTROL
BLOCK DIAGRAM
VIN
Q1203
Q1303
CN1101
CN1201
IC1201
(LED BACKLIGHT DRIVER)
OVP
DRIVELOGIC
ISW
Q1201
3
2
6
LOGIC
14
DRIVE
LDO
FAIL
DETECT
13
15
11
IC1301
(LED BACKLIGHT DRIVER)
OVP
DRIVE
LOGIC
ISW
Q1301
3
2
6
LOGIC
14
DRIVE
LDO
FAIL
DETECT
13
15
11
VLED33
ILED34
CN1201
Q1403
IC14101
(LED BACKLIGHT DRIVER)
OVP
DRIVE
LOGIC
ISW
Q1401
3
2
6
LOGIC
14
DRIVE
LDO
FAIL
DETECT
13
15
11
VLED41
ILED42
CN1401
POWER SUPPLY CBA
PL14.26ABLBD

Table of Contents

Related product manuals