EasyManua.ls Logo

Philips 55PFL4909 - System Control Block Diagram; Block Diagrams [TYPE A]

Philips 55PFL4909
81 pages
Print Icon
To Next Page IconTo Next Page
To Next Page IconTo Next Page
To Previous Page IconTo Previous Page
To Previous Page IconTo Previous Page
Loading...
9-1
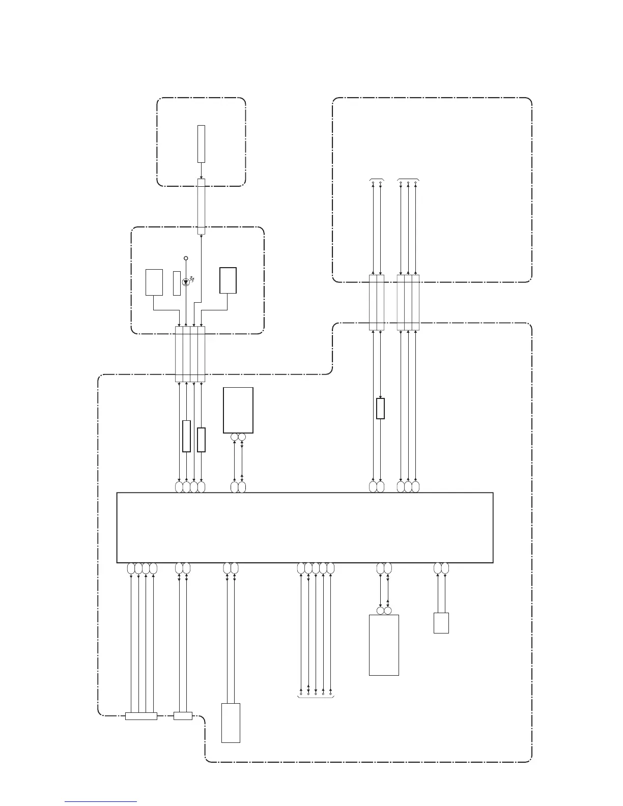
IC3101
(MAIN MICRO CONTROLLER)
DIGITAL MAIN CBA UNIT
AXO
AXI
X3101
25MHz
OSC
TO VIDEO/AUDIO
BLOCK DIAGRAM
LCD-P-ON
LCD-P-ON
COMP-DET
HP-DET
COMP-DET
VGA-SCL
VGA-SCL
VGA-SDA
VGA-SDA
AD6
AE6
M24
N22
AC7
AC8
AE4
AA16
Y7
W2
H6
HP-DET
L2
AD3
AD4
CN3704
CN3706
USB0(-)
TX(-)
USB0(+)
USB0(-)
USB0(+)
TX(+)
RX(-)
RX(+)
TX(-)
TX(+)
RX(-)
RX(+)
ETHERNET
JACK
USB JACK
L23
M22
CN3701
USB1(-)
USB1(+)
USB1(-)
USB1(+)
WIRELESS
LAN MODULE
TO
LED BACKLIGHT DRIVE
BLOCK DIAGRAM
TO
POWER SUPPLY
BLOCK DIAGRAM
RESET
P-ON-H2
CN3601
CN3601
PROTECT3
BACKLIGHT-SW
BACKLIGHT-ADJ
POWER SUPPLY CBA
CN501
CN501
PROTECT3
P-ON-H2
STB-RESET
KEY-IN1
BACKLIGHT-SW
LED1
REMOTE
BACKLIGHT-ADJ
STM-SCL
STM-SDA
SCL
SDA
6
5
(MEMORY)
Y2
T2
W3
P7
AD5
Y15
TU-SCL
TU-SDA
SCL
SDA
4
3
TU3001 (TUNER UNIT)
P-ON-H266
KEY-IN146
CN3105
REMOTE55
LED164
RESET44
PROTECT333
BACKLIGHT-SW
55
BACKLIGHT-ADJ
77
Q3101
LED DRIVE
RESET
IC3601
IC3103
U3
U1
T3
V3
AC2
AC1
LIGHT-SENS
LIGHT73
Q3102
BUFFER
CN4051
KEY SWITCH
IR SENSOR CBA UNIT
FUNCTION CBA UNIT
REMOTE
SENSOR
RS4051
P-ON+5V
CN4001
D4051
POWER
KEY-IN122
CN4052
LIGHT
SENSOR
IC4051
BLOCK DIAGRAMS
PL14.26ABLS
1. System Control Block Diagram
[TYPE A]

Table of Contents

Related product manuals