EasyManua.ls Logo

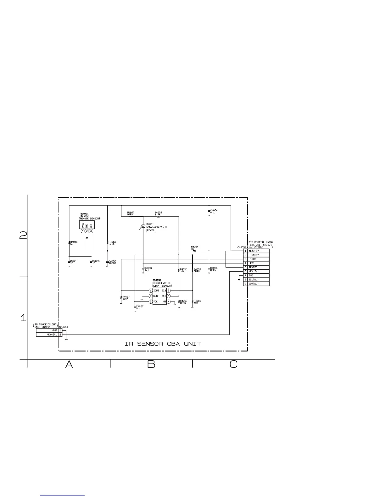
Philips 55PFL4909 - IR Sensor Schematic Diagram

Philips 55PFL4909
81 pages
Print Icon
To Next Page IconTo Next Page
To Next Page IconTo Next Page
To Previous Page IconTo Previous Page
To Previous Page IconTo Previous Page
Loading...
10-18
1000P
C4052
OPEN
C4055
10
C4056
10
C4051
R4051
56
R4052
6.8K
0.1
C4054
1
2
34
5
6
IC4051
BH1603FVC-TR
IOUT
GND
VCC NU
GC1
GC2
R4057
360K
0.1
C4057
R4055
10K
R4058
OPEN
R4056
10K
R4059
OPEN
D4051
SMLE12WBC7W1HR
0.1
C4053
Vcc
GND
V-OUT
231
RS4051
RS-272
CN4051
1GND
2KEY-IN1
5 REMOTE
4 LED1
7 GND
6 KEY-IN1
CN4052
1 AL+3.3V
2 P-ON+5V
3 LIGHT
R4053
2.7K
R4060
OPEN
R4054
1K
8 SCL(NU)
9 SDA(NU)
2
1
ABC
TO FUNCTION CBA
UNIT CN4001
(REMOTE SENSOR)
(LIGHT SENSOR)
POWER
IR SENSOR CBA UNIT
TO DIGITAL MAIN
CBA UNIT CN3101
or CN3105
PL14.26SCIR
IR Sensor Schematic Diagram

Table of Contents

Related product manuals