EasyManua.ls Logo

Philips 55PFL4909 - Power Supply 1 Schematic Diagram

Philips 55PFL4909
81 pages
Print Icon
To Next Page IconTo Next Page
To Next Page IconTo Next Page
To Previous Page IconTo Previous Page
To Previous Page IconTo Previous Page
Loading...
10-3
1000P/250V
C619
L602A
LINE FILTER
2.5A/250V
F602
C651
470/25V
C655
470/16V 1ZB20BB
D654
D655
SB3150BH
3.3K
R661
3.9K
R657
27K
R660
3.9K
R659
180
R654
C654
470/16V
180
R655
KTC3875S
-Y-RTK/P
Q653
B
CN601
W
0.1
/310V
C604
1.2M
/1/2W
R601
VARISTOR
SA601
1
/310V
C614
L601A
LINE FILTER
1N5406BH
D601
1N5406BH
D603
1N5406BH
D602
1N5406BH
D604
10
R608
33/400V
C605
100P
/2KV
C606
510K
R626
D653
SB3150BH
D660
SL431A-AT
2.7K
R658
0.1
C660
680P
/2KV
C665
560K
R631
560K
R630
BEAD
BC602
1000P
C607
820K
R609
22K
R606
5
6
7
81
4
3
2
IC601
FA5640N
ZCD
GND OUT
VCC
NU
VH
IS
FB
150P
C608
100P
C610
1ZB36BB
D613
4.7K
R617
RS1KJTD
D609A
270
R605
4.7K
R607
OPEN
R603
RS1KJTD
D621A
15K
R610
15K
R611
15K
R614
OPEN
D611A
4
32
1
IC602
TLP785F
C652
470/25V
D650
SB3200BR
OPEN
C650
C620
33/35VTFZVTR27B
D614
OPEN
R613
0.1
C611
22K
R628
TFZVTR18B
D618
OPEN
R663
10K
R669
0
R674
68K
R675
1
R651
KTC3875S
-Y-RTK/P
Q654
MM5Z4V3B
D657
10K
R652
D656
RS1KJTD
22K
R653
KTC3875S
-Y-RTK/P
Q702
KTC3875S
-Y-RTK/P
Q701
47K
R704
47K
R702
OPEN
C701
10K
R703
AC601
AC CORD
2.5A250V
1N5406BH
D607
1N4005
D605
1N4005
D606
0.1
/310V
C602
510K
R625
510K
R624
39K
R627
2.7K
R623
OPEN
D619
OPEN
D620
2200P
C625
2.7K
R604
KTC3875S
-Y-RTK/P
Q60347K
R620
MM5Z5V6B
D623
47K
R629
0.1
C624
IC604
SL431A-AT
4700P
C621
1000P
C622
8.2K
R656
47K
R662
KTC3875S
-Y-RTK/P
Q650
14 GND
4 RESET
9 GND
7 BACKLIGHT-ADJ
5 BACKLIGHT-SW
19 GND
22 P-ON+21V
P-ON-H26
23 P-ON+21V
16 AMP+13V
20 P-ON+21V
15 AMP+13V
21 P-ON+21V
11 GND
2 PROTECT1(NU)
10 GND
CN501
1NU
13 GND
8 AL+3.3V
18 AMP+13V
3 PROTECT3
17 AMP+13V
12 GND
OPEN
C638
OPEN
C639
OPEN
C637
1SS400ST
D661
BACKLIGHT-SW
BACKLIGHT-ADJ
PROTECT3
AMP+13V
27P
C1610
0.1
C1611
1200P
C1607
1000P
C1608
750K
R1618
750K
R1613
750K
R1614
47K
R1616
100
/400V
C1621
30PFB60
D1605
750K
R1605
1000P
C1606
750K
R1612
47
R1625
12K
R1627
750K
R1615
12K
R1623
750K
R1604
750K
R1617
120K
R1606
1200P
C1605
27K
R1608
1.8K
R1621
27P
C1609
750K
R1620
750K
R1602
47
R1626
30PFB60
D1603
27K
R1610
750K
R1601
13
1
15
14
16
3
6
5
11
4
7
12
10
89
2
IC1601
UCC28063DR
0.22
C1603
5.6K
R1609
750K
R1619
18K
R1622
0.022
C1601
36K
R1645
4.7K
R1607
2.2
C1604
OPEN
D1610
OPEN
R1653
100
R1611
0.22
/310V
C1612
OPEN
R1629
18
45
T1601
TE2520A5001
OPEN
C1626
18
45
T1602
TE2520A5001
OPEN
R1655
OPEN
R1654
OPEN
R1630
OPEN
C1615
4
32
1
IC1702
TLP785F
150K
R746
FR106BB
D714
1500P
/2KV
C726
150K
R747
TK3A65D
Q601
G
D
S
Q1602
TK7P60W
G
D
S
Q1601
TK7P60W
G
D
S
BEAD
BC1703
Q1704
TK5A65D
G
D
S
100P
/2KV
C1706
0.12/2W
R1719
1ZB36BB
D1707
RS1KJTD
D1705
10
R1714
22K
R17181000P
C1710
OPEN
D1710
180
R1712
2.7K
R1702
0.1
C1704
150P
C1702
100P
C1703
OPEN
R1709
OPEN
R1701
5
6
7
81
4
3
2
IC1703
FA5640N
ZCD
GND OUT
VCC
NU
VH
IS
FB4.7K
R1703
1000P
C1701
OPEN
D1704
22K
R1704
4
32
1
IC1602
TLP785F
Q1604
2SC5344SY
47
R1634
2.7K
R1633
TFZVTR16B
D1608
680
R1637
2SA1576UBTLQ
Q1607
10K
R1639
4.7
R1656
Q1701
KTC3875S
-Y-RTK/P
Q1702
2SA1576UBTLQ
22K
R1710
10K
R1711
22K
R1708
C1709
220/10V
27K
R1705
330P/1KV
C725
D712
SB3200BS
D711
SB3200BS
D710
SB3200BS
VIN
270
R738
TFZVTR27B
D705
0.1
C722
1.8K
R741
OPEN
D713
C723
470/63V
C724
470/63V
C730
470/63V 1/100V
C731
15K
R739
10K
R740
D704
SL431A-AT
3.3K
R745
1.3K
R744
0.1
C721 43K
R743
0.01
C691
330
R692
Q691
KTC3875S
-Y-RTK/P
1SS400ST
D663
C692
33/35V
47K
R693
2.2K
R691
1SS400ST
D662
47K
R668
0.033/5W
R1624
OPEN
C1613
OPEN
C1614
18K
R1638
820K
R1707
OPEN
D714A
270
R1720
RS1KJTD
D664
33/400V
C1708
220
/35V
C616
RS1KJTD
D619A
RS1KJTD
D620A
1SS400ST
D615
1000P
C612
4.7
R619
OPEN
D621
470P/250V
C643
D658
OPEN
C657
470/16V
15K
R667
270
R749 3.3K
R748
0.1
C729
D715
SL431A-AT
KTC3875S
-Y-RTK/P
Q703
47
R756
270
R751
Q705
2SA1576UBTLQ
0
R753
10K
R754
0
R755
270
R750
MM5Z5V6B
D716
C728
100/10V
4.7
/50V
C1602
TK3P50D
Q602
G
DS
10K
R701
0.22
/310V
C601
1000P
/250V
C641
1000P
/250V
C640
JS601
OPEN
R602
1SS400ST
D617
T601
POWER TRANS
1
2
3
6
7
15
14
13
12
11
10
5
T1701
POWER TRANS
2
3
4
6
7
15
14
13
11
10
D651
OPEN
BEAD
BC603
0.22
/2W
R618
OPEN
D609
10
C615
8.2K
R633
8.2K
R632
150K
R761
150K
R760
150K
R762
150K
R763OPEN
D1604
150P
/2KV
C1622
OPEN
D1602
BEAD
BC1603
OPEN
C1625
10
C1618
OPEN
C633
OPEN
C630
OPEN
C636
D406
OPEN
D405
OPEN
OPEN
C632
OPEN
C635
OPEN
C631
OPEN
R664
OPEN
R665
5.6
R752
0
R666
D706
OPEN
OPEN
C740
OPEN
C642
470P/250V
C1711
KTC3875S
-Y-RTK/P
Q1608
0.1
C1624
4.7K
R1640
10K
R1642
BEAD
BC1604
OPEN
D612
C656
1/50V
150P
/2KV
C1623
4
3
1
2
ERROR
VOLTAGE DET
HOT CIRCUIT. BE CAREFUL.
0.7
0
(SWITCHING)
A FBCDE G
HOT COLD
0
1.3
333.0
(SWITCHING)
0
POWER SUPPLY CBA
2.1
1.1
1.1 160.0
0
18.10
0
0.7
(RESET)
25.618.0
16.7
1.1
20.0
21.0
0
(SWITCHING)
(SWITCHING)
(SWITCHING)
0
0
0.7
0
0
0
0 (RESET)
3.3
3.3
3.2
3.3
0
0
0
0
3.2
3.1
0
0
0
12.9
21.1
CONTINUE
POWER SUPPLY 2
CONTINUE
POWER SUPPLY 2
SHUNT
REGULATOR (SWITCHING)
ZCDA
0
HVSEN
GDB
PHB
6.0
ZCDB
COMP
GND
VREF
2.8
1.1
VCC
GND
0
0
6.0
15.9
TSET
0
8.0
6.0
VSENSE
3.0
1.1
PWMCNTL
(SWITCHING)
0
0
8.0
VINAC CS
1.3
GDA
(SWITCHING)
(SWITCHING CONTROL)
1.7
0
8.0
ERROR
VOLTAGE DET
220.0
(SWITCHING)
14.9
14.9
2.1
0
1.0
3.70
SWITCHING
CONTROL
218.0
(ISOLATOR)
(SWITCHING)
(SWITCHING)
(SWITCHING)
(SWITCHING)
(SW+15V)
15.9 18.7
16.4
18.1 19.2
18.8
15.9 15.8
15.3
0
0
0.7
0
350.0
3.4
0
1.1
0
0
2.5
1.9
0
0
3.3
21.1
21.1
21.1
0
2.1
25.0
26.0
0.7
1.4
0.7
SWITCHING
CONTROL
2.5
25.0
0
2.5
20.0
0
3.3
3.3
0
2.0
12.8
(SWITCHING)
(+3.3V REG.)
12.9
12.8
2.5
2.0
18.8
18.6 0.7
1.8
12.9
12.9
12.9
0
(SWITCHING)
0
0.7
0
TO DIGITAL MAIN
CBA UNIT CN3601
or CN3602
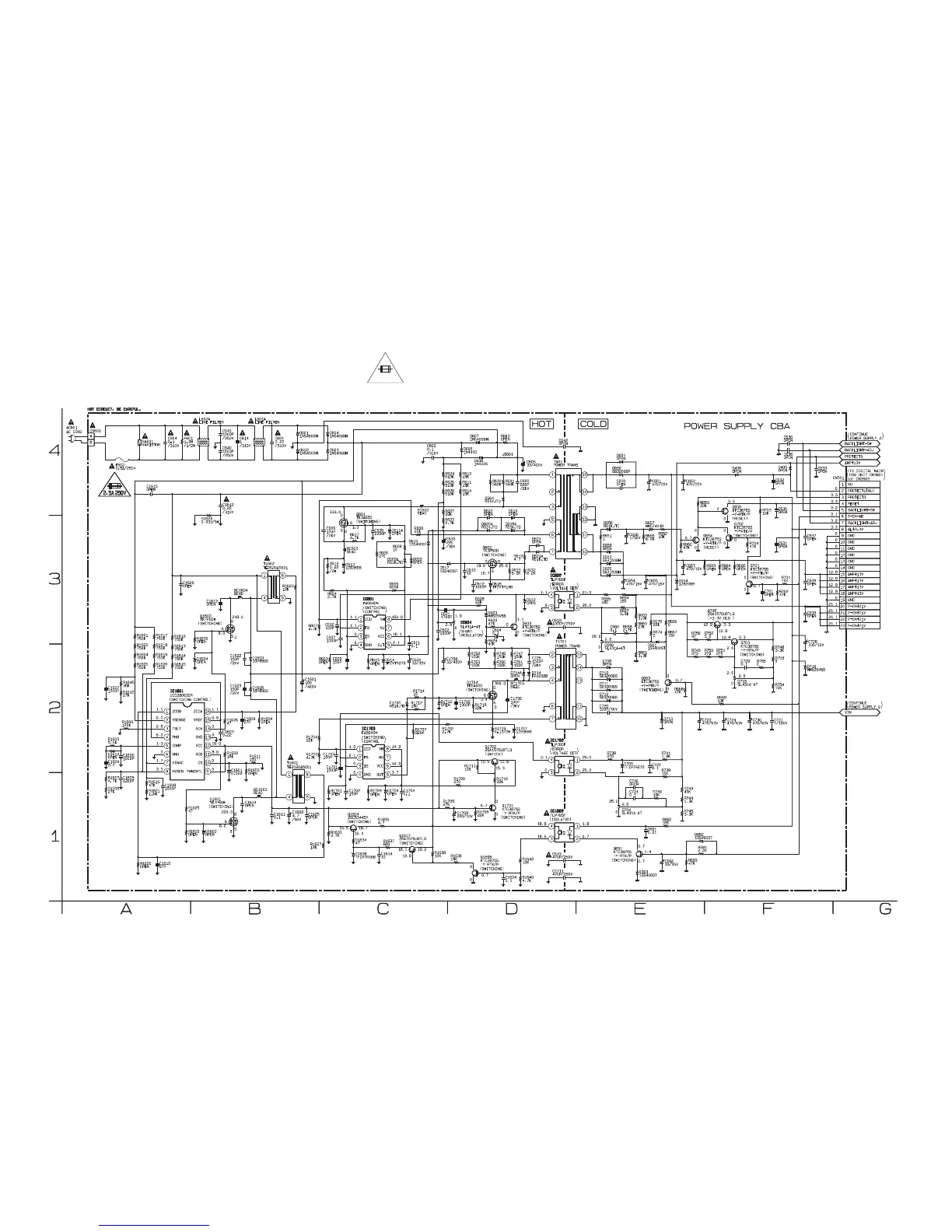
Power Supply 1 Schematic Diagram
PL14.26SCP1
NOTE:
The voltage for parts in hot circuit is measured using
hot GND as a common terminal.
CAUTION !
Fixed voltage (or Auto voltage selectable) power supply circuit is used in this unit.
If Main Fuse (F602) is blown , check to see that all components in the power supply
circuit are not defective before you connect the AC plug to the AC power supply.
Otherwise it may cause some components in the power supply circuit to fail.
For continued protection against risk of fire,
replace only with same type 2.5A, 250V fuse.
CAUTION ! :
ATTENTION : Utiliser un fusible de rechange de même type de 2.5A, 250V.
2.5A 250V

Table of Contents

Related product manuals