EasyManua.ls Logo

Philips 55PFL4909 - Page 44

Philips 55PFL4909
81 pages
Print Icon
To Next Page IconTo Next Page
To Next Page IconTo Next Page
To Previous Page IconTo Previous Page
To Previous Page IconTo Previous Page
Loading...
9-10
CAUTION !
Fixed voltage (or Auto voltage selectable) power supply circuit is used in this unit.
If Main Fuse (F602) is blown , check to see that all components in the power supply
circuit are not defective before you connect the AC plug to the AC power supply.
Otherwise it may cause some components in the power supply circuit to fail.
For continued protection against risk of fire,
replace only with same type 2.5A, 250V fuse.
CAUTION ! :
ATTENTION : Utiliser un fusible de rechange de même type de 2.5A, 250V.
2.5A 250V
NOTE:
The voltage for parts in hot circuit is measured using
hot GND as a common terminal.
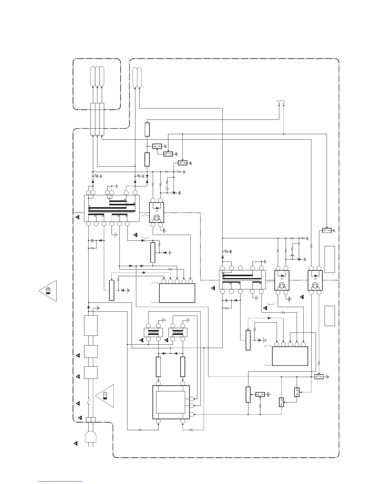
5. Power Supply Block Diagram
PL14.26BBLP
HOT COLD
HOT CIRCUIT. BE CAREFUL.
CN601
B
W
AC601
AC CORD
LINE
FILTER
L602A
LINE
FILTER
L601A
T601
BRIDGE
RECTIFIER
T1602
TO SYSTEM CONTROL
BLOCK DIAGRAM
POWER SUPPLY CBA
DIGITAL MAIN CBA UNIT
F602
2.5A/250V
1
3
5
6
7
14
15
13
12
11
10
2
2
4
3
1
4
8
5
T1701
14
13
15
11
10
5
7
IC602
14
3 2
Q1602
SWITCHING
Q1601
VCC
SWITCHING
IC1601
(SWITCHING CONTROL)
SWITCHING
CONTROL
7
11
11612
14
T1601
1
4
8
5
8
IC1602
(ISOLATOR)
Q691
Q1607
Q1604
14
3 2
IC1702
14
3 2
CN3602
P-ON+21V
20-23
AL+3.3V8 16
6-9
1-4
CN501
AMP+13V
15-18
Q653
Q701
Q702
P-ON-H2
RESET
RESET
Q654
RESET
Q650
D601-D604
AL+3.3V
P-ON+21V
AMP+13V
AMP+13V
VIN
2.5A 250V
FB
Q601
SWITCHING
Q602
SWITCHINGSWITCHING
CONTROL
IC601
2
IS
3
OUT
5
VCC
6
ZCD
1
FB
Q1704
SWITCHING
Q1702
Q1701
Q1608
SW+15V
SWITCHING
CONTROL
IC1703
2
IS
3
OUT
5
VCC
6
ZCD
1
ERROR
VOLTAGE DET
ERROR
VOLTAGE DET

Table of Contents

Related product manuals