EasyManua.ls Logo

Philips D8714/00 - Page 10

Philips D8714/00
46 pages
Print Icon
To Next Page IconTo Next Page
To Next Page IconTo Next Page
To Previous Page IconTo Previous Page
To Previous Page IconTo Previous Page
Loading...
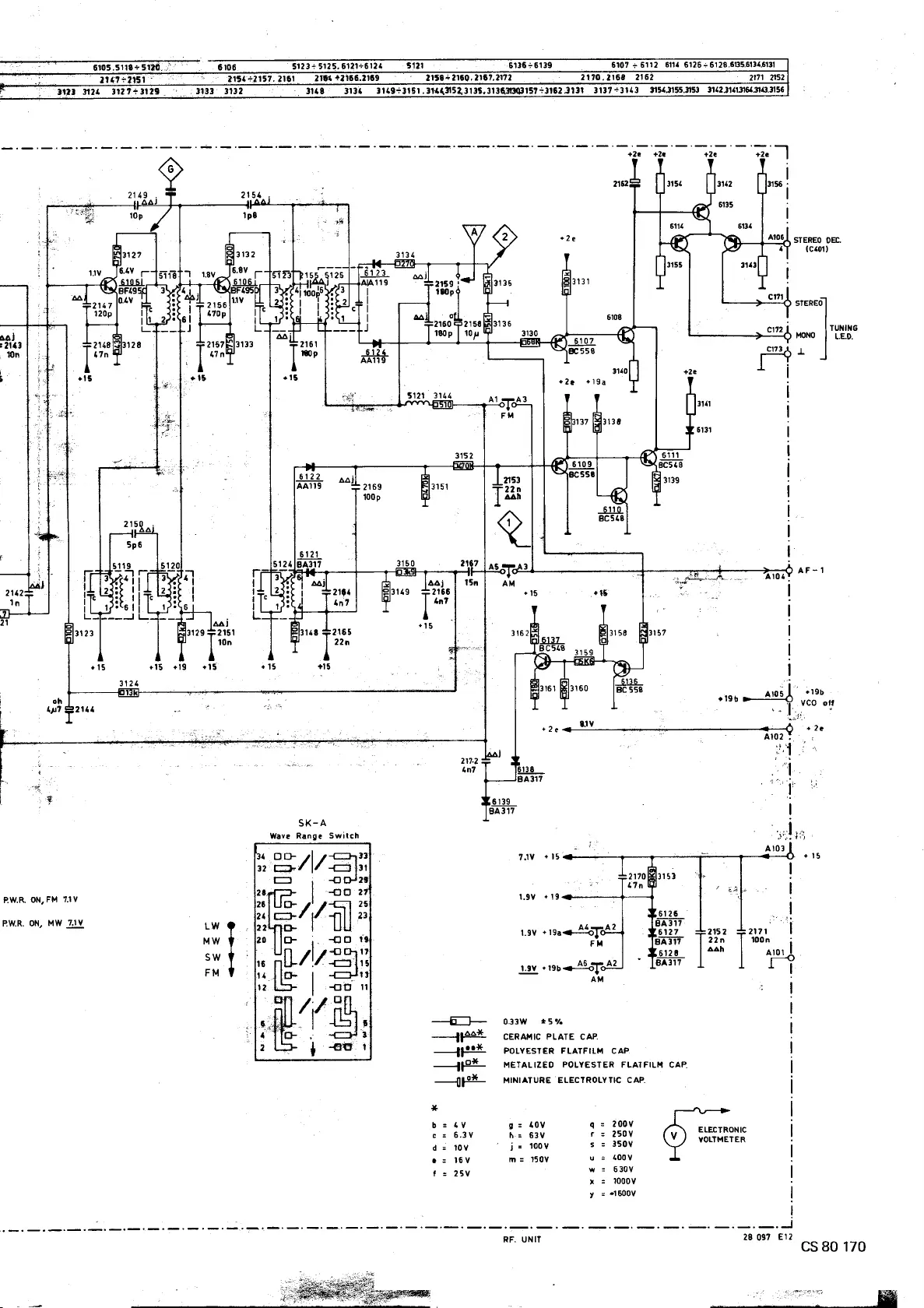
'6105.5118+51)G' 123"5125.6121+6.12' 6136;'6139 6107.6112 6'" 6126.61286135613'~131
211;7+2151" 2161; ~»66.21&9 16U172 2170.2168 2162 2171 2152
31~I 112' 3»f+I129 31'8 3134 31'., . ,. ,313~3!3Q3157;.3162.31]1 1137-;31'3 315'.3155.3153 3"2.3"'31~31433'56
-. - .-. -.- ~ .~.- ._.~ ~._.~. -.- '-+2-;-':;;'- -.~.- - ':;.',
-2. STEREO DEI:.
(C'OI)
STERE
] TUNING
:ND LE.D.
I
I
I
I
6122 I
AÄÏï9 i
I
1
1
AF-I
-15
312' .
1 k A10S I -19b
oh .,9b ~VCO 0"
'Jl7r21t;4 ,,!C.,! ..
-2_- 8.1V~ -2-
- A102 '!'
" 1 '
.'
1
I'" "
I , lliL
I.
BA317
SK-A j
Wave Range Switch '>':.J;',
34 0G-
/1/~ 31 7.1V -15 - 15
3.q. -CJ11 1
[=:J -0 2' .
28
i I "-DO 27 19V -19 I P.W.R. ON,FM 7.1V 2& 0-
I 25' i
24 c=J.,1 l3 ,.
~WR DN, MW 1:!.Y. LW
! 22"0- I ~
I.. 1.9V -190 2171
MW 20 0-
I -001 1 1oon I. SW 11-0 11 A101
16 &~ .d15 1.9V-19b :ti
FM '4 0-
I ~1J - AM
12 -OU 11 1
iI'.I ~ i ~:'i,1~. -iD- 033W *5% .
4 0- .. 1 --f~ CERAMIC PLATE CAP I
2 + -ee! 1 --iJ!!:!!:. POLVESTER FLATFILM CAP I
--f~ METALIZED POLVESTER FLATFILM CAP I
--u~ MINIATURE ELECTROLVTIC CAP i
*
F I b = 'V g = 1;OV q = 200V ELECTRDNIC .
c = 6.3V h= 63V r = 250V V VOLTMETER!
d = 10V j = 100V 5 = 350V I
. = 16 V m = 150V u = 'aov .
f = 25V w = 630V I
. = 1000V .
Y = .1600V I
I
~ -. ~
' RF UNIT 28097 E12
. CS 80 170
. - $ji~c't~

Related product manuals