EasyManua.ls Logo

Philips D8714/00 - Page 11

Philips D8714/00
46 pages
Print Icon
To Next Page IconTo Next Page
To Next Page IconTo Next Page
To Previous Page IconTo Previous Page
To Previous Page IconTo Previous Page
Loading...
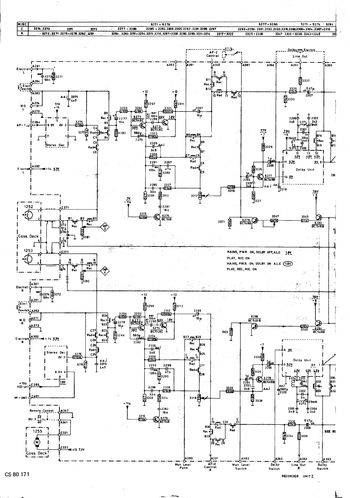
MISC 6271 +6276 6211+6210 5271 +527~ 628'
C 2l1'.221~ 27/1 2212 2271., 2280 2215 + Z292.2306.2305.2282.2281.2298.2297 2293..2296.233'.2332.n20.Z~19.2299.2300..230,.23q,+2310
R "~1Z ,t1.11 ,3275+1278.1212. UI' Ut4. 3213. 3291;~29'..3315.3316.3Z97;330l.3290.3219. 3~11;.33'~ J~"")3Zi 3325,,3330 33'7 3333;. 3338.33'3;33'$ 33
r AF:-i--;:'r:.:].) .s..., , D.P!~Lj:'1..~~LI.Çh ,
I C I I ",-""" , . ,
I on ro ,j, ,Lino Dul I
L ~, I L '
Eloctrot ~~;._.~ '-' Á391.
L
~. 00 2271 3271
.A284 68n
r---
,.' Eloct
I;"SWlt .
L__- A283 .12 .12
. 6Aj 2l1'
I~n1
MD 7.IV
L . .15
~
1"': .I. . -, . -. 229gJ .I 2303
Ic214 I 5 1 3n
~5271 2n2 AF-I i no---'? 6 OV OV 2 1 ~H
! I ! .1,jY 2301
1.-67 1b .6 3n 1;;;,
. 1 ~ ~ 1 36mH 330p 16~'
I . . . ~j ~Roc
ISloroo Doc I B15
. ' J 15273 n09 ~
! r8-.IO .-13-,2-1
I . ~:9Y ~~Y. ~~Y. i
. OV 9
~292 --- I
Eloct .146.3V Dolb
y Unit.
L --- I
336
I i
i . 7.6V
1 , -.-B-
7V
r . iiö
I Y 22B1
1Bn
. 3315
I ~ 3345
. BC 54B c
I
I
.CC
I
I
i MAINS,I!W.R DN, DDLBY CFF,A.LE; .!.!y.
i PLAY, MIC DN
. MAINS, PW.R. ON, OOLBY ON A.L.C @
I PLAY, REC,MIC ON j,
, I
IA301
Eloctro'
~R oor
~. 2274 3271
I 68n
,--- 2BI.9,
J.EloctI i
tt . _329B 3312 !
I '
'sw"ch AU1 I
' . I
u D 271 :
~
R~ I
~
'loc~rotr-.'4 ~JY
r ,
I. .
. I Sto,oo Do, I 327
I OV 3 C
. I I
I. . 32
. I I
I . 6.3V 4
. I 8 I
~.!.s =~.J'_.- -.
.19b . 1.9V
VCD-off C285 -
RF-UNIT
! .11a
Y 2282 IRomot~_,-o~!'!l- A3'2 18n c
~" I 3316
BU-3 . ,,--* 6276
~~' BC5ië
r.
. SEE RI
I
I
I 13 ~
.Gcs
L A393
L Man Lovol AF-2 Man Lovol Dolby Lino Out 90lby
Potm Con~'ol Switch Swilch R Swilch
CS 80 171 RECORDER UNIT I
r
. -. ""- ~

Related product manuals