EasyManua.ls Logo

Philips DVDR3545V/37 - Page 49

Philips DVDR3545V/37
127 pages
Print Icon
To Next Page IconTo Next Page
To Next Page IconTo Next Page
To Previous Page IconTo Previous Page
To Previous Page IconTo Previous Page
Loading...
E9H90SCM4
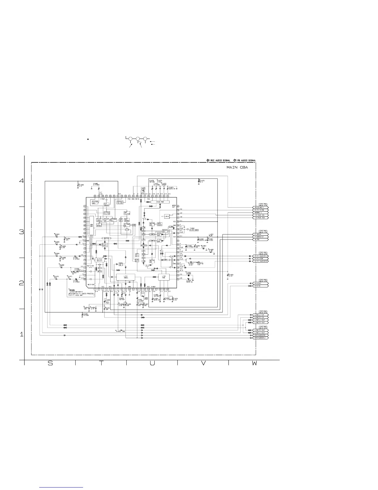
MAIN 4/8 Schematic Diagram
1-13-8
“ “ = SMD
2
3
1
5.0
(2.5)
5.0
The same voltage for
both PLAY & REC modes
Indicates that the voltage
is not consistent here.
PLAY mode
REC mode
(Unit: Volt)

Other manuals for Philips DVDR3545V/37

Related product manuals