EasyManua.ls Logo

Philips DVP620VR/00 - Page 156

Philips DVP620VR/00
398 pages
Print Icon
To Next Page IconTo Next Page
To Next Page IconTo Next Page
To Previous Page IconTo Previous Page
To Previous Page IconTo Previous Page
Loading...
H9622SCD1
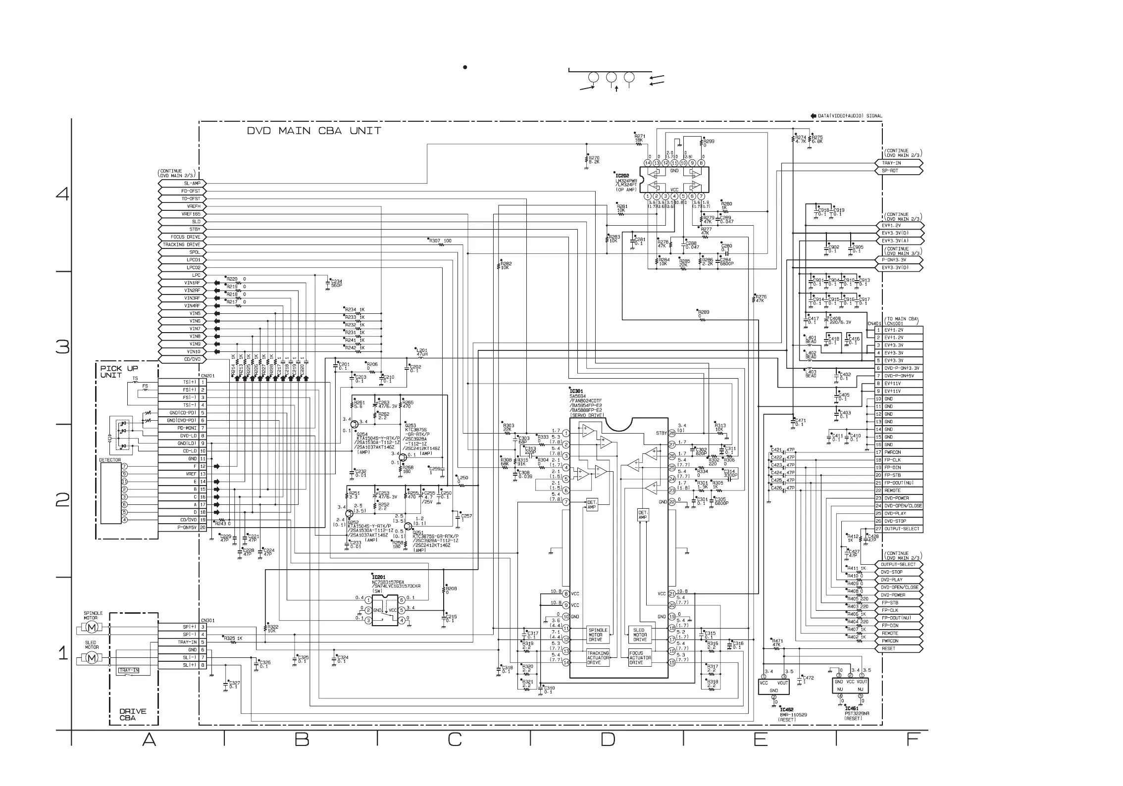
DVD Main 1/3 Schematic Diagram < DVD Section >
1-12-29
1-12-30
Voltage indications for PLAY and STOP modes
on the Schematic Diagrams are as shown below:
1 2 3
5.0
(2.5)
~
5.0
THE SAME VOLTAGE FOR
BOTH PLAY & STOP MODES.
INDICATES THAT THE VOLTAGE
IS NOT CONSISTENT HERE.
PLAY MODE
STOP MODE
ā€œ ā€œ = SMD
www.freeservicemanuals.info

Table of Contents

Related product manuals