EasyManua.ls Logo

Philips DVP620VR/00 - Page 31

Philips DVP620VR/00
398 pages
Print Icon
To Next Page IconTo Next Page
To Next Page IconTo Next Page
To Previous Page IconTo Previous Page
To Previous Page IconTo Previous Page
Loading...
1-11-8
H9720BLVD
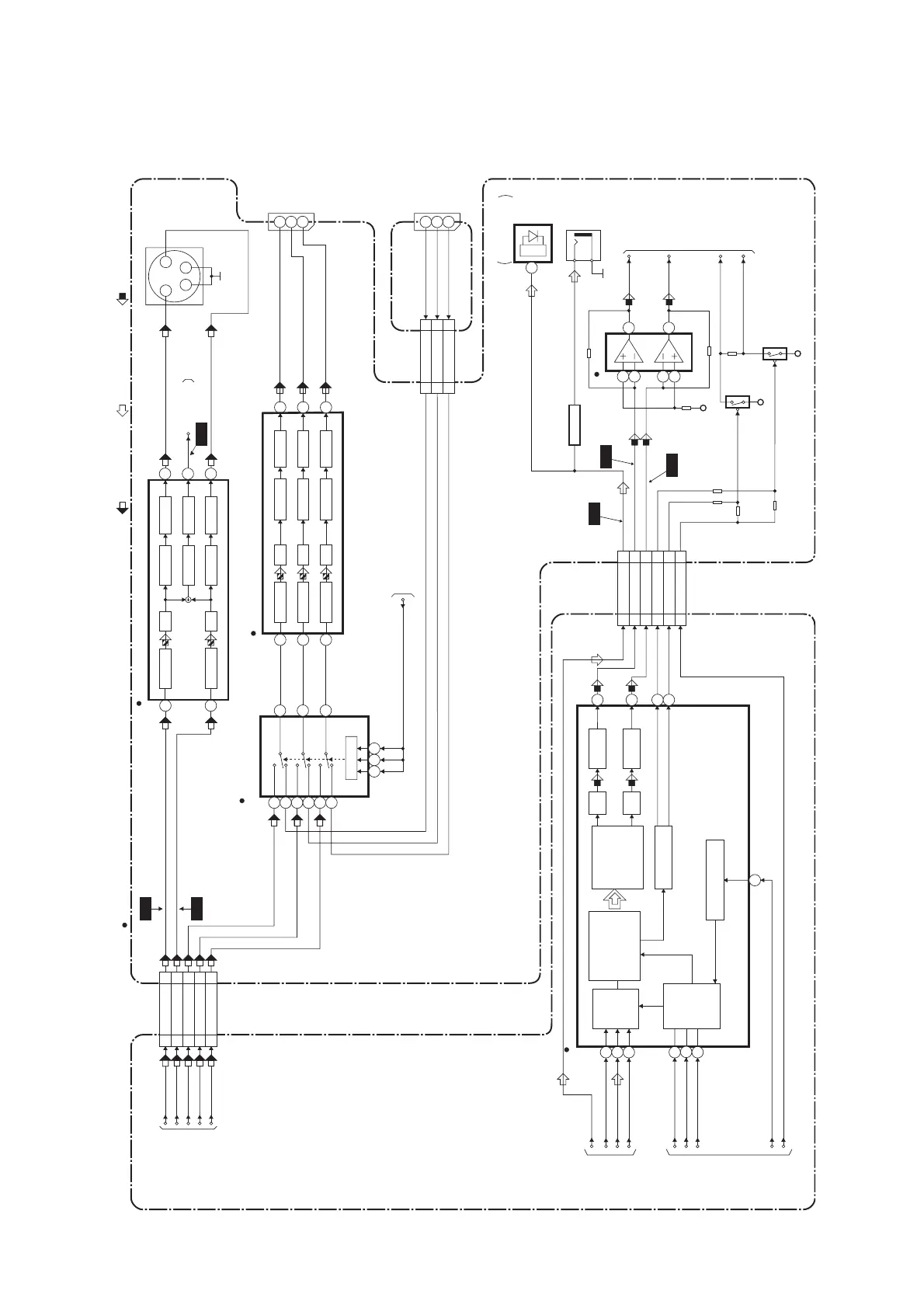
DVD Video / Audio Block Diagram
IC601 (AUDIO DAC)
7
8
12
11
DIGITAL
AUDIO OUT
JK1202
BUFFER
Q1351
IC1201
Q1203
AUDIO+5V
OUTPUT-SELECT
+3.3V
(AMP)
CN601 CN1601
14 14DVD-A(L)
16 16DVD-A(R)
20 20
DVD-A(L)-MUTE
15 15
DVD-A(R)-MUTE
13 13
DVD-A-MUTE
1
2
3
13
14
15
16
FROM
DVD
SYSTEM
CONTROL
/SERVO
BLOCK
DIAGRAM
FROM
DIGITAL
SIGNAL
PROCESS
BLOCK
DIAGRAM
SERIAL
PORT
SERIAL
CONTROL
4X/8X
OVERSAMPLING
DIGITAL FILTER
/FUNCTION
CONTROLLER
ENPHANCED
MULTI-LEVEL
DELTA-SIGMA
MODULATOR
DAC
LPF+AMP
L-CH
R-CH
LPF+AMP
DAC
ZERO DETECT
SYSTEM CLOCK
7
6
2
1
3
DVD-
A-OUT(L)
DVD-
A-OUT(R)
A-MUTE(L)
A-MUTE(R)
PCM-BCK
SPDIF
PCM-DATA0
PCM-LRCLK
ADAC-MD
ADAC-MC
ADAC-ML
PCM-SCLK
MAIN CBA
JACK CBA
DVD MAIN CBA UNIT
DVD AUDIO SIGNALDATA(AUDIO) SIGNAL
19 19SPDIF
CN2017
CN2018
13 13VIDEO-G
12 12VIDEO-B
14 14VIDEO-R
A-MUTE
+3.3V
Q1204
WF9
5
WF7
WF8
CN601 CN1601
11VIDEO-Y
10 10VIDEO-C
44VIDEO-R
88VIDEO-G
66VIDEO-B
VIDEO-Y
VIDEO-C
VIDEO-R
VIDEO-G
FROM DIGITAL
SIGNAL PROCESS
BLOCK DIAGRAM
DVD VIDEO SIGNAL
VIDEO-B
TO Hi-Fi AUDIO
BLOCK DIAGRAM
<VCR SECTION>
TO SERVO/SYSTEM
CONTROL BLOCK DIAGRAM
<VCR SECTION>
11
15
7
JK1404
DVD-G
DVD-R
DVD-B
11
15
7
JK101
DVD-G
DVD-R
DVD-B
FIBER OPTIC
TRANS MODULE
3
IC1204
JK1401
S-VIDEO OUT
3 4
2
1
YC
DVD-VIDEO
TO VIDEO
BLOCK DIAGRAM
<VCR SECTION>
IC102 (VIDEO DRIVER)
104dB AMP 2dB AMP
LPF DRIVER
11
4dB AMP 2dB AMP
LPF DRIVER
154dB AMP 2dB AMP
LPF
SW CTL
DRIVER
5
4dB AMP 2dB AMP
LPF DRIVER
6
8dB AMP
DRIVER
4dB AMP 2dB AMP
LPF DRIVER
3
1 7
8
6
1
IC1403
IC101
(OUTPUT SELECT)
(VIDEO DRIVER)
-6dB
10 119
" " = SMD
13
12
1
2
3
4
14
15
4
WF4
WF5
WF6
www.freeservicemanuals.info

Table of Contents

Related product manuals