EasyManua.ls Logo

Philips DVP620VR/00 - Page 343

Philips DVP620VR/00
398 pages
Print Icon
To Next Page IconTo Next Page
To Next Page IconTo Next Page
To Previous Page IconTo Previous Page
To Previous Page IconTo Previous Page
Loading...
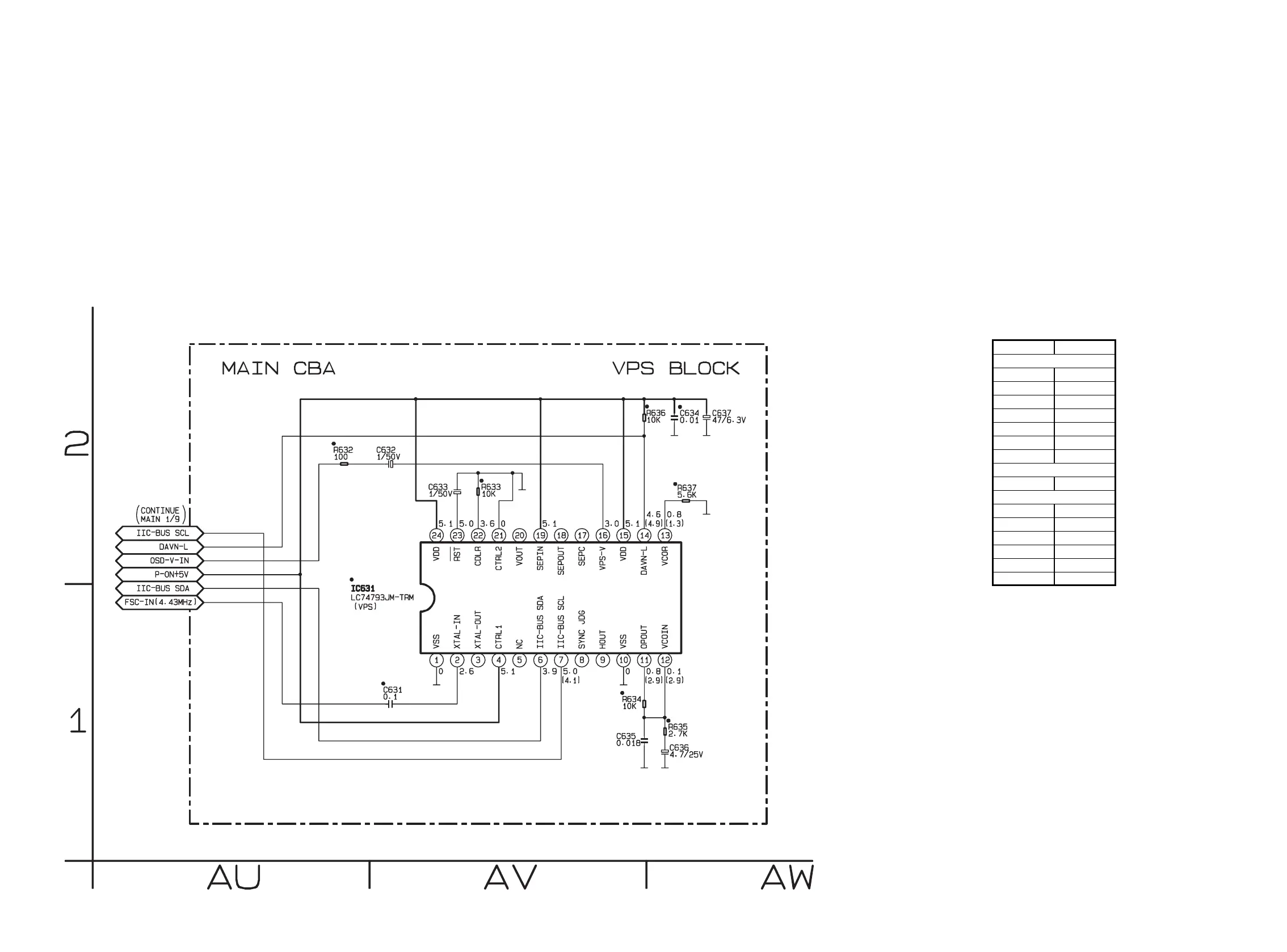
Main 9/9 Schematic Diagram < VCR Section >
1-12-23 1-12-24 H9724SCM9
MAIN 9/9 Schematic Diagram
Parts Location Guide
Ref No. Position
C631 AV-1
C632 AV-2
C633 AV-2
C634 AW-2
C635 AV-1
C636 AW-1
C637 AW-2
IC631 AV-1
R632 AU-2
R633 AV-2
R634 AV-1
R635 AW-1
R636 AV-2
R637 AW-2
RESISTORS
CAPACITORS
IC
www.freeservicemanuals.info

Table of Contents

Related product manuals