EasyManua.ls Logo

Philips FW-C390 - KARAOKE PART CIRCUIT DIAGRAM; Karaoke Circuitry Details

Philips FW-C390
80 pages
Print Icon
To Next Page IconTo Next Page
To Next Page IconTo Next Page
To Previous Page IconTo Previous Page
To Previous Page IconTo Previous Page
Loading...
6-7
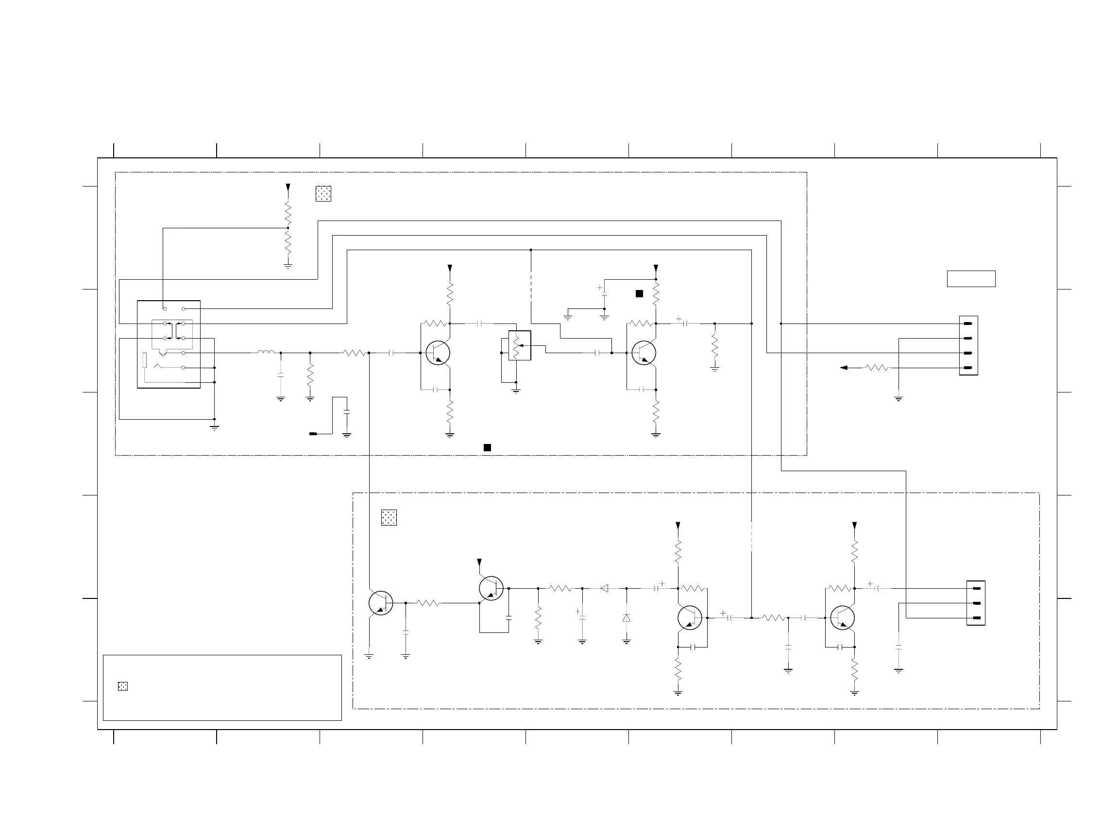
KARAOKE PART - CIRCUIT DIAGRAM
#
VCD
TO MPEG
GND_A
B
C
D
E
30 D9
1800 C1
1801 B9
1802 C2
2800 B2
2801 B3
2802 B5
2803 B4
2804 B4
2805 B5
2806 B6
2807 B6
2808 E3
2809 E4
2810 E5
2811 D6
2812 E6
2813 E6
2814 E7
2815 E7
2816 E8
2817 D8
2818 E8
2819 C3
+12V_A
#
Mic_Det
TO AF9
SIMPLE KARAOKE
QE10
123456789
123456789
A
B
C
D
E
A
3800 A2
3801 A2
3802 B2
3803 B3
3804 B4
3805 B4
3806 C4
3807 B4
3808 B6
3809 B6
3810 C6
3811 B6
3812 B8
3813 D4
3814 E5
3815 D5
3816 D6
3817 D6
3818 E6
3819 E7
3820 D8
3821 D8
3822 E8
4800 D7
5800 B2
6800 D5
6801 E5
7800 B4
7801 B6
7802 D4
FOR VCD VERSION : ITEM 3808 IS 390 OHM
7803 E6
7804 E8
7805 D3
9800 A5
#
1u
2813
2819
GND_AMIC
100n
2818
3800
GND_A
3K3
MIC
3811
100K
2804
2801
220n
3817
1n
2806
1M
GND_A
1u
2817
5800
22u
GND_A
20K
3807
RK09D
470n
2803
2805
470n
3806
33R
MIC
3801
6K8
1801
FE-BT-VK-N
1
2
3
4
10K
3814
3
4
5
6
4800
100n
TC38
1800
9
8
7
1
2
1N4148
6800
1N4148
100n
2814
6801
GND_A
MIC
3818
560R
1n
470R
3813
3803
4K7
7803
BC847B
2K7
3804
10K
3802
1n
2809
7805
BC847B
BC847B
7802
3820
3K3
3816
DIPMATE
30
1
2
3
3815
10K
1n
MIC
GND_A
1802
RT-01T 1
2816
3822
2K7
2810
10u
GND_A
3812
470R
2815
3821
1M
MIC
100n
2800
10u
2807
4K7
MIC
4n7
1u
2811
GND_A
9800
MIC GND_A
47u
2802
GND_A
MIC
1n
2812
BC847B
7804
820R
3808
3809
1M
BC847B
1M
3805
8K2
3819
GND_A
7800
GND_A
2808
1n
7801
3810
330R
+12V_A
+12V_A
+12V_A
+12V_A
Mic_Det
Kar_Out
+12V_A
+12V_A
Mic_Out
+12V_A
MPEG_GND
BC847B
3139 118 53880 ... 88470 ...3442 pt 2a dd wk147
LEGEND :
#
REFER TO VARIANTS TABLE IN SH130-5
FOR PROVISION ONLY
6-7

Table of Contents

Other manuals for Philips FW-C390

Related product manuals