EasyManua.ls Logo

Philips FW-C390 - TAPE ADJUSTMENT AND CHECK TABLE; Motor Speed and Wow;Flutter Adjustments; Azimuth, Frequency Response, and Bias Adjustments

Philips FW-C390
80 pages
To Next Page IconTo Next Page
To Next Page IconTo Next Page
To Previous Page IconTo Previous Page
To Previous Page IconTo Previous Page
Loading...
9-5 9-5
# For Auto-reverse version only
* If high frequencies are not within limits, decrease bias and re-measure.
If distortion is too high, increase bias and re-meaure
^ Not applicable for Ferro version
PLAY
mV-meter
check
limits see fig.1
CHECK PLAYBACK FREQUENCY RESPONSE
TAPE ADJUSTMENT & CHECK TABLE
TEST
CASSETTE
RECORDER
MODE
MEASURE
ON
READ ON
ADJUST
with
ADJUST MOTOR SPEED
SBC420
3150Hz
PLAY B
PLAY A
frequency
counter
3620
check
NORMAL SPEED
PLAY
PLAY FWD
PLAY REV #
W&F-meter
mV-meter
left hand screw
right hand screw
max. output level
& left=right
CHECK WOW & FLUTTER
DECK A & B
ADJUST AZIMUTH
3150Hz +/- 0.5%
3150Hz -0.8/+1.8%
<0.4 % DIN
DECK A & B
to
mV-meter
DECK B
ADJUST BIAS CURRENT
RECORD
5
6
or
LEFT
RIGHT
1
2
or
LEFT
RIGHT
1
2
or
LEFT
RIGHT
1
2
or
LEFT
RIGHT
1
2
or
LEFT
RIGHT
CHECK OVERALL FREQUENCY RESPONSE AND DISTORTION
Inject 3mV signals
100Hz, 250Hz, 1kHz,
10kHz, 12.5kHz
1
2
or
LEFT
RIGHT
Inject 1kHz 8.85mV
3
4
or
via
3
4
or
via
1
2
or
LEFT
RIGHT
RECORD B
RECORD B
PLAY B
PLAY B
mV-meter
THD-meter
check
check
limits see fig. 2 *
<3% *
RECORDED
CASSETTE
RECORDED
CASSETTE
995mV
750mV +/- 1.5dB
3773
check
figure. 1
f(Hz)
level(dB)
8dB
6dB
12.5k
4k
250
80
8dB
f(Hz)
level(dB)
8dB
10dB (HSD)
6dB
10k
4k
250
100
8dB
10dB (HSD)
figure. 2
check
SBC419A^ : 4822 397 30069
SBC420 : 4822 397 30071
SBC420
3150Hz
SBC420
10kHz
SBC420
DECK A & B
SBC419A^
SBC420
SBC419A^
or
SBC420
SBC419A^
or
SBC420
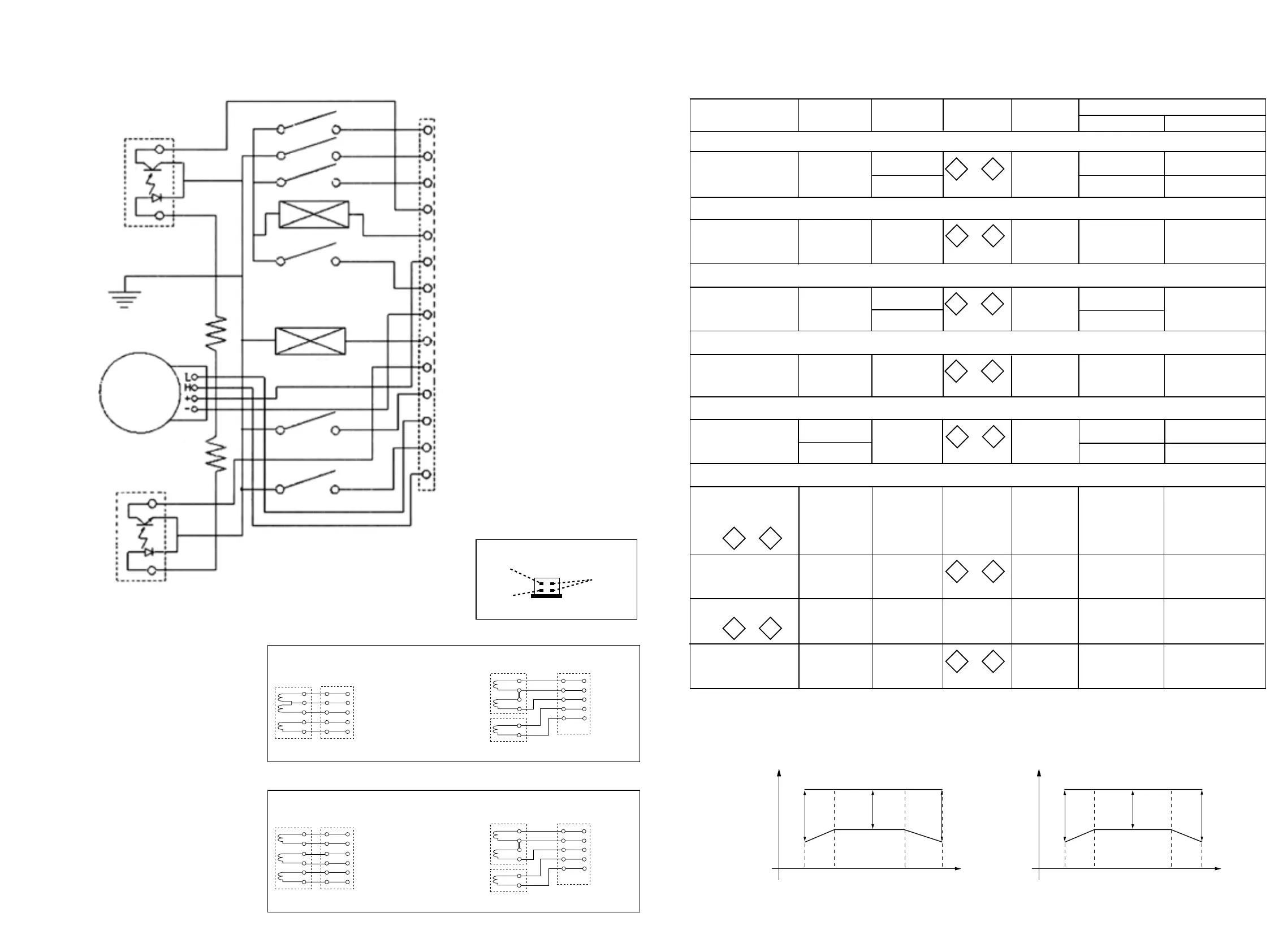
1. B Rec Switch (REV)
Rec-R
CrO2*
CrO2*
Rec-F
Solenoid
B-Mode
A-Mode
Solenoid
Motor
R1 (680R)
R2 (680R)
A Photo Sensor
B Photo Sensor
2. B CrO2 Switch
3. B Rec Switch (FWD)
4. B Photo Out
5. B Solenoid
6. Vcc 12V
7. B Mode Switch
8. Gnd
9. A Solenoid
10. A Photo Out
11. A Mode Switch
12. Motor L
13. A CrO2 Switch
14. Motor H
* No Leaf switch & copper pattern
shorted together for Ferro version
TAPE MECHANISM ELECTRONICS
Rec/Pb
Head
Head wire
connector pcb
1. White
2. Black
3. Red
4. Blue
5. Yellow
Erase
Head
For Normal Head
Rec/Pb
Head
Head wire
connector pcb
1. +L ch (White)
2. - ch (Black)
3. +R ch (Red)
4. E Head (Blue)
5. E Head (Yellow)
For Auto-reverse Head
Mechanism B Head Wires Soldering (Non-Dolby version)
Rec/Pb
Head
Head wire
connector pcb
1. White
2. Black
3. Red
4. Blue
5. Yellow
Erase
Head
For Normal Head
Rec/Pb
Head
Head wire
connector pcb
1. +L ch (White)
2. - L ch (Black)
3. +R ch (Red)
4. - R ch (Blue)
5. E Head (Yellow)
6. E Head (Yellow)
For Auto-reverse Head
Mechanism B Head Wires Soldering (Dolby B NR version)
Pink or
Red
White
Screen
(Gnd)
Play
Head
Mechanism A Head Wires Soldering

Table of Contents

Other manuals for Philips FW-C390

Related product manuals