EasyManua.ls Logo

Philips MC77 - Audio Frequency & Logic Part

Philips MC77
79 pages
Print Icon
To Next Page IconTo Next Page
To Next Page IconTo Next Page
To Previous Page IconTo Previous Page
To Previous Page IconTo Previous Page
Loading...
11-911-9
88
88 8
CHIP SELECT
I
2
C BUS
TRANSCEIVER
I/O PORT
DATA LATCHES
PWR
RES
OUT I/O IN
SHIFT
REG
8
3426 G4
3427 G11
3428 G11
3429 G5
3430 G5
3431 G9
3432 G3
7400-B C3
7402 D8
7403 F3
7404 F2
7405 F4
7406 F12
7407 G2
7408 G3
7409 G9
7410 G4
7411 H8
8302 E12
9268 G8
OUT
FAN
D
E
F
2406 D1
2407 D3
2408 D1
2409 D3
2410 D5
2411 E3
2412 E4
2413 E1
2414 F2
2415 E8
2416 D8
2417 F4
2418 H2
GND_A
from Source Selector 7506
+
3433 G4
3434 G10
3435 H14
3436 H5
3437 H8
3438 H10
3439 H5
3440 H7
6400 D8
6401 G14
6402 H8
7400-A D3
9 1011121314
123
HP_LEFT
-
FROM/TO HP SOCKET BOARD
HP_RIGHT
4567
G
H
1004 E1
1014 G1
1400 D13
1401 E9
2400 B3
2401 C3
2402 B5
2403 C1
2404 C3
2405 C4
F
G
H
A
B
C
BC817-25
BC817-25
BC817-25
BC817-25
2419 H2
2420 H5
2421 H14
3400 B3
3401 C3
3402 C5
3403 C2
3404 C2
HP_DET
SUBWOOFER
12345678
3412 D8
3413 D3
3415 E3
3418 E2
3419 F2
3420 F3
3421 F3
3422 F4
3423 F5
3424 G2
3425 G4
8 9 10 11 12 13 14
A
B
C
D
E
3405 C2
3406 C4
3407 D2
3408 D2
3409 D2
3410 D5
3411 D7
5K6
3437
10K
3423
100p
2404
470p
2401
100n
2413
4K7
3411
27K
3403
1
2
3409
27K
1401
EH-B
2R2
3440
NJM4556AM
7400-B
5
6
7
6K8
3408
7405
BC857BW
10K
3412
5R6
YKC21-3416
1
3
2
3428
2K2
3421
1004
+5V
10K
3424
3435
270R
2406
470u
100u
2410
CS1
14
CS2
4
D0
D1
56
D2
7
D3
9
D4
10
D5
11
D6
D7
12
8
GND
2
SCL
3
SDA
1
SO
13
VDD
M62320FP
7406
CS0
16
15
2421
100n
1u
2403
2402
100u
6405
BAS316
1K
3433
3404
6K8
100p
2400
6402
1N4148
7410
BC857BW
BC817-25W(COL)
7409
+5V
+5V6
2420
1u
4K7
3407
2408
1u
470R
3413
GND_D
39R
3430
+5V
3420
2K2
3418
470R
+5V_CD
1K
3432
22u
2412
39R
3425
10R
3406
3429
GND_A
3431
5K6
39R
2414
470p
2419
100p
3K3
3402
BZX384-C4V7
6400
2407
100p
2K2
3434
3401
470R
100p
2418
3405
5K6
7404
BC337-40
7402
3419
2K2
2405
4u7
27K
3400
7408
4K7
3422
1N4148
6401
7403
GND_A
3
2
1
8
4
3410
3K3
7400-A
NJM4556AM
2417
1u
+5V6
10K
3427
3426
39R
7407
1u
2415
4K7
3436
1014
FE-BT-VK-N
1
2
3
4
10K
3439
+5V
7411
BC807-25W(COL)
10K
3438
3415
27K
2416
2409
470p
2411
100p
100u
AMP_OFF
AMP_OFF
AMP_RELAIS
FAN_CONT
+12V_M
+5V
I2C_CLK
I2C_DATA
OZ_SW
AMP_LEFT
AMP_RIGHT
AMP_MUTE
+5V6
V_MID
+12V_A
SUB_W
VOL_LEFT
VOL_RIGHT
HP_DET
HP_DET
MUTE_HP
MUTE_HP
+12V_A
MUTE_SW
MUTE_SW
MIC_DET
A
UDIO
F
REQUENCY
& L
OGIC
P
ART
Power2002 Class D Combi-Audio Frequency Part 2002 04 25
A
1
1
3
3
3
5
2
FAN
+
-
4K7
3411
1
2
1401
EH-B
3412
5R6
BC337-40
7402
1u
2415
2416
100u
FAN_CONT
+12V_M
5
2
4
3
5
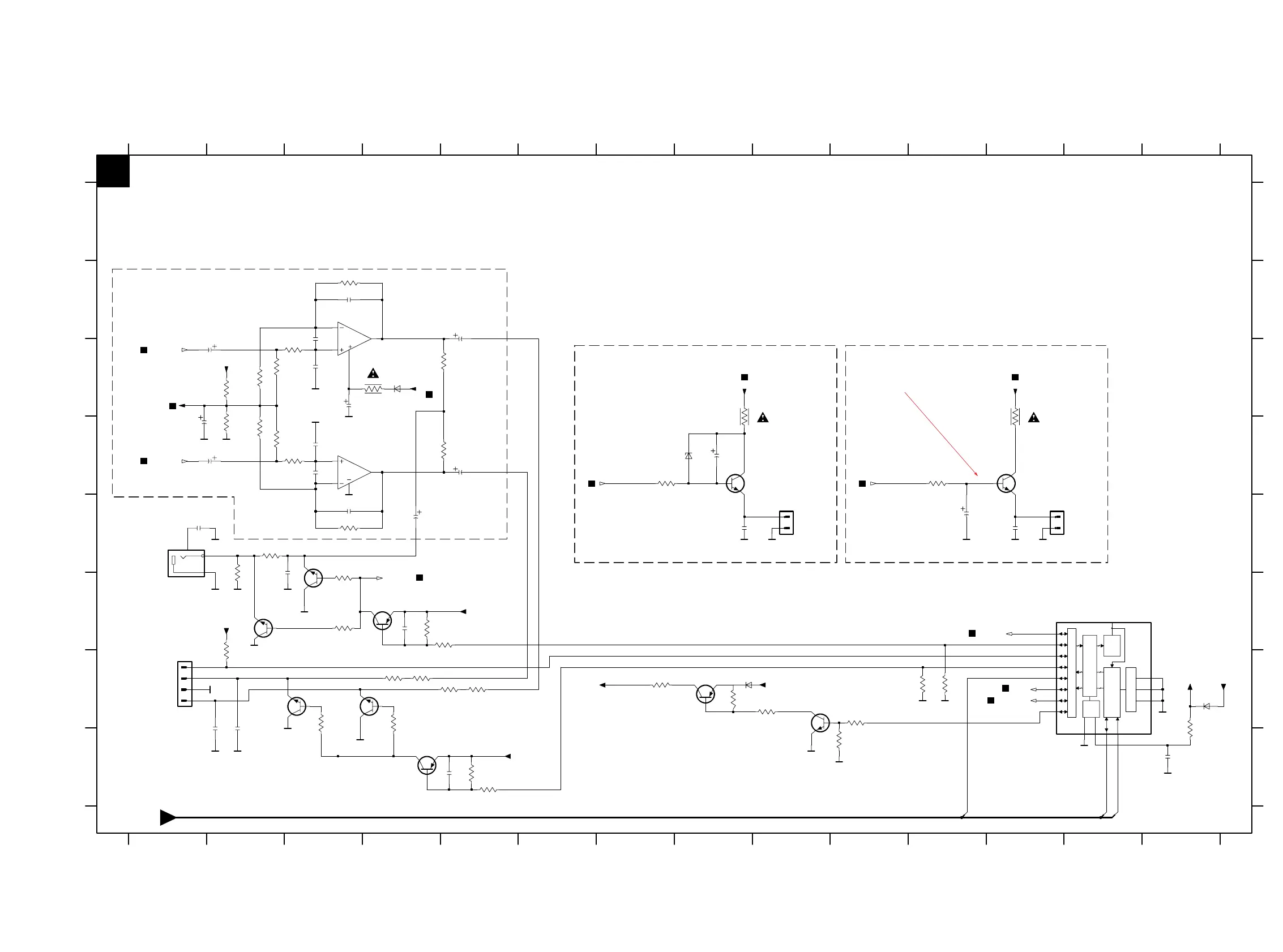
FAN CONTROL for Layout stage .6
Fan runs always. Higher volume increase the speed.
HEADPHONE AMPLIFIER
5.2V
11.5V
7.5V
8.2V
4.8V
4.6V
0.8V
0.8V
4.8V
4.8V
4.1V = MUTE
4.8V = ACTIVE
4.1V
4.4V
4.7V
3.9V
0V
0.7V
4.1V
11.5V
5.2V
5.2V
FAN CONTROL for Layout stage .7
Fan runs not at low volumes.
Higher volume starts the fan.
The fan-speed depends on the output power.
11.5V
1V..10.3V
1.5V..11V
2
www.freeservicemanuals.info
11/03/2012
www.nostatech.nl
World of free manuals

Table of Contents

Other manuals for Philips MC77

Related product manuals