EasyManua.ls Logo

Philips MC77 - P2002 70 W CLASS D MAINS

Philips MC77
79 pages
Print Icon
To Next Page IconTo Next Page
To Next Page IconTo Next Page
To Previous Page IconTo Previous Page
To Previous Page IconTo Previous Page
Loading...
11-16 11-16
T. F
NTC
2345678
BD438
2
T1A25 NON ECO
C
D
E
45678910
1 910
A
B
C
D
E
A
B
PWR_DWN
F2
NTC
/21 ONLY
123
1221
/21 ONLY
1220
97TS
NOT /21
1
T1A25 NON ECO
P2002 70W CLASS D MAINS
IEC
1204
F1
-Vkk
FROM / TO COMBI
/37 ONLY
BD438
1mH
-AMP
-AMP
+AMP
+AMP
+D
+D2
TO COMBI
5220
5V6_ECO
LOW_PWR_CTRL
1mH
T4A UL
100n
6210
1N5392
2204
100n
0u47
2205
6222
BZX79-C5V6
6220
1N4148
2210
100n
10K
3218
3204
10M
2214
220n
6224
BZX79-B2V7
7205
BC337-40
3222
100R
3215
680R
7203
9201
3202
33K
100n
9200
2215
3213
470R
3220
330R
BZX79-C39
6223
330R
3211
3223
4K7
33K
3200
2230
4m7
1223
1205
T1A6
6202
GBU8D
T2A
1209
19372
2222
470n
7206
BC547B
6216
1N4148
2K2
3217
78
9
13
14
15
16
17
2
3
4
5
6
2000TS-092
5001
1
10
11
12
2228
22u
2223
1N4148
6212
1N5392
6206
2217
220u
7204
BC557B
1N4003
6213
1N4148
6228
3206
10M
6204
BZX79-C33
3300u
2233
2226
100n
2218
22n
19372
1212
T5A
5
6
2
4
1
3
5204
3A1631N
7200
1N5392
6207
100K
3219
2213
100u
4R7
3201
2220
47n
100n
2200
2203
100n
6225
1N4003
T5A
1203
19372
3221
330R
2207
100u
100u
2208
1N4003
6227
1N4148
6215
4m7
2231
5202
5203
6229
1N4148
100n
2209
6
7
8
9
4K7
3207
0201
1
10
2
3
4
5
100n
2225
1N4148
6221
6217
1N4003
6209
1N5392
2201
4n7
6201
3205
680R
BZX79-F8V2
3203
3K9
1N4148
6200
1N4148
6211
6219
1N4148
3
4
5
6
7
1222
1210
1
2
2212
6m8
T1A6
1201
3212
4M7
4
SDKP
1206
2
5
3
6
1
1207
19372
2219
2n2
2211
T2A
3m3
1N4003
6226
2216
10u
2232
3300u
OZ
1208
4
3
5
7
6
8
12
2224
10n
MAINS_2
-Vkk
MAINS_2
+AMP
-AMP
PWR_DWN
LOW_PWR_CTRL
+D2
+D2
+D
-AMP
+AMP
5V6_ECO
LOW_PWR_CTRL
NTC
PWR_DWN
F2
F1
-Vkk
12V_RELAIS
+D2
+D
MAINS_1
MAINS_2
5V6_ECO
12V_RELAIS
MAINS_1
NTC
F1
F2
DISPLAY
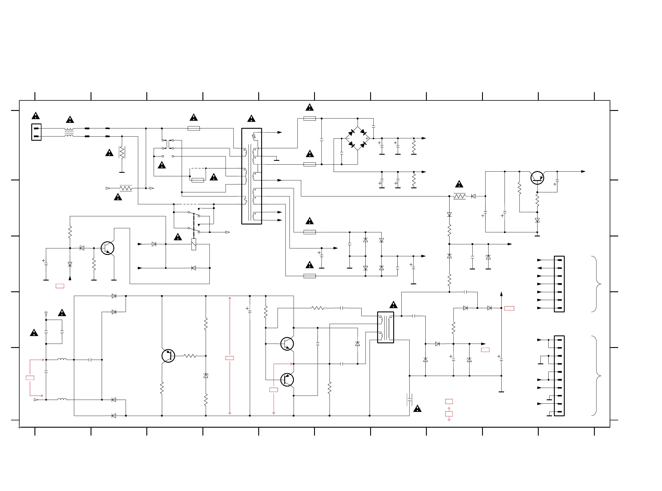
MC-77 Mains Board Circuit Diagram 2002 04 10
0201 D10
1201 A3
1203 A5
1205 A3
1206 A3
1207 B5
1208 C3
1209 C5
1210 C10
1212 B5
1222 A2
1223 A2
2200 A6
2201 C8
2203 A6
2204 A6
2205 A10
2207 B8
2208 B9
2209 C6
2210 C7
2211 C7
2212 C6
2213 D4
2214 D1
2215 D5
2216 E8
2217 E9
2218 E1
2219 E7
2220 E1
2222 D1
2223 D6
2224 E6
2225 C8
2226 D7
2228 C1
2230 A7
2231 B7
2232 A7
2233 A7
3200 A8
3201 B8
3202 A8
3203 B9
3204 A2
3205 B9
3206 B2
3207 C8
3211 D4
3212 D5
3213 D8
3215 E3
3217 C2
3218 B1
3219 E6
3220 E4
3221 D6
3222 E3
3223 B8
5001 A4
5202 E1
5203 E1
5204 D7
6200 B8
6201 C9
6202 A6
6204 B9
6206 C6
6207 C7
6209 C6
6210 C7
6211 C3
6212 C3
6213 D2
6215 D8
6216 D9
6217 D2
6219 D6
6220 D8
6221 E8
6222 E8
6223 E3
6224 C1
6225 E2
6226 E2
6227 B8
6228 C1
6229 C8
7200 A9
7203 D3
7204 E5
7205 B2
7206 D5
9200 A3
9201 B3
5.6V
13.3V
xxV PLAY MODE
xxV ECO STANDBY MODE
xxV measured with a " not grounded multimeter "
4.7V
0.7V
0V
10.2V
10.9V
22.9V
22.9V
-38V
-38V
+38V
+38V
5.6V
5.3V
-33.4V
10.9V
38V
-38V
-46V
-33.4V
-34V
5.3V
0V
41V
38V
19V
www.freeservicemanuals.info
11/03/2012
www.nostatech.nl
World of free manuals

Table of Contents

Other manuals for Philips MC77

Related product manuals