EasyManua.ls Logo

Philips MC77 - Amplifier Part Left Channel

Philips MC77
79 pages
Print Icon
To Next Page IconTo Next Page
To Next Page IconTo Next Page
To Previous Page IconTo Previous Page
To Previous Page IconTo Previous Page
Loading...
11-1111-11
2106 B11 2134 E13
2132 C4
2130 G10
2128 G10
2126 F7
2125 E1
2124 F10
2122 C10
E
2118 F10
2117 E13
2116 E12
2115 E13
2114 D9
2112 D10
2111 C3
2110 D8
2109 C13
2104 A2
2103 A9
2102 A10
2101 A11
2100 A10
3110 B5 3135 E9
3134 D6
3133 D7
3130 F10
3129 F10
3128 E13
3127 C2
3126 A1
2136 F10
2135 F3
3122 C4
3121 C3
3120 C3
3119 D9
3117 B6
3116 C12
3115 E5
3114 B5
3113 C13
2120 E1
2119 F2 3109 B9
3108 A2
3107 D7
3106 B11
3103 B10
3102 C2
3101 B10
3100 A2
2137 G12
2108 A5
5100 A10 7111 C9
7110 C13
7109 B10
7105-F B6
7105-E B7
7105-D B8
7105-C B8
7105-B C8
3139 E2
3136 E11
6111 F7
6109 E6
6108 D4
6107 D9
6106 D8
6104 C12
5105 A2
5103 G10
5102 D12
3125 F3
3123 D9 3149 G2
3148 F2
3147 B1
3146 F5
3144 F2
3143 E5
3142 F7
3141 C10
3140 E3
3112 C13
7119 D77113 F9
7112 C12
7130 A3
7129 B2
7128 E5
7122-F E4
7122-E A5
7122-D A4
7122-C E3
7122-B E3
7122-A E2
7105-A C8
7104 B11 7118-F F8
7118-E F8
7118-D E8
7118-C F7
7118-B F6
7118-A F5
7117 F11
7115 C4
7114 C8
5101 D12
876
8
4321
3 121110
7105 = 74LV14
7118 = 74LV14
BC856B
BC856B
STP14NF12FP
STP14NF12FP
2SC2713-GR
8300 G13
7131 C27121 E10
4
BC856B
7122 = 74HCU04D
7122 = 74HCU04D
BC807-25
BC817-25
BC817-25
BC807-25
2SC2713-GR
21
G
F
B
D
C
B
A
10
G
F
E
D
C
5
A
131211
13
9
9765
12
7122-F
13 12
7118-A
7122-E
11
7
10
6
7122-D
9
7
8
7
14
2
7122-C
5
11 10
7122-A
1
7118-D
9
14
8
7105-E
7118-F
13
7
12
7118-E
11 10
8
7118-C
56
7105-D
9
14
3139
1n5
2119
2
7105-C
56
1K
4
7105-A
1
7
BAS316
7105-B
3
3119
3K9
6107
10u
2114
2110
BZX384-C6V8
6106
22R
3109
1u
3117
2K2
7114
3142
1K
47p
2126
1u
2120
1K5
3140
22R
3141
1K
3146
100n
220p
2122
2128
2124
10K
3136
4
22R
3135
330u
13 12
7118-B
3
5103
7105-F
3149
4K7
18K
3144
180K
3134
470R
3148
820R
3133
7115
7119
3122
3K9
100K
3110
7113
7121
7109
100n
10K
3100
21015100
3120
3K9
3121
2111
10u
6108
3K9
BZX384-C6V8
5102
HF2024
12
43
2116
330u
2102
330n
1n
2115
3128
10K
3116
470K
7110
BC847BW
3112
47K
3113
22K
3143
470R
7128
47u
2109
BC857BW
7112
7104
BAS316
6104
3130
0R068
3103
470R
2n2
2106
7129
3101
0R068
10n
2108
3147
3K3
1n
2117
3106
22K
3129
470R
7117
2n2
2118
10n
2104
4n7
2125
4
1
2
6111
BAS316
5101
30uH
220R
3123
3108
4K7
2134
220n
220p
2112
4
2135
1n
7122-B
3
7111
2132
1u
3115
470R
3107
1K
3114
4K7
100n
2130
100n
2100
8300
2136
100n
2137
100n
1K
3125
10K
3126
4K7
3102
100n
2103
6109
BC847BW
7130
1K
3127
BAS316
-AMP_L
+VL
+V1L
+5V_AMP
-V1L
BC846B
7131
SC_L
-VL
DC_PROT
-VL
+AMP_L
-V1L
+V1L
AMP_OFF
LOZ
+V1L
+VL
-VL
-VL
SC_L
AMP_D
-VL
5V6-VR1
LNF
+5V6_AMP
to_LS_L
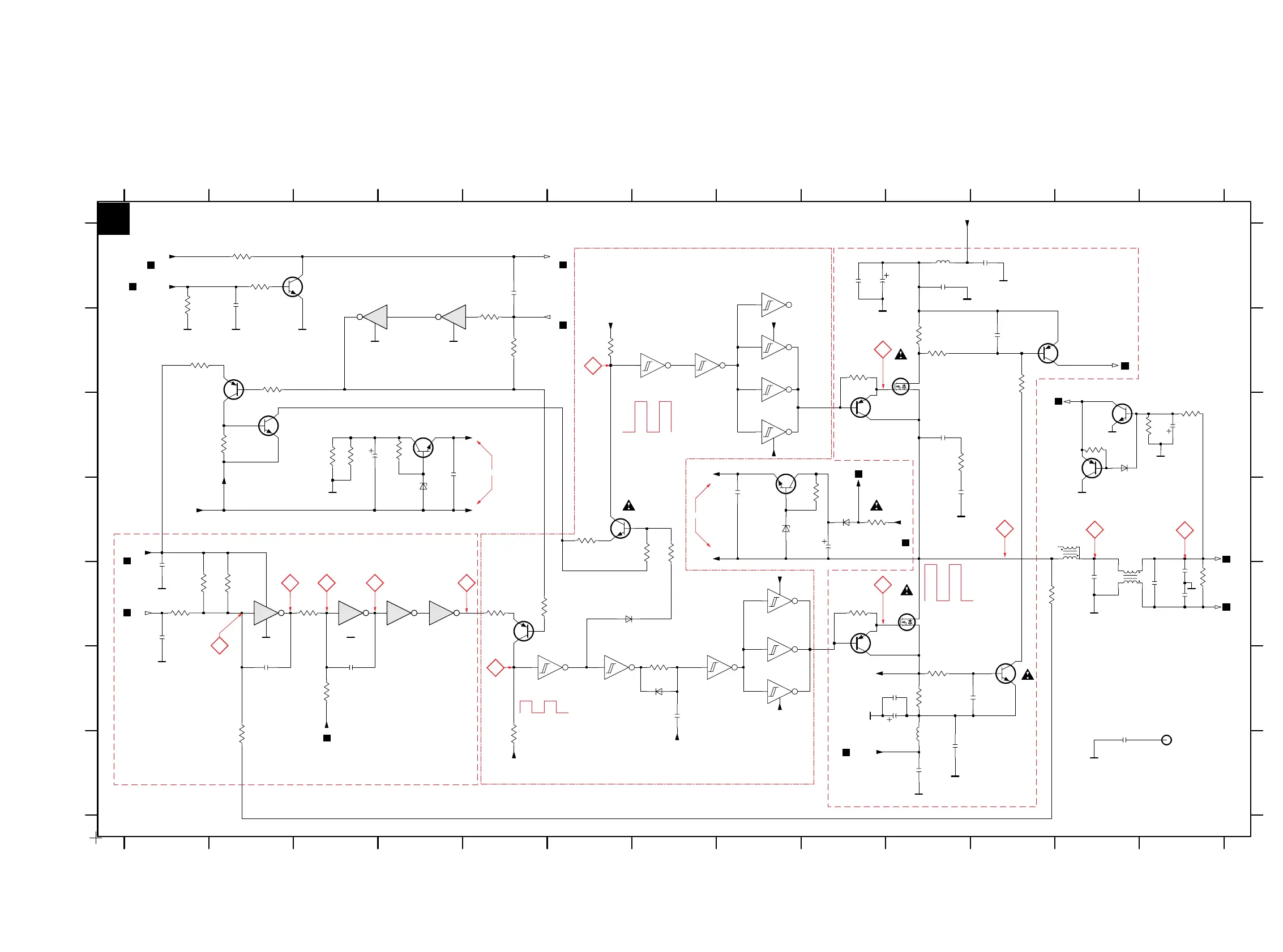
AMPLIFIER PART LEFT CHANNEL
-VL
-VL
Power2002 Class D Combi-Amplifier Part left channel 2002 04 25
D
ABCF
E
2
5
4
3
3
+5V_AMP
3
3
1
3
5
4
4
5
5
to_LS_L_neg
Bead
100MHz
Bead
100MHz
0.7V
0V
0V
5V
5V
0.5V
0V
-37.5V
-38V
-38V
-19V
-31.7V
-38V
-31V
2.3V
2.3V
2.0V
2.3V
2.2V
0.3V
0V
-34.3V
3.0V
-36.7V
-36.8V
6.3V
5.9V
35.8V
0V
0V
-38V
-34.8V
POWER STAGE
DRIVER
AMP ON = H = 4V
MODULATOR
0V
0V
AMP OFF = L = 0V
6.3V
38V
0V2.5V 0.7V
0V
6.3V = supply for 7118
6.3V = supply for 7105
0VDC
-38V
B
C FED
G
1
H
1
H
2
G
2
I
K
J
4
for wave forms see chapter 11-4 Service Hints
www.freeservicemanuals.info
11/03/2012
www.nostatech.nl
World of free manuals

Table of Contents

Other manuals for Philips MC77

Related product manuals