EasyManua.ls Logo

Philips MX5100VR/37 - Helpful Hint; Rear Panel 27

Philips MX5100VR/37
165 pages
Print Icon
To Next Page IconTo Next Page
To Next Page IconTo Next Page
To Previous Page IconTo Previous Page
To Previous Page IconTo Previous Page
Loading...
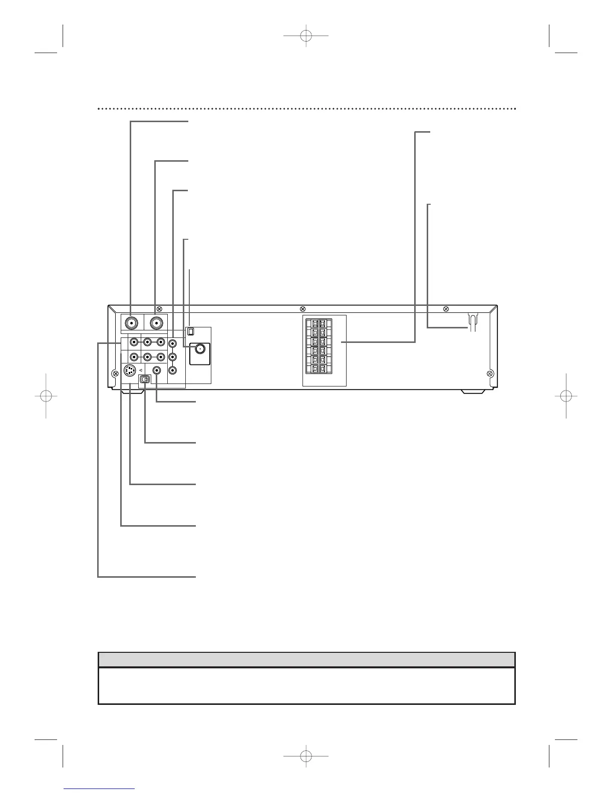
Rear Panel 27
The S-VIDEO OUT, COMPONENT VIDEO OUT, and DIGITAL AUDIOOUT COAXIAL jacks are only useful in
DVD mode.To have sound and picture in VCR mode,connect either the RF coaxial cable or the audio/video
cables.Details are on pages eight and 11.
Helpful Hint
VIDEO
TV ANTENNA
AUDIO
R L
PROGRESSIVE
OUT
IN
ANTENNA 75
ANTENNA 75
Y
Pb/Cb
Pr/Cr
FM
(75)
DIGITAL
AUDIO OUT
COAXIAL
S-VIDEO
OUT
VCR
IN
DVD/
VCR
OUT
COMPONENT
VIDEO OUT
AM
FL
FR
C
SL
SR
W
SPEAKER (4)
P I
TV ANTENNA OUT Jack
Use an RF coaxial cable to connect this jack to the
ANTENNA IN jack on your TV, Cable Box,or Satellite
Receiver. Details are on pages 8-10.
TV ANTENNA IN Jack
Connect your antenna or Cable TV/Satellite signal
here.Details are on pages 8-15.
COMPONENT VIDEO OUT Jacks
(Y Pb/Cb Pr/Cr) (green,blue, red)
Connect component video cables here and to the
Component Video In jacks of a TV.This supplies the
picture only for the DVD Player. Details are on page 12.
FM jack
Connect the supplied wire FM antenna or an exterior
FM antenna (not supplied) here.Details are on page 16.
AM jack
Connect the supplied AM antenna here.
Details are on page 16.
DIGITAL AUDIO OUT COAXIAL Jack (black)
Connect a coaxial digital audio cable here and to the Coaxial Digital
Audio In jack of a Stereo.This supplies audio only for the DVD
Player.Details are on page 15.
P/I PROGRESSIVE Switch
Set to P (Progressive) only if you are using a Component Video
connection to a TV with Progressive Scan.Details are on page 12.
Set to I (Interlace) for all other connections.
S-VIDEO OUT Jack
Connect an S-Video cable here and to the S-Video In jack of a TV.
This supplies the picture only for the DVD Player.
Details are on page 13.
AUDIO and VIDEO (VCR IN) Jacks
Connect audio and video cables from a camcorder,VCR, DVD Player,
or audio source here.This will be useful if you want to copy a
videotape or watch/hear material that is playing on other equipment.
Details are on page 37.
AUDIO and VIDEO (DVD/VCR OUT) Jacks
Connect audio and video cables here and to the Audio/Video In
jacks of a TV or Stereo. Details are on pages 11-14.These jacks
provide audio/video for both the DVD Player and the VCR.
SPEAKER jacks
Connect the supplied
FRONT,CENTER,
and REAR speakers
and Subwoofer here.
Details are on page 17.
AC Power Cord
Connect the power
cord to a standard
AC outlet to supply
power to the System.
MX5100VR.qxd 6/04/2004 3:37 PM Page 27

Table of Contents

Related product manuals