EasyManua.ls Logo

Philips MX5500D/21S - Circuit Diagram 3

Philips MX5500D/21S
118 pages
Print Icon
To Next Page IconTo Next Page
To Next Page IconTo Next Page
To Previous Page IconTo Previous Page
To Previous Page IconTo Previous Page
Loading...
12-8
12-8
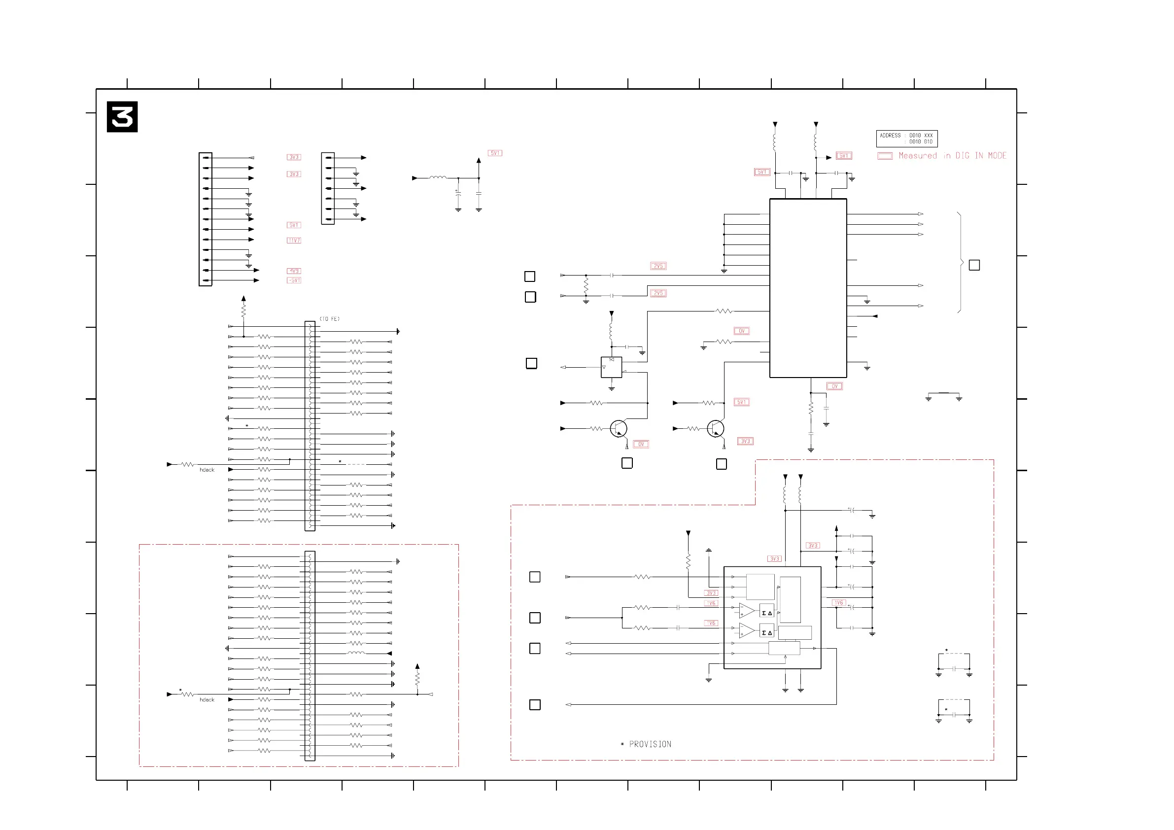
CIRCUIT DIAGRAM 3
EN
UDA1361TS
7502
11 BCK
13D ATAO
14 FSEL
7 PWON
6 SFOR
8 SYSCLK
16
VDDA
9
VDDD
1 VINL
3 VINR
2VREF
4VREFN
5VREFP
15
VSSA
10
VSSD
12 WS
ADC
CLOCK
CONTROL
ADC
DIGITAL
INTERFACE
DECIMATION
FILTER
DC-CANCEL
FILTER
3530
22R
I
A
B
C
D
E
F
G
H
I
1501 A2
2
1234567
1
8 9 10 11 12
123456789101112
A
B
C
D
E
F
G
H
1503 A3
1504 F3
1505 G3
2501 A10
2502 A10
2503 C7
2504 C7
2505 B5
2506 B5
2507 E10
2508 G8
2509 H8
2510 F11
2511 F11
2512 G11
2513 G11
2514 G11
2515 G11
2516 H11
2517 I12
2518 E10
2519 D7
2520 H12
3500 D9
3501 C7
3502 C9
3503 E8
3505 E10
3508 G8
3509 G8
3510 G8
3511 H8
3512 E9
3513 E7
3514 E7
3521 D2
3522 D2
3523 D2
3524 D2
3525 D2
3526 D2
3527 D2
3528 E2
3529 E2
3530 E2
3531 E2
3532 E2
3533 E1
3534 E2
3535 F2
3536 F2
3537 F2
3538 F2
3539 F2
3540 D4
3541 D4
3542 D4
3543 D4
3544 D4
3545 D4
3546 E4
3547 E4
3548 F4
3549 F4
3550 F4
3551 F4
3561 G2
3562 G2
3563 G2
3564 G2
3565 G2
3566 H2
3567 H2
3568 H2
3569 H2
3570 H2
3571 H2
3572 I2
1
3573 I1
3574 I2
3575 I2
3576 I2
3577 I2
3578 I2
3579 I2
3580 G4
3581 G4
3582 G4
3583 G4
3584 G4
3585 H4
3586 H4
3587 H4
3588 I4
3589 I4
3590 I4
3591 I4
3592 I4
3593 C2
3594 H5
4521 E4
4522 H12
4523 I12
5501 A5
5502 A9
5503 A10
5504 F10
5505 F10
5506 D7
5507 H4
7501 C10
7502 G9
7503 D7
7504 E7
SPDIF CONVERTER & ADC
1
1
1
2
1
2
2
5502
22R
3588
22R
22R
3522
adc
D
D
22R
3581
3537
22R
MIC_GND
+12V
DD
+5D
+5D
+5D
+5D
3568
adc
D
+5V
D
FLT
1505
3590
22R
3572
22R
12K
3511
22R
3542
5506
D
BC847BW
7505
+3V3
3527
22R
+3V3_ADC
3538
5504
D
+3V3
+5D
D
3521
22R
4521
D
3592
22R
D
5507
3549
22R
3546
3548
22R
22R
D
22R
3539
3536
3535
22R
22R
3534
4K7
3526
22R
-5V_v
1K2
3505
+5VS
10K
3500
22R
3578
22R
3561
+3V3
MIC_GND
22R
3528
22R
3529
22R
adc
2501
100n
3580
2513
100n
2516
22R
3577
100n
3576
22R
3
4
5
6
7
8
9
FMN
1501
1
10
11
12
13
2
3585
22R
AGND
AGND
+5V_v
4n7
2518
D
+3V3
+3V3
2515
47u
3508
47R
100n
2519
47R
3509
3501
75R
10K
3513
4K7
3514
2514
47u
D
D
+5D
M
2511
100n
AGND
+3V3
2503
100n
22R
3540
+5V
+3V3
D
22R
3567
3565
22R
22R
3564
3579
22R
2
3
1
5
4
D
D
74HC1G125
7503
3512
10K
+5VS
D
22R
3525
47u
2512
4K7
3503
38
39
4
40
5
6
7
8
9
28
29
3
30
31
32
33
34
35
36
37
19
2
20
21
22
23
24
25
26
27
1
10
11
12
13
14
15
16
17
18
3575
22R
4K7
3574
22R
3570
MIC_GND
adc
5505
2517
100n
100n
2504
D
M
3586
22R
1
2
3
4
5
6
7
FMN
1503
M
+12V
4K7
3573
22R
adc
100u
2510
AGND
D
1u0
2508
4523
4522
10K
3593
3594
10K
D
3569
22R
2509
1u0
D
100n
2520
+5D
5501
3533
4K7
25V10u
2505
39
4
40
5
6
7
8
9
3
30
31
32
33
34
35
36
37
38
2
20
21
22
23
24
25
26
27
28
29
1
10
11
12
13
14
15
16
17
18
19
+5D
1504
FLT
D
22R
3551
22R
3550
D
7504
BC847BW
D
adc
3510
12K
47R
3502
1u0
2506
22R
3545
3541
22R
+5V
SDA|CDOUT
SDOUT
18
SDOUT
20
UU
6
VA+
VA+
VD+
VD+
23
MIC_GND
RXP1
RXP2
13
RXP2
14
RXP3RXP3
15
RXP4RXP4
25
RXP5RXP5
RXP6
26
RXP6
SCL|CCLK
28
SCL|CCLK
SDA|CDOUT
1
OLRCK
21
OMCKOMCK
OSCLK
16
OSCLK
11
RERRRERR
RMCK
10
RMCK
RST_
9
RXN0
5
RXN0
RXP0
4
RXP0
RXP1
12
2
27
AD1|CDINAD1|CDIN
7
AGND
AGND
DGND
22
DGND
EMPH_
3
FILT
8
FILT
H|S_
24
INT
19
INT
17
OLRCK
7501
CS8415A
AD0|CS_
M
D
D
3563
22R
22R
3532
3531
22R
3547
22R
22R
3589
+5D
3524
22R
22R
3523
5503
22R
3587
3591
22R
22R
3584
3583
22R
22R
3582
3544
22R
D
22R
3543
22R
3571
+5VS
D
+5D
100n
2502
2507
100n
+5D
D
22R
3566
3562
22R
+5D
c_det
HD7
HD7
HD13
HD14
HD15
HD0
HD1
HD2
HD3
HD4
HD5
HD6
HCS3
hpdiag
p28_1
hdasp
hdrq
MCLK
HD10
HD11
HD12
HD13
HD14
HCS16
hpdiag
HA2
HCS3
HD15
MIC_IN
MCLK
RWS
RBCLK
IDE_RST
HRD
HWR
HIORDY
HCS16
HCS1
HIRQ
HA0
HA1
HA2
HD8
HD9
HD10
HD11
HD12
HWR
SP_EN
HD8
HD9
TDMCLK
TDMFS
+5VS
DIG_IN_1
DIG_IN_2
SP_RST
HRD
IDE_RST
HCS1
HA1
HD0
HD2
HD6
HD5
HD4
HD3
HD1
HIORDY
HIRQ
HA0
hdasp
CARD_ON
RSD
+3V3_SENSE
+3V3_ADC
+3V3_ADC
TDMDR
I2C_DATA_AD
I2C_CLK_AD
7505 E9
6.3V
FOR VERSION WITH KARAOKE ONLY
To AV Board
3139 113 3511pt 3 dd wk316
To FE Board
MEDIA SLOT (PCMCIA) ONLY

Table of Contents

Related product manuals