EasyManua.ls Logo

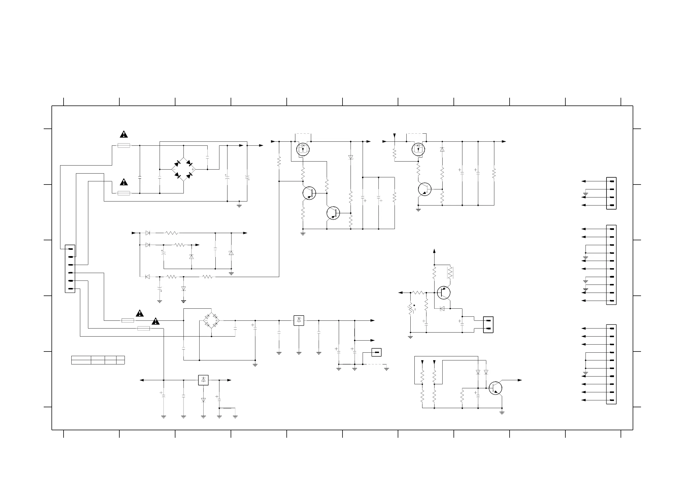
Philips MX5500D/21S - Supply Board - Circuit Diagram

Philips MX5500D/21S
118 pages
Print Icon
To Next Page IconTo Next Page
To Next Page IconTo Next Page
To Previous Page IconTo Previous Page
To Previous Page IconTo Previous Page
Loading...
SUPPLY BOARD - CIRCUIT DIAGRAM
8-10
8-10
t
1205
12345678910
12345678910
A
B
C
D
E
A
B
C
D
E
1100 D6
A40
L4941
1200 A2
1203 A2
1204 D2
1205 D2
1258 D10
1259 D8
1263 A10
1264 B10
1270 C1
2200 C3
2201 C2
2202 E8
2203 A3
2204 A2
2205 A2
2206 A8
2207 B6
2208 D4
2209 D4
2211 D4
2212 D5
-50V
1204
i6000 T 6.3A
75W/100W T 4A
250V
250V
UL
IEC
PROVISION
2213 D3
2215 E2
2217 E3
2218 E3
2219 E5
2220 E6
2222 A4
2223 A3
2224 D7
2225 D8
2226 B6
2227 A8
2228 C2
3200 B2
3201 A6
3202 A4
3203 A5
3204 B5
3205 A7
3206 A7
3207 B7
3208 B6
3209 B5
3210 A8
3211 B6
3216 B6
3217 E7
3218 E7
3219 E7
3222 E7
3223 E8
3224 C7
3225 C8
3226 C7
3227 D7
3228 D7
3229 C3
3230 C2
3231 C3
6200 B2
6201 A7
6202 C2
6203 C4
6205 A6
6208 E8
6209 E8
6211 A3
6212 D3
6214 E3
6215 D7
6216 C3
6217 C2
6218 C3
7200 A5
7202 A7
7203 B7
7205 B5
7206 B5
7207 E8
7208 D5
7209 E3
7210 C7
9200 A7
9201 A5
9202 E6
OVERVOLTAGE
PULLED UP IN AV BOARD
PROVISION
DETECTION
GND_D
2222
1m0
T5A
1203
GND_AMP
6200
1N4148
100u
2224
47u
2202 2227
2m2
GND_AMP
GND_D
6202
1N4003
1K
7
8
9
4m7
2207
470R
3226
2200
47n
100n
2217
GND_A
1
10
1264
EH-B
15K
3218
GND_D
47u
2219
3231
10K
1204
T4A
T6A3 FOR 100W
T6A3 FOR 100W
50V
To AV Board
39V
To Amplifier Board
From Mains Transformer
# Provision only
#
#
To AV Board
6214
1N4148
GND_A
2
3
4
5
6
7
8
9
2218
10u
GND_M
BZX79-C4V7
6215
330R
3207
10K
3203
8R2
3225
2m2
2226
680R
3208
GND_D
330R
3216
100n
2209
4K7
3209
3200
4K7
6208
BAS316
3219
GND_M
7200
BUK7535-55A
1100
BC327-25
7210
GND_D
GND_M
47K
3204
BC857B
7205
GND_D
GND_D
10u
2201
9200
BZX79-C8V2
6203
100u
2225
T4A
1205
GND_M
4m7
2211
10K
3202
3206
680R
GND_AMP
1K
3222
2K7
3201
4m7
2206
3205
10K
BC847B
7203
3230
4K7
10u
2228
6218
1N4003
6217
7202
GND_AMP
BZX79-C39
BUK7535-55A
3
4
100n
2204
GND_AMP
FE-BT-VK-N
1263
1
2
2
GND
1
IN OUT
3
GND_D
7209
BAS316
GND_M
1200
T5A
6209
10m
2215
9201
1258
EH-B
1
10
2
3
4
5
6
2220
47u
GND_M
100n
2203
2205
100n
1
2
3
4
5
6
6201
BZX79-B27
1270
VH
7206
BC857B
1m0
2223
220R
3224
1
2
GND_D
9202
1259
EH-B
4K7
3229
GND_D
100K
3223
6212
GBU4K
23
14
3211
47K
3210
47K
2213
100n
7207
BC847B
BZX79-B27
6205
1K
3227
3217
6216
BZX79-C39
6K8
GBU8D
6211
14
2
3
GND_M
GND_M
L7812CP
7208
GND
IN OUT
330n
2208
-VCC
2322640
3228
2212
100n
NTC1
+12V_M
-VH
+VH
+C
+C
NTC1
PW_DN
+Vref
+VH
40VAC
-VH
+VCC
+5V6
+VCC
+VCC
+VCC
-VCC
-VCC
-VCC
+12V_M
PW_DN
+5V6
+5V6
+12V_A
+12V_M
+12V_A
40VAC
NTC
+C
+Vref
+12V_M
+5V6
NTC
#
#
#
#
#
#
#
#
8239 210 93414 dd wk0315
29.1V
-29.1V
13V
5.6V
26V
0V
12V
30V
6V
-30V

Table of Contents

Related product manuals