EasyManua.ls Logo

Philips MX5500D/21S - DTC Key Part - Circuit Diagram; Power Switch Part - Circuit Diagram

Philips MX5500D/21S
118 pages
Print Icon
To Next Page IconTo Next Page
To Next Page IconTo Next Page
To Previous Page IconTo Previous Page
To Previous Page IconTo Previous Page
Loading...
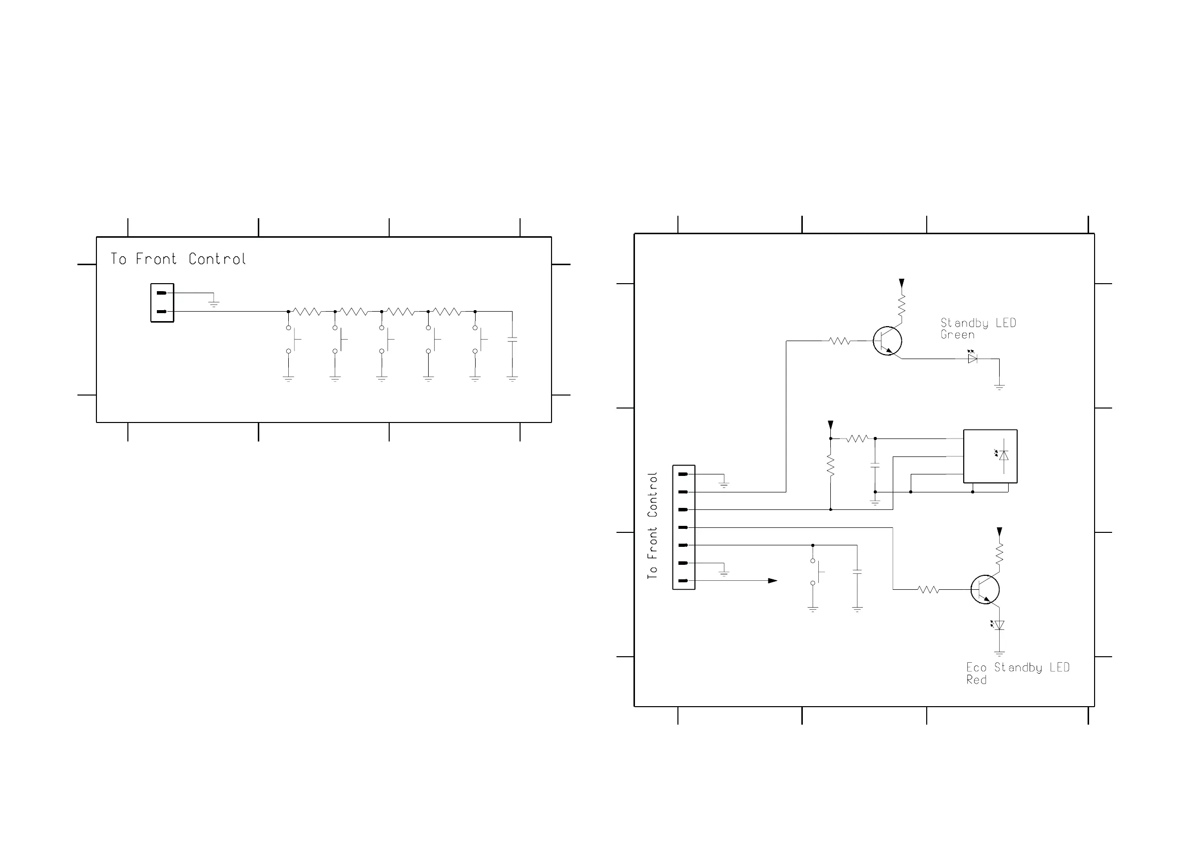
DTC KEY PART - CIRCUIT DIAGRAM
6-10
6-10
123
123
AA
1400 A1
1401 A2
1402 A2
1403 A2
1404 A3
1405 A3
2400 A3
3400 A2
3401 A2
3402 A3
3403 A3
GND_B
2
GND_B
2400
100p
GND_B
1400
EH-S
1
GND_BGND_BGND_B
GND_B
DISC1
1401
1402
150R
3400
270R
3402
DISC2
220R
3401
DISC3
1403
1404
DISC4
1405
DISC5
390R
3403
8239 210 9413 pt3/4 dd wk0317
12 3
12 3
A
B
C
A
B
C
1500 B1
1501 C1
2501 B2
2502 C2
3501 C3
3502 A2
3503 B2
3504 B2
3505 A2
3506 C3
6500 C3
6501 A3
7500 C3
7501 B3
7504 A2
GND_B
470R
3505
1501
Standby
100p
2502
2
GND
GND
4
5
1
OUT
3
VS
1
2
3
4
5
6
7
TSOP4836ZC1 7501
1500
FE-ST-VK-N
GND_B
LTL-816GE
6501
2u2
2501
3503
100R
10K
3504
3501
470R
GND_B
LTL-816EELC
6500
120R
3502
7504
BC847B
BC847B
7500
470R
3506
+C
+C
RC6
Stdby_key
+C
+C
Stdby_LED
LPS_LED
8239 210 9414 pt3/4 dd wk0317
POWER SWITCH PART - CIRCUIT DIAGRAM

Table of Contents

Related product manuals