EasyManua.ls Logo

Philips MX5500D/21S - Amplifier Board - Amplifier Circuit

Philips MX5500D/21S
118 pages
Print Icon
To Next Page IconTo Next Page
To Next Page IconTo Next Page
To Previous Page IconTo Previous Page
To Previous Page IconTo Previous Page
Loading...
MUTE
MUTE
REL1
SW1
EN1
REL2
SW2
EN2
VDDP2
VSSP1
MUTE
MUTE
REL1
SW1
EN1
REL2
SW2
EN2
VDDP2
VSSP1
MUTE
MUTE
REL1
SW1
EN1
REL2
SW2
EN2
VDDP2
VSSP1
678
12
51234
H
I
J
1306 A7
1307 H7
2135 A1
2136 A2
2201 D3
2202 D3
2204 D4
345678
A
B
C
D
E
F
G
H
I
J
A
B
C
D
E
F
G
2307 G5
2308 H5
2311 H5
2314 H5
2315 I5
1308 E7
1316 B7
1317 I7
1318 E7
2101 A3
2102 A3
2104 A4
2105 A4
2106 A5
2107 A5
2108 A5
2111 A5
2114 A5
2115 B5
2116 B6
2117 B6
2120 B5
2122 B5
2124 C6
2125 C6
2126 C5
2127 C5
2128 C4
2129 C3
2130 C3
2131 C2
2134 B1
3202 E5
3203 F6
3204 G6
3205 F5
3206 F1
2205 D4
2206 D5
2207 D5
2208 D5
2211 E5
2214 E5
2215 E5
2216 E6
2217 E6
2220 F5
2222 F5
2224 F6
2225 F6
2226 F5
2227 F5
2228 F4
2229 F3
2230 G3
2231 F2
2234 F1
2235 E1
2236 E2
2301 H3
2302 H3
2304 G4
2305 H4
2306 G5
5202 E5
5203 F5
5302 H5
5303 I5
7100 A2
2316 I6
2317 I6
2320 I5
2322 I5
2324 J6
2325 J6
2326 J5
2327 J5
2328 J4
2329 J3
2330 J3
2331 I2
2334 I1
2335 H1
2336 H2
3100 A5
3101 B5
3102 B5
3103 B6
3104 C6
3105 C5
3106 C1
3107 A3
3108 A1
3109 C3
3200 D5
3201 E5
F130 I7
F133 F7
F134 C7
F135 I7
F139 A7
3207 D3
3208 E1
3209 G3
3300 H5
3301 I5
3302 I5
3303 I6
3304 J6
3305 J5
3306 I1
3307 G3
3308 H1
3309 J3
4132 C2
4133 B2
4137 A2
4138 A2
4232 F2
4233 F2
4237 D2
4238 E2
4332 J2
4333 I2
4337 H2
4338 H2
5102 A6
5103 B6
4137
7200 D2
7300 H2
F104 A7
F109 B7
F112 B7
F120 E7
F121 E7
F122 F7
F128 H7
F129 I7
VSSD
17
VSSP1
20 VSSP2
2136
330p
19
10
VDDA1
3
VDDA2
14
VDDP1
23
VDDP2
12
VSSA1
1
VSSA2
24
MODE
7
OSC
16
OUT1
21
OUT2
13
PROT
11
SGND1
2
SGND2
18
STABI
SUB|VSSD
PWM
PWM
MOD
MOD
CURRENT PROT
BOOT1
15
22
BOOT2
8
IN1+
9
IN1-
5
IN2+
4
IN2-
6
LOW
LOW
TDA8920
STABI
MODE
OSC
STAGE
STAGE
INP
INP
MANAGER
560p
7100
TEMP SENSOR
CTRL &
CTRL &
SHAKE
SHAKE
HAND-
HAND-
DRIVER
DRIVER
DRIVER
DRIVER
HIGH
HIGH
2114
2327
2306
22u
100n
100n
2128
2120
15n
100n
2129
15n
2111
2104
2105
100n
100n
1
2
3
4
100n
2107
EH-B
1317
3309
10R
3307
10R
F130
F128
F129
5R6
3301
3300
5R6
560p
2322
2328
100n
560p
2314
2320
100n
2329
15n
2311
15n
2304
2305
100n
100n
100n
2108
100n
2101 2102
100n
22R
3103
47K
3106
4132
330p
4133
2131
4138
47K
3108
5R6
3302
560p
2315
5R6
3305
2326
560p
5203
1
F133
22u
5202
1
22u
1318
EH-B
1
2
3
4
10R
3209
10R
3207
470n
2225
F122
2216
470n
2335
F121
68p
220n
2334
2330
100n
F135
22u
5303
1
22u
5302
1
3304
22R
220n
2324 2317
2325
470n
220n
470n
2316
2235
2234
68p
220n
100n
2307
100n
23082301
100n
2302
100n
2331
330p
3308
4338
47K
4337
2336
330p
VDDP2
12
VSSA1
1
VSSA2
24
VSSD
VSSP1
17
20 VSSP2
PROT
11
SGND1
2
SGND2
18
STABI
SUB|VSSD
19
10
VDDA1
3
VDDA2
14
VDDP1
23
IN1+
9
IN1-
5
IN2+
4
IN2-
MODE
6
7
OSC
16
OUT1
21
OUT2
13
TDA8920
STABI
MODE
OSC
STAGE
STAGE
INP
INP
BOOT1
15
22
BOOT2
8
7300
MANAGER
PWM
PWM
MOD
MOD
CURRENT PROT
TEMP SENSOR
CTRL &
CTRL &
SHAKE
SHAKE
HAND-
HAND-
DRIVER
DRIVER
DRIVER
DRIVER
HIGH
HIGH
LOW
LOW
2204
2205
100n
100n 100n
2207
2201
100n
2208
100n
F120
100n
2202
3
4
5
6
7
8
1307
EH-B
1
2
2226
560p
22u
100n
2227
2206
3107
10R
F112
F104
F109
2230
100n
1
2
3
4
5
6
7
8
1308
EH-B
3306
3303
22R
4332
47K
4333
5R6
3201
3200
5R6
560p
560p
2222
2228
100n
2214
15n
2220
100n
2229
15n
2211
220n
2134
2130
100n
22R
3203
3206
4232
47K
4233
2231
330p
47K
3208
4238
5R6
3202
4237
2215
560p
3205
5R6
F134
F139
1316
EH-B
1
2
3
4
5
EH-B
1306
1
2
3
4
5
6
7
8
9
22u
5103
1
22u
5102
1
10R
100n
3109
2106
22u
2127
68p
2135
3102
5R6
560p
2115
3105
5R6
560p
2126
3204
22R
220n
2224
220n
2217
22R
3104
220n
2124 2117
220n
21162125
470n
5R6
3101
470n
560p
3100
5R6
2122
2236
23
VSSA1
12
VSSA2
1
24
VSSD
VSSP1
17
VSSP220
330p
13
SGND1
11
SGND2
2
18
STABI
19
SUB|VSSD
VDDA1
10
VDDA2
3
VDDP1
14
VDDP2
IN1-
9
IN2+
5
4
IN2-
MODE
6
OSC
7
OUT1
16
OUT2
21
PROT
DRIVER
DRIVER
DRIVER
HAND-
HAND-
SHAKE
SHAKE
CTRL &
CTRL &
TEMP SENSOR
CURRENT PROT
MOD
MOD
PWM
PWM
MANAGER
INP
INP
STAGE
15
BOOT1
BOOT2
22
IN1+
8
7200
STAGE
OSC
MODE
STABI
TDA8920
LOW
LOW
HIGH
HIGH
DRIVER
INPUT_5
INPUT_6
INPUT_6N
PROT_5
VssVss
Vdd
Vdd
OUT_5
OUT_6
PROT_6
Vss
Vss
Vss
Vss
Vdd
Vss
Vdd
Vdd
OUT_3
OUT_4
PROT_4
Vss
Vss
Vss Vss
Vss
Vdd
Vss
MODE_56
CLOCK
Vss
VddVdd
Vss Vss Vss
INPUT_5N
Vss
Vss
Vss Vss
Vss
Vdd
Vss
MODE_34
CLOCK
VddVdd
Vss Vss Vss
INPUT_3N
INPUT_3
INPUT_4
INPUT_4N
PROT_3
VssVss
MODE_12
CLOCK
VddVdd
Vss Vss Vss
INPUT_1N
INPUT_1
INPUT_2
INPUT_2N
PROT_1
VssVss
Vdd
Vdd
OUT_1
OUT_2
PROT_2
3104 213 3525
bl130-2 dd19-11-02
0V
0V
0V
0V
+28V
-28V
0V
0V
0V
0V
+28V
-28V
0V
0V
0V
0V
+28V
-28V
B
C
B
C
B
C
B
C
B
C
B
C
B
C
Not for 75W version
Not for 100W version
To SPK I
To SPK I
To SPK I (75W)
To SPK II (100W)
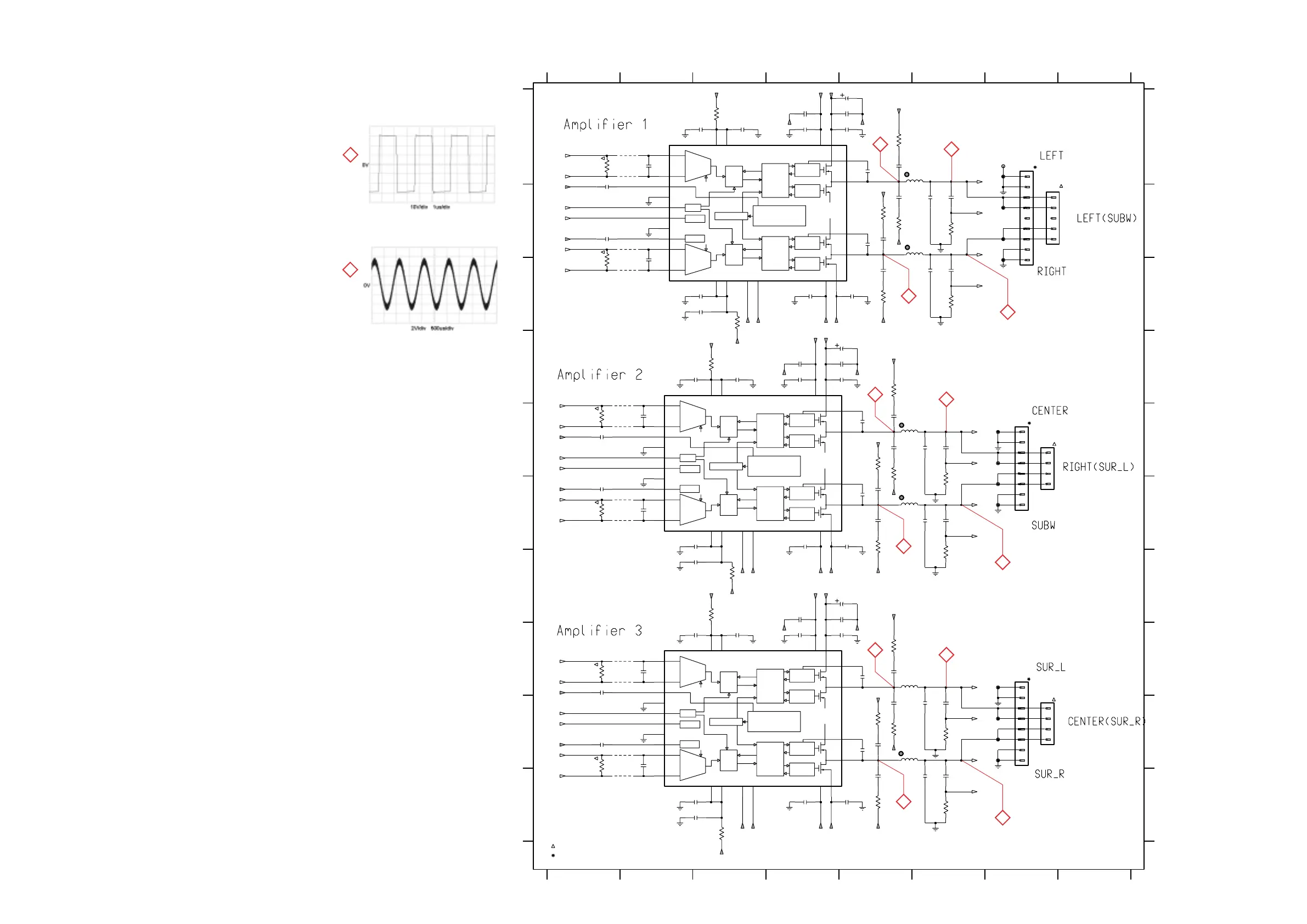
AMPLIFIER BOARD - AMPLIFIER CIRCUIT
8-15 8-15

Table of Contents

Related product manuals