EasyManua.ls Logo

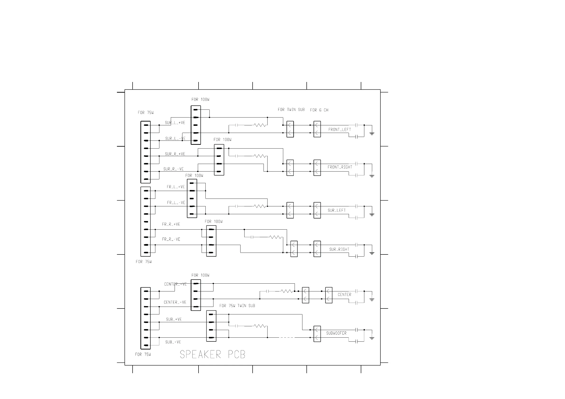
Philips MX5500D/21S - Speaker (SPK I) Board - Circuit Diagram

Philips MX5500D/21S
118 pages
Print Icon
To Next Page IconTo Next Page
To Next Page IconTo Next Page
To Previous Page IconTo Previous Page
To Previous Page IconTo Previous Page
Loading...
1234
1234
A
B
C
D
E
A
B
C
D
E
1303-A E4
1303-B B4
1303-C A4
1303-D D4
1303-E C4
1303-F B4
1304-A B3
1304-B A3
1304-C D3
1304-D C3
1304-E B3
1313 A1
1314 D1
1315 B1
1316 A2
1317 B2
1318 E2
1319 E2
1320 C1
1321 D2
2000 A4
2001 A4
2002 B4
2003 B4
2004 C4
2005 C4
2006 C4
2007 C4
2008 D4
2009 D4
2010 E4
2011 E4
2012 A2
2013 B2
2014 C2
2015 C2
2016 D3
2017 E2
3000 A3
3001 B3
3002 C3
3003 C3
3004 D3
To Amp To Amp
To SPK II
# Provision only
#
#
#
#
#
#
#
#
##
#
#
3005 E3
9500 E3
1319
EH-B
1
2
3
4
1303-E
9
T-341142-1-00
8
9500
10n
2007
4
5
1320
EH-B
1
2
3
1303-A
T-341142-1-00
22R
3003
2001
GND
10n
3
4
3
4
GND
10n
2000
GND
10n
220n
2015
22R
3000
22R
3001
22R
3004
2009
To Amp
To Amp
To Amp
To Amp
To Amp
To Amp
2004
10n
330p
2003
22R
3005
3
4
5
6
7
8
9
220n
2014
3
4
5
6
7
8
1315
EH-B
1
2
1314
EH-B
1
2
1321
EH-B
1
2
3
4
T-341142-1-00
1303-B
7
8
LQR1910
1304-D
7
2
LQR1910
1304-E
9
10
T-341142-1-00
1303-D
1
2
LQR1910
1304-A
1
2008
330p
2006
10n
10n
2005
GND
GND
10n
2002
1303-C
5
6
22R
3002
EH-B
1
2
3
4
5
6
7
8
T-341142-1-00
220n
2017
1313
T-341142-1-00
1303-F
11
12
220n
2016
10
220n
2012
220n
2013
2
3
4
5
1318
EH-B
1
2
3
4
LQR1910
1304-C
5
6
1316
EH-B
1
1317
EH-B
1
2
3
4
GND
LQR1910
1304-B
10n
2011
2010
10n
8239 210 93444 dd wk0315
SPEAKER (SPK I) BOARD - CIRCUIT DIAGRAM
8-4
8-4

Table of Contents

Related product manuals