EasyManua.ls Logo

Philips MX5500D/21S - Front Control Part - Circuit Diagram

Philips MX5500D/21S
118 pages
Print Icon
To Next Page IconTo Next Page
To Next Page IconTo Next Page
To Previous Page IconTo Previous Page
To Previous Page IconTo Previous Page
Loading...
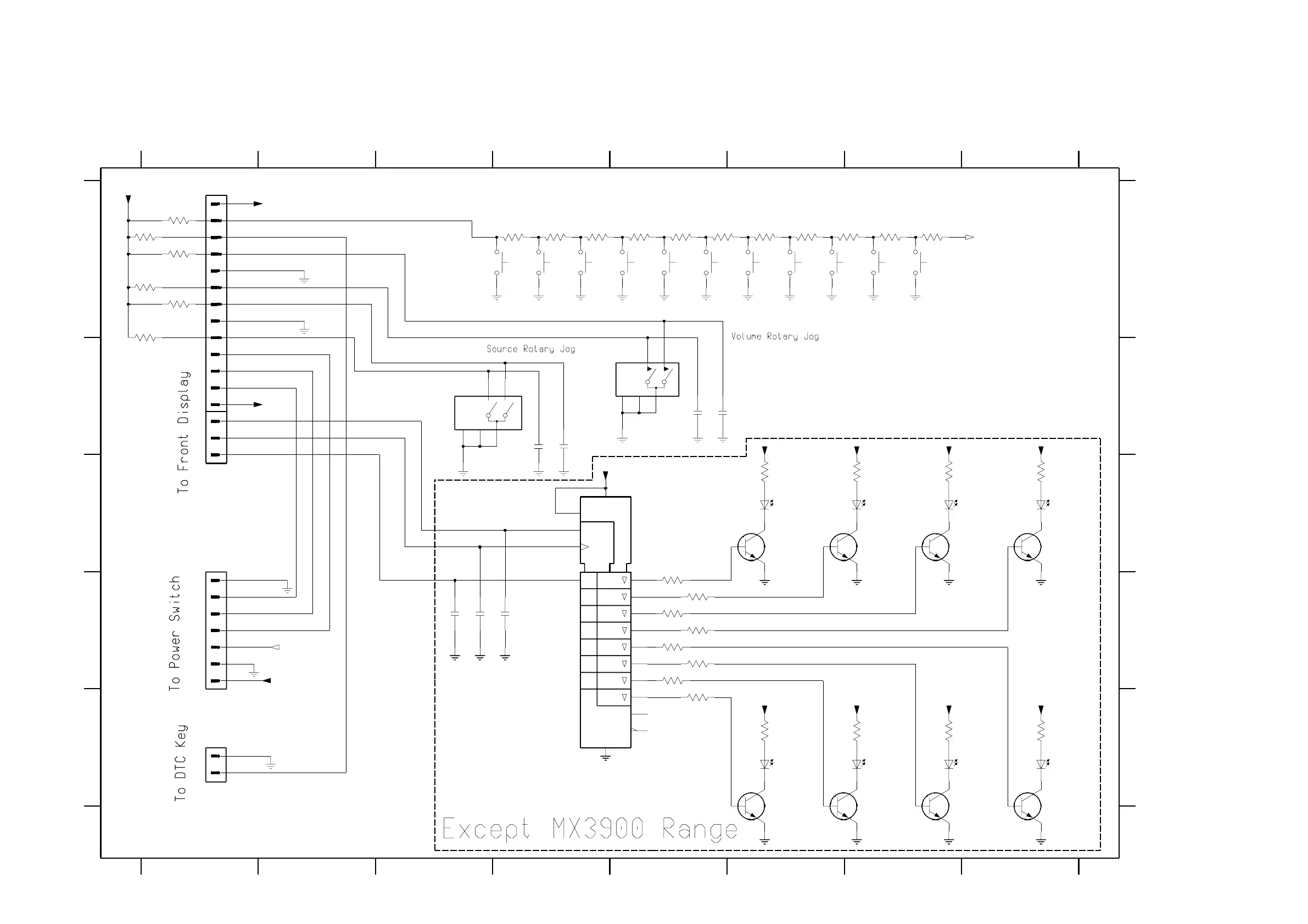
FRONT CONTROL PART - CIRCUIT DIAGRAM
STB
D1
EN1
SRG8
C
D
E
A
B
C
D
E
1300 A1
1301 A3
1302 A4
1303 A4
1304 A5
1305 A5
1306 A5
1307 A6
1308 A6
1309 A6
1310 A7
1311 A7
1313 C1
1314 B4
1315 B3
12345678
12345678
A
B
1316 E1
2304 B5
2305 B5
2306 B4
2307 B4
2308 D3
2309 D3
2310 D4
3303 A4
3304 A4
3305 A4
3306 A5
3307 A5
3308 A5
3309 A6
3310 A6
3311 A7
3312 A7
3330 A1
3331 A1
3332 A1
3333 A1
3334 A1
3335 A1
3336 A7
3337 D5
3338 D5
3339 D5
3340 D5
3341 D5
3342 D5
3343 D5
3344 E5
3345 C6
3346 C7
3347 C7
3348 C8
3349 E6
3350 E7
3351 E7
3352 E8
6300 C6
6301 C7
6302 C8
6303 C8
6304 E6
6305 E7
6306 E8
6307 E8
7300 C5
7301 C6
7302 C7
7303 C7
7304 C8
7305 E6
7306 E7
7307 E7
7308 E8
PREVIOUS
1304
10n
1302
PLAY
3344
120R
GND_B
GND_B
6302
LTL-816TDK3
FE-ST-VK-N
7305
10n
2306
1308
TUNING
10n
2307
BC847B
1
2
3
4
5
6
7
1306
SURROUND
2K7
3331
1313
FE-ST-VK-N
1316
EH-S
1
2
EVE
1314
13
24
MT1
5
MT2
2304
LTL-816TDK3
7301
6305
BC847B
3352
120R
1305
NEXT
2305
10n
GND_B
3311
2K7
PROGRAM
1309
3310
1K8390R
3306
SWEETSPOT
270R
3305
1301
2309
47p
3349
120R
GND_B
1303
STOP
5
6
7
8
9
BC847B
7306
1300
1
10
11
12
13
14
15
16
2
3
4
3336
10K
BC847B
7302
10K
3334
6304
LTL-816TDK3
3307
560R
1311
BASS
LTL-816TDK3
6301
2308
47p
GND_B
TREBLE
3351
120R
4K7
1310
3312
3350
120R
GND_B
1315
A
1
B
3
C
2
4
5
GND_B
EVE
GND_B
GND_B
3343
120R
3341
120R
3339
120R
GND_B
820R
120R
3308
3346
7303
3304
220R
12
11
9
10
1
16
8
BC847B
7300
3
2
15
4
5
6
7
14
13
74HC4094D
BC847B
7308
6303
LTL-816TDK3
2310
47p
2K7
3330
10K
3332
1K2
3309
LTL-816TDK3
GND_B
GND_B
6300
3338
120R
6307
LTL-816TDK3
1307
CLK
7304
BC847B
LTL-816TDK3
6306
10K
3335
3342
120R
10K
3333
3347
120R
3348
120R
3345
120R
BC847B
7307
GND_B
3337
120R
3303
150R
3340
120R
GND_B
+D +D +D +D
+D +D +D +D
Key0
Key0
LedShData
LedShClk
LedShStr
+C
Stdby_Key
+D
Rot_Vol_A
Rot_Vol_B
Key1
Stdby_LED
Stdby_LED
RC6
RC6
+C
LPS_LED
LPS_LED
Stdby_Key
+D
+C
Rot_Jog_A
Rot_Jog_B
8239 210 9412 pt3/4 dd wk0317
# Provision only
#
#
#
#
#
#
#
#
#
#
#
#
#
#
#
#
6-8 6-8

Table of Contents

Related product manuals