EasyManua.ls Logo

Philips MX5500D/21S - Page 48

Philips MX5500D/21S
118 pages
Print Icon
To Next Page IconTo Next Page
To Next Page IconTo Next Page
To Previous Page IconTo Previous Page
To Previous Page IconTo Previous Page
Loading...
8-3
8-3
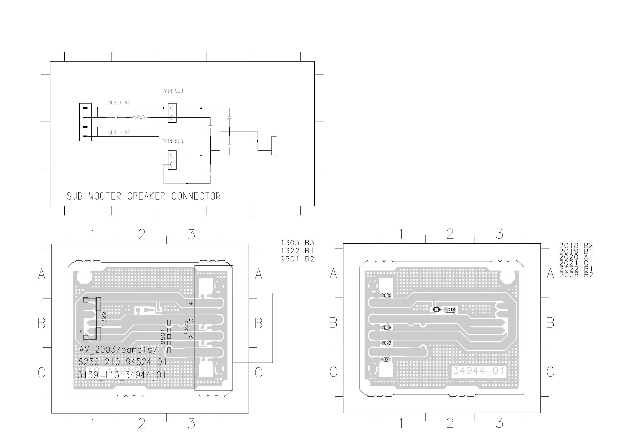
SW-OUT (SPK II) BOARD - CIRCUIT & LAYOUT DIAGRAMS (For Twin Subwoofer versions only)
12345
12345
A
B
C
A
B
C
To SPK (75W 7ch)
To Amp (100W)
22R
3006
220n
2018
2019
10n
10n
2020
LQR0410
3
4
LQR0410
1305-F
56
1305-A
LQR0410
1
2
1305-B
2022
10n
1322
EH-B
1
2
3
4
10n
2021
1305-A A3
1305-B B3
1305-F B5
1322 B1
2018 A2
2019 A4
2020 B4
2021 B4
2022 C4
3006 A2
8239 210 94524 dd wk0315
# Provision
#
#
This assemby drawing shows a summary of all possible versions. For components used
in a specific version see schematic and respective parts list.
8239 210 94524 .. 3139 113 3494pt4 dd wk0315
This assemby drawing shows a summary of all possible versions. For components used
in a specific version see schematic and respective parts list.
8239 210 94524 .. 3139 113 3494pt4 dd wk0315

Table of Contents

Related product manuals